|
压力表 |
|||||||||
|
1) 一般压力表 |
|||||||||
|
表1 一般压力表主要技术参数 mm |
|||||||||
|
型 号 |
公称 直径 |
测量范围/MPa |
精确度 等级 |
接头螺纹 |
|||||
|
径向无边 压力表 |
径向带后 边压力表 |
径向带前 边压力表 |
轴向无边 压力表 |
轴向带前 边压力表 |
|||||
|
Y-40 |
Y-40T |
Y-40TQ |
Y-40Z |
Y-40ZT |
f 40 |
0~0.1;0.16;0.25; 0.4;0.6;1.0;1.6;2.5; 4;6;10;16;25;40;60 |
2.5 |
M10×1 |
|
|
Y-50 Y-60 |
Y-50T Y-60T |
Y-50TQ Y-60TQ |
Y-50Z Y-60Z |
Y-50ZT Y-60ZT |
f 50 f 60 |
||||
|
M14×1.5 |
|||||||||
|
Y-100 |
Y-100T |
Y-100TQ |
Y-100Z |
Y-100ZT |
f 100 |
||||
|
Y-150 |
Y-150T |
Y-150TQ |
Y-150Z |
Y-150ZT |
f 150 |
1.5 |
M20×1.5 |
||
|
Y-200 |
Y-200T |
Y-200TQ |
Y-200Z |
Y-200ZT |
f 200 |
||||
|
T-250 |
Y-250T |
Y-250TQ |
Y-250Z |
Y-250ZT |
f 250 |
||||
|
Y-40 |
Y-40T |
Y-40TQ |
Y-40Z |
Y-40ZT |
f 40 |
||||
|
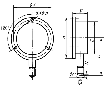
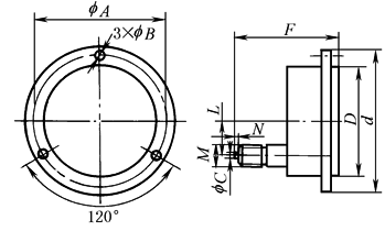
表2 一般压力表外形尺寸 mm |
||||||||||
|
|
型 号 |
fA |
fB |
F |
d |
D |
L |
M |
fC |
N |
|
Y-60T |
f72 |
f5 |
36 |
f87 |
f60 |
62.5 |
M14×1.5 |
f5 |
3 |
|
|
Y-100T |
f 118 |
f6 |
47 |
f 132 |
f 100 |
92 |
M20×1.5 |
f6 |
3 |
|
|
Y-150T |
f 165 |
f6 |
47 |
f 178 |
f 150 |
118.5 |
M20×1.5 |
f6 |
3 |
|
|
Y-150 |
|
|
|
|
f 150 |
118.5 |
M20×1.5 |
f6 |
3 |
|
|
Y-100 |
|
|
|
|
f 100 |
92 |
M20×1.5 |
f6 |
3 |
|
|
Y-60 |
|
|
|
|
f 60 |
62.5 |
M14×1.5 |
f5 |
3 |
|
|
|
Y-60ZT |
f 72 |
f 5 |
63.5 |
f 87 |
f 60 |
|
M14×1.5 |
f5 |
3 |
|
Y-100ZT |
f 118 |
f 6 |
92 |
f 132 |
f 100 |
32 |
M20×1.5 |
f6 |
3 |
|
|
Y-150ZT |
f 165 |
f 6 |
92 |
f 178 |
f 150 |
52 |
M20×1.5 |
f6 |
3 |
|
|
Y-150Z |
|
|
92 |
|
150 |
52 |
M20×1.5 |
f6 |
3 |
|
|
Y-100Z |
|
|
92 |
|
100 |
32 |
M20×1.5 |
f6 |
3 |
|
|
Y-60Z |
|
|
63.5 |
|
60 |
|
M14×1.5 |
f5 |
3 |
|
|
2) 耐震压力表 |
||||||
|
表3 耐震压力表技术性能 mm |
||||||
|
型 号 |
公称直径 |
测量范围/MPa |
精确度等级 |
接头螺纹 |
||
|
耐温耐震压力表① |
耐震压力表② |
① |
② |
|||
|
YTGN-60 |
YTN-Ⅰ |
f 60 |
0~0.1;0.16;0.25; 0.4;0.6;1.0;1.6; 2.5;4;6;10;16; 25;40;60 |
1.5 |
2.5 |
M14×1.5 |
|
YTGN-100 |
f 100 |
1.5 |
M20×1.5 |
|||
|
YTGN-150 |
f 150 |
|||||
|
|
YTN-Ⅱ |
f 100 |
||||
|
f 150 |
ZG1½ |
|||||
|
磁感式电接点压力表 |
||||||||||||||||
|
YTXG型磁感式电接点压力表采用了先进的磁敏式传感器开关装置,具有指针系统不带电,输出容量大,动作稳定可靠,使用寿命长等特点,其性能优于电接点压力表和磁助式电接点压力表 此表与相应的电气器件(如接触器或信响器等)配套使用,便能达到对被测(控)压力系统实现自动控制和发信号(报警)的目的
表4 |
||||||||||||||||
|
型 号 |
标度/MPa |
最小控制范围/MPa |
指示 |
控制 |
电气资料 |
|||||||||||
|
YTXG-100 |
0~0.1 0~0.16 0~0.25 0~0.40 0~0.60 |
0.008 0.015 0.020 0.030 0.050 |
0.08 0.15 0.20 0.30 0.50 |
0.80 1.5 2.0 3.0 5.0 |
1.0
1.5 |
2 |
触点电压 DC125Vmax,AC250Vmax 触点电流 DC28V10A,AC220V5A 触点功率 280Wmax,1200V·Amax |
|||||||||
|
YTXG-15 |
0~1.0 0~1.6 0~2.5 0~4.0 0~6.0 |
0.006 0.007 0.0175 0.025 0.040 |
0.06 0.07 0.175 0.25 0.40 |
0.6 0.7 1.75 2.5 4.0 |
||||||||||||
|
输入电源电压端 下限磁敏开关 (HK1)输出端 上限磁敏开关 (HK2)输出端 |
|
|||||||||||||||
|
YTXG-200 |
0~10 0~16 0~25 0~40 0~60 0~100 |
0.004 0.005 0.010 0.015 0.025
|
0.04 0.05 0.10 0.15 0.25
|
0.40 0.50 1.0 1.5 2.5 4.0 |
1.5 |
|||||||||||
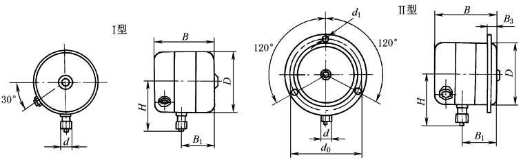
|
型 号 |
D |
B |
B1 |
H |
d0 |
d |
d1 |
B3 |
||||||||
|
YTXG-100 |
100 |
98 |
46 |
92 |
118 |
M20×1.5 |
6 |
8 |
||||||||
|
YTXG-150 |
150 |
49 |
121 |
165 |
10 |
|||||||||||
|
YTXG-200 |
200 |
120 |
53 |
142 |
215 |
13 |
||||||||||
|
||||||||||||||||




