|
CXL型自封式磁性吸油过滤器 |
|
滤芯内设置永久磁铁,可滤除油中的金属颗粒 型号意义:
|
|
表1 技术参数 |
||||||||||||
|
型 号 |
通径 /mm |
公称 流量 /L·min-1 |
过滤 精度 /μm |
原始压 力损失 |
允许最大 压力损失 |
旁通阀 开启压力 |
发信器 发信压力 |
发信器 |
连接 方式 |
滤芯型号 |
生 产 厂 |
|
|
/MPa |
/V |
/A |
||||||||||
|
CXL-25×※ |
15 |
25 |
80
100
180 |
<0.01 |
0.03 |
>0.032 |
0.03 |
12
24
36
220 |
2.5
2
1.5
0.25 |
螺纹 |
X-CX25×※ |
远 东 液 压 配 件 厂 |
|
CXL-40×※ |
20 |
40 |
X-CX40×※ |
|||||||||
|
CXL-63×※ |
25 |
63 |
X-CX63×※ |
|||||||||
|
CXL-100×※ |
32 |
100 |
X-CX100×※ |
|||||||||
|
CXL-160×※ |
40 |
160 |
X-CX160×※ |
|||||||||
|
CXL-250×※ |
50 |
250 |
法兰 |
X-CX250×※ |
||||||||
|
CXL-400×※ |
65 |
400 |
X-CX400×※ |
|||||||||
|
CXL-630×※ |
80 |
630 |
X-CX630×※ |
|||||||||
|
CXL-800×※ |
90 |
800 |
X-CX800×※ |
|||||||||
|
CXL-1000×※ |
100 |
1000 |
X-CX1000×※ |
|||||||||
|
CXL-1250×※ |
110 |
1250 |
X-CX1250×※ |
|||||||||
|
CXL-1600×※ |
120 |
1600 |
X-CX1600×※ |
|||||||||
|
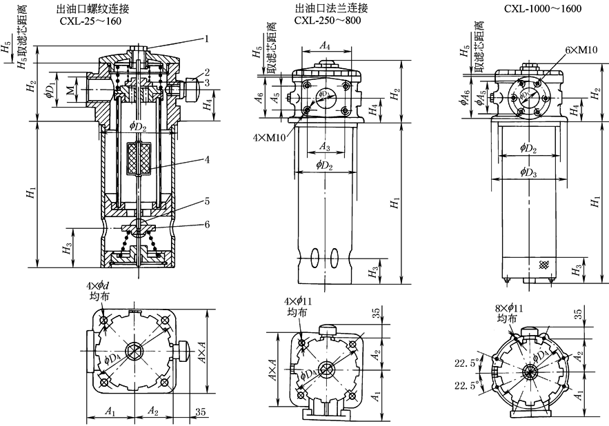
CXL型磁性吸油过滤器 |
||||||||||||||||||||||||||||
|
1—中心螺钉;2—发信器;3—旁通阀;4—永久磁铁;5—顶杆;6—自封阀 |
||||||||||||||||||||||||||||
|
表2 外形尺寸 mm |
||||||||||||||||||||||||||||
|
型 号 |
H1 |
H2 |
H3 |
H4 |
H5 |
M |
D1 |
D2 |
D4 |
d |
A |
A1 |
A2 |
|||||||||||||||
|
CXL-25×※ |
95 |
83 |
34 |
25 |
75 |
M22×1.5 |
40 |
60 |
85 |
9 |
80 |
45 |
34 |
|||||||||||||||
|
CXL-40×※ |
115 |
95 |
M27×2 |
|||||||||||||||||||||||||
|
CXL-63×※ |
140 |
101 |
40 |
33 |
115 |
M33×2 |
55 |
75 |
100 |
90 |
54 |
42 |
||||||||||||||||
|
CXL-100×※ |
190 |
33 |
165 |
M42×2 |
||||||||||||||||||||||||
|
CXL-160×※ |
198 |
120 |
40 |
42 |
175 |
M48×2 |
65 |
90 |
115 |
11 |
105 |
62 |
50 |
|||||||||||||||
|
型 号 |
H1 |
H2 |
H3 |
H4 |
H5 |
D1 |
D2 |
D3 |
D4 |
A |
A1 |
A2 |
A3 |
A4 |
A5 |
A6 |
||||||||||||
|
CXL-250×※ |
268 |
120 |
40 |
42 |
245 |
50 |
90 |
— |
115 |
105 |
72.5 |
50 |
70 |
92 |
40 |
72 |
||||||||||||
|
CXL-400×※ |
281 |
145 |
56 |
50 |
270 |
65 |
108 |
— |
135 |
120 |
82 |
58 |
90 |
112 |
50 |
88 |
||||||||||||
|
CXL-630×※ |
329 |
181 |
63 |
65 |
335 |
90 |
140 |
— |
184 |
156 |
100 |
74 |
120 |
144 |
70 |
120 |
||||||||||||
|
CXL-800×※ |
409 |
415 |
90 |
|||||||||||||||||||||||||
|
CXL-1000×※ |
284 |
265 |
135 |
135 |
310 |
125 |
203 |
257 |
234 |
— |
135 |
118 |
— |
— |
164 |
185 |
||||||||||||
|
CXL-1250×※ |
338 |
360 |
||||||||||||||||||||||||||
|
CXL-1600×※ |
438 |
460 |
||||||||||||||||||||||||||
|
注:※为过滤精度,若使用工作介质为水-乙二醇,流量为160L/min过滤精度为80μm,带ZKF-Ⅱ型发信器,其过滤器型号为CXLBH-160×80Y,滤芯型号为X-CXBH160×80。 |
||||||||||||||||||||||||||||


