|
线隙式过滤器 |
||||||||||
|
中压线隙式管(板)连接过滤器技术性能及外形尺寸
|
||||||||||
|
表1 mm |
||||||||||
|
型 号 |
流量 /L·min-1 |
额定 压力 /MPa |
过滤 精度 /μm |
初始压 力降 /MPa |
质量 /kg |
外 形 尺 寸 |
||||
|
L |
h |
h1 |
D |
M |
||||||
|
XU-10×200 XU-16×200 XU-25×200 XU-32×200 XU-40×200 XU-50×200 XU-63×200 XU-80×200 XU-100×200 |
10 16 25 32 40 50 63 80 100 |
6.18 |
200 |
0.06 |
2.25 2.40 2.72 4.35 4.60 4.90 7.40 8.65 9.15 |
105 125 150 150 160 180 180 210 215 |
85
105
125
|
80
100
120
|
f66
f86
f106
|
Z3/8
Z¾
Z1
|
|
型 号 |
流量 /L·min-1 |
额定 压力 /MPa |
过滤 精度 /μm |
初始压 力降 /MPa |
质量 /kg |
外 形 尺 寸 |
|||||||||||
|
L |
L1 |
L2 |
L3 |
L4 |
h |
h1 |
D |
D1 |
d |
d1 |
d2 |
||||||
|
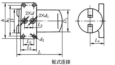
XU-10×200B XU-16×200B XU-25×200B |
10 16 25 |
6.18 |
200 |
0.06 |
2.43 2.63 2.98 |
111 131 151 |
58 |
32 |
25 |
40 |
115 |
95 |
f 77 |
f 65 |
f 10 |
f 16 |
f 9 |
|
XU-32×200B XU-40×200B XU-50×200B |
32 40 50 |
4.80 4.95 5.54 |
156 166 171 |
78 |
48 |
36 |
50 |
140 |
117 |
f 97 |
f 86 |
f 20 |
f 28 |
f 11 |
|||
|
XU-63×200B XU-80×200B XU-100×200B |
63 80 100 |
7.62 9.60 10.9 |
188 218 238 |
92 |
62 |
42 |
60 |
160 |
137 |
f 117 |
f 106 |
f 25 |
f 32 |
f 11 |
|||
|
|
|||||||||||||||||
|
注:生产厂为沈阳六玲过滤机器有限公司、无锡液压件厂、上海高行液压件厂、远东液压配件厂。 |
|||||||||||||||||
|
表2 低压线隙式过滤器技术性能 |
|||||||||||||
|
型 号 |
通径 /mm |
额定流量 /L·min-1 |
额定 压力 |
原始压 力损失 |
允许最大 压力损失 |
过滤精度 /μm |
粘度/ 10-6m2·s-1 |
发信 电压 /V |
装置 电流 /A |
质量/kg |
|||
|
① |
② |
/MPa |
① |
② |
① |
② |
|||||||
|
XU-A25×30S |
XU-A25×30BS |
f15 |
25 |
1.6 |
0.07 |
0.35 |
30 |
30 |
36 |
0.2 |
2.77 |
2.96 |
|
|
XU-A25×50S |
XU-A25×50BS |
50 |
2.77 |
2.96 |
|||||||||
|
XU-A40×30S |
XU-A40×30BS |
f20 |
40 |
30 |
2.84 |
3.41 |
|||||||
|
XU-A40×50S |
XU-A40×50BS |
50 |
2.84 |
3.41 |
|||||||||
|
XU-A63×30S |
XU-A63×30BS |
f 25 |
63 |
30 |
3.53 |
4.63 |
|||||||
|
XU-A63×50S |
XU-A63×50BS |
50 |
3.53 |
4.63 |
|||||||||
|
XU-A100×30S |
XU-A100×30BS |
f32 |
100 |
30 |
5.18 |
5.97 |
|||||||
|
XU-A100×50S |
XU-A100×50BS |
50 |
5.18 |
5.97 |
|||||||||
|
XU-A160×30FS |
XU-A160×50FS |
f40 |
160 |
0.12 |
30 |
50 |
6.72 |
||||||
|
XU-A250×30FS |
XU-A250×50FS |
f50 |
250 |
30 |
50 |
12.5 |
|||||||
|
XU-A400×30FS |
XU-A400×50FS |
f65 |
400 |
0.15 |
30 |
50 |
13.08 |
||||||
|
XU-A630×30FS |
XU-A630×50FS |
f80 |
630 |
30 |
50 |
21.5 |
|||||||
|
XU-5×100 |
|
5 |
2.45 |
0.06 |
|
100 |
|
1.28 |
|||||
|
XU-12×100 |
12 |
2.61 |
|||||||||||
|
XU-25×100 |
25 |
4.68 |
|||||||||||
|
表3 低压线隙式管(板、法兰)连接过滤器外形尺寸 mm |
||||||||||||||||||||||||||||||||||||||||
|
型 号 |
h |
h1 |
L |
L1 |
A |
D |
d |
B |
d1 |
|||||||||||||||||||||||||||||||
|
XU-A25×30S |
236 |
182 |
110 |
60 |
120 |
f94 |
M22×1.5 |
30 |
M6 |
|||||||||||||||||||||||||||||||
|
XU-A25×50S |
||||||||||||||||||||||||||||||||||||||||
|
XU-A40×30S |
296 |
242 |
110 |
60 |
120 |
f96 |
M27×2 |
30 |
||||||||||||||||||||||||||||||||
|
XU-A40×50S |
||||||||||||||||||||||||||||||||||||||||
|
XU-A63×30S |
313 |
254 |
131 |
|
146 |
f114 |
M33×2 |
55 |
M8 |
|||||||||||||||||||||||||||||||
|
XU-A63×50S |
||||||||||||||||||||||||||||||||||||||||
|
XU-A100×30S |
422 |
358 |
131 |
|
150 |
f114 |
M42×2 |
55 |
||||||||||||||||||||||||||||||||
|
XU-A100×50S |
||||||||||||||||||||||||||||||||||||||||
|
XU-A160×30S |
449 |
380 |
148 |
|
170 |
f134 |
M48×2 |
65 |
||||||||||||||||||||||||||||||||
|
XU-A160×50S |
||||||||||||||||||||||||||||||||||||||||
|
|
型 号 |
L |
L1 |
L2 |
L3 |
L4 |
L5 |
L6 |
h |
h1 |
h2 |
D |
d |
d1 |
d2 |
|||||||||||||||||||||||||
|
XU-A25×50BS |
234 |
179 |
36 |
20 |
103 |
53 |
100 |
132 |
116 |
30 |
f96 |
f20 |
f28 |
f7 |
||||||||||||||||||||||||||
|
XU-A40×30BS |
295 |
240 |
||||||||||||||||||||||||||||||||||||||
|
XU-A40×50BS |
||||||||||||||||||||||||||||||||||||||||
|
XU-A63×30BS |
328 |
254 |
48 |
30 |
127 |
65 |
124 |
160 |
142 |
45 |
f114 |
f32 |
f40 |
f9 |
||||||||||||||||||||||||||
|
XU-A63×50BS |
||||||||||||||||||||||||||||||||||||||||
|
XU-A100×30S |
428 |
354 |
||||||||||||||||||||||||||||||||||||||
|
XU-A100×50S |
||||||||||||||||||||||||||||||||||||||||
|
型 号 |
h |
h1 |
h2 |
A |
B |
B1 |
D |
d |
d1 |
d2 |
d3 |
C |
||||||||||||||||||||||||||||
|
XU-A250×30FS |
561 |
485 |
60 |
182 |
166 |
115 |
f156 |
f50 |
M10 |
f74 |
M6 |
|
||||||||||||||||||||||||||||
|
XU-A250×50FS |
||||||||||||||||||||||||||||||||||||||||
|
XU-A400×30FS |
706 |
625 |
52 |
196 |
176 |
140 |
f168 |
f65 |
M12 |
f93 |
M6 |
85 |
||||||||||||||||||||||||||||
|
XU-A400×50FS |
||||||||||||||||||||||||||||||||||||||||
|
XU-A630×30FS |
831 |
742 |
59 |
222 |
212 |
160 |
f198 |
f80 |
M12 |
f104 |
M6 |
100 |
||||||||||||||||||||||||||||
|
XU-A630×50FS |
||||||||||||||||||||||||||||||||||||||||
|
型 号 |
L |
L1 |
D |
D1 |
h |
h1 |
d1 |
d |
||||||||||||||||||||||||||||||||
|
XU-5×100 |
85 |
72 |
f62 |
75 |
60 |
f 7 |
Z¼ |
|||||||||||||||||||||||||||||||||
|
XU-12×100 |
119 |
105 |
f92 |
100 |
80 |
|||||||||||||||||||||||||||||||||||
|
XU-25×100 |
158 |
141 |
f110 |
130 |
100 |
Z3/8 |
||||||||||||||||||||||||||||||||||
|
注:生产厂为沈阳六玲过滤机器有限公司、远东液压配件厂。 |
||||||||||||||||||||||||||||||||||||||||
|
表4 吸油口用线隙式过滤器技术性能及外形尺寸 |
|||||||||
|
型 号 |
通径 /mm |
流量 /L·min-1 |
过滤精度/μm |
原始压 力损失 /MPa |
外形尺寸/mm |
||||
|
① |
② |
① |
② |
H |
D |
M(d) |
|||
|
XU-6×80J |
XU-6×100J |
10 |
6 |
80 |
100 |
≤0.02 |
74 |
57 |
M18×1.5 |
|
XU-10×80J |
XU-10×100J |
10 |
10 |
104 |
|||||
|
XU-16×80J |
XU-16×100J |
12 |
16 |
159 |
|
||||
|
XU-25×80J |
XU-25×100J |
15 |
25 |
125 |
74 |
M22×1.5 |
|||
|
XU-40×80J |
XU-40×100J |
20 |
40 |
185 |
M27×2 |
||||
|
XU-63×80J |
XU-63×100J |
25 |
63 |
185 |
86 |
M33×2 |
|||
|
XU-100×80J |
XU-100×100J |
32 |
100 |
285 |
86 |
M42×2 |
|||
|
XU-160×80J |
XU-160×100J |
40 |
160 |
365 |
113 |
M48×2 |
|||
|
XU-250×80JF |
XU-250×100JF |
50 |
250 |
≤0.03 |
445 |
163 |
f50 |
||
|
注:生产厂为无锡液压件厂、黎明液压机电厂、远东液压配件厂。 |
|||||||||




