|
双联管夹系列 |
|||||||||||||||
|
表1 双联管夹组合及订货代号 |
|||||||||||||||
|
订货代号 TTPG—双联塑料管夹内孔凹槽型 TTPS—双联塑料管夹内孔光滑 TTNG—双联尼龙管夹内孔凹槽型 TTNS—双联尼龙管夹内孔光滑 (根据要求,请调换“订货代号”中的标准缩写“TTPG”部分) |
管夹用焊接底板固定,用外六角螺栓加盖板压紧管夹 |
管夹用焊接底板固定,用内六角螺钉加盖板压紧管夹 |
管夹用外六角螺栓加盖板与导轨螺母压紧(在导轨上) |
管夹用内六角螺钉加盖板与导轨螺母压紧(在导轨上) |
管夹用叠加螺栓加防松盖板和其他底板或叠加另一管夹压紧 |
管夹用外六角螺栓加盖板和其他底板或叠加另一管夹压紧 |
|||||||||
|
|
|
|
|
|
|
||||||||||
|
尺寸系列 |
外径/mm |
||||||||||||||
|
1 |
6 6.4 8 9.5 10 12 |
TTPG1-106 TTPG1-106.4 TTPG1-108 TTPG1-109.5 TTPG1-110 TTPG1-112 |
TTPG3-106 TTPG3-106.4 TTPG3-108 TTPG3-109.5 TTPG3-110 TTPG3-112 |
TTPG4-106 TTPG4-106.4 TTPG4-108 TTPG4-109.5 TTPG4-110 TTPG4-112 |
TTPG5-106 TTPG5-106.4 TTPG5-108 TTPG5-109.5 TTPG5-110 TTPG5-112 |
TTPG8-106 TTPG8-106.4 TTPG8-108 TTPG8-109.5 TTPG8-110 TTPG8-112 |
TTPG16-106 TTPG16-106.4 TTPG16-108 TTPG16-109.5 TTPG16-110 TTPG16-112 |
||||||||
|
2 |
12.7 13.5 14 15 16 17.2 18 |
TTPG1-212.7 TTPG1-213.5 TTPG1-214 TTPG1-215 TTPG1-216 TTPG1-217.2 TTPG1-218 |
TTPG3-212.7 TTPG3-213.5 TTPG3-214 TTPG3-215 TTPG3-216 TTPG3-217.2 TTPG3-218 |
TTPG4-212.7 TTPG4-213.5 TTPG4-214 TTPG4-215 TTPG4-216 TTPG4-217.2 TTPG4-218 |
TTPG5-212.7 TTPG5-213.5 TTPG5-214 TTPG5-215 TTPG5-216 TTPG5-217.2 TTPG5-218 |
TTPG8-212.7 TTPG8-213.5 TTPG8-214 TTPG8-215 TTPG8-216 TTPG8-217.2 TTPG8-218 |
TTPG16-212.7 TTPG16-213.5 TTPG16-214 TTPG16-215 TTPG16-216 TTPG16-217.2 TTPG16-218 |
||||||||
|
3 |
19 20 21.3 22 23 25 25.4 |
TTPG1-319 TTPG1-320 TTPG1-321.3 TTPG1-322 TTPG1-323 TTPG1-325 TTPG1-325.4 |
TTPG3-319 TTPG3-320 TTPG3-321.3 TTPG3-322 TTPG3-323 TTPG3-325 TTPG3-325.4 |
TTPG4-319 TTPG4-320 TTPG4-321.3 TTPG4-322 TTPG4-323 TTPG4-325 TTPG4-325.4 |
TTPG5-319 TTPG5-320 TTPG5-321.3 TTPG5-322 TTPG5-323 TTPG5-325 TTPG5-325.4 |
TTPG8-319 TTPG8-320 TTPG8-321.3 TTPG8-322 TTPG8-323 TTPG8-325 TTPG8-325.4 |
TTPG16-319 TTPG16-320 TTPG16-321.3 TTPG16-322 TTPG16-323 TTPG16-325 TTPG16-325.4 |
||||||||
|
4 |
26.9 28 30 |
TTPG1-426.9 TTPG1-428 TTPG1-430 |
TTPG3-426.9 TTPG3-428 TTPG3-430 |
TTPG4-426.9 TTPG4-428 TTPG4-430 |
TTPG5-426.9 TTPG5-428 TTPG5-430 |
TTPG8-426.9 TTPG8-428 TTPG8-430 |
TTPG16-426.9 TTPG16-428 TTPG16-430 |
||||||||
|
5 |
32 33.7 35 38 40 42 |
TTPG1-532 TTPG1-533.7 TTPG1-535 TTPG1-538 TTPG1-540 TTPG1-542 |
TTPG3-532 TTPG3-533.7 TTPG3-535 TTPG3-538 TTPG3-540 TTPG3-542 |
TTPG4-532 TTPG4-533.7 TTPG4-535 TTPG4-538 TTPG4-540 TTPG4-542 |
TTPG5-532 TTPG5-533.7 TTPG5-535 TTPG5-538 TTPG5-540 TTPG5-542 |
TTPG8-532 TTPG8-533.7 TTPG8-535 TTPG8-538 TTPG8-540 TTPG8-542 |
TTPG16-532 TTPG16-533.7 TTPG16-535 TTPG16-538 TTPG16-540 TTPG16-542 |
||||||||
|
注:1.双联系列管夹符合德国DIN3015第三部分要求,可应用于5种尺寸系列的一般压力管路。管夹材料有聚丙烯或尼龙6。 2.生产厂为贺德克公司、西德福公司温州黎明液压机电厂。 |
|||||||||||||||
|
|||||||||||||||
|
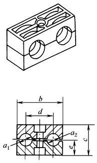
表2 零部件尺寸及订货代号(一) mm |
|||||||||||||||
|
尺 寸 系 列 |
外径 a1、a2 /mm |
|
|
|
|
||||||||||
|
TTPG型双联管夹 |
焊接底板 |
多联焊接底板 |
盖板 |
||||||||||||
|
代 号 |
b |
c |
d |
e |
代 号 |
g |
m |
代 号 |
d |
e |
代 号 |
b |
d |
||
|
1 |
6 6.4 8 9.5 10 12 |
TTPG-106 TTPG-106.4 TTPG-108 TTPG-109.5 TTPG-110 TTPG-112 |
36 |
27 |
20 |
13.5 |
TT-A1 |
37 |
M6 |
TT-D1 |
40 |
196 |
TT-G1 |
34 |
6.6 |
|
2 |
12.7 13.5 14 15 16 17.2 18 |
TTPG-212.7 TTPG-213.5 TTPG-214 TTPG-215 TTPG-216 TTPG-217.2 TTPG-218 |
53 |
26 |
29 |
13 |
TT-A2 |
55 |
M8 |
TT-D2 |
58 |
288 |
TT-G2 |
51 |
8.6 |
|
3 |
19 20 21.3 22 23 25 25.4 |
TTPG-319 TTPG-320 TTPG-321.3 TTPG-322 TTPG-323 TTPG-325 TTPG-325.4 |
67 |
37 |
36 |
18.5 |
TT-A3 |
70 |
M8 |
TT-D3 |
72 |
358 |
TT-G3 |
64 |
8.6 |
|
4 |
26.9 28 30 |
TTPG-426.9 TTPG-428 TTPG-430 |
82 |
42 |
45 |
21 |
TT-A4 |
85 |
M8 |
TT-D4 |
90 |
446 |
TT-G4 |
78 |
8.6 |
|
5 |
32 33.7 35 38 40 42 |
TTPG-532 TTPG-533.7 TTPG-535 TTPG-538 TTPG-540 TTPG-542 |
106 |
54 |
56 |
27 |
TT-A5 |
110 |
M8 |
TT-D5 |
112 |
558 |
TT-G5 |
102 |
8.6 |
|
表3 零部件尺寸及订货代号(二) mm |
|||||||||||||||
|
尺 寸 系 列 |
|
|
|
|
|
||||||||||
|
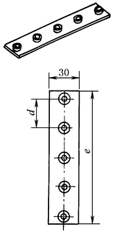
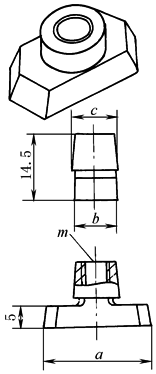
安装导轨 |
导轨螺母 |
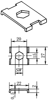
防松盖板 |
叠加螺栓 |
螺栓、螺钉 |
|||||||||||
|
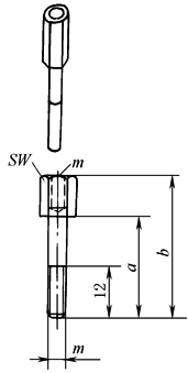
代号 |
h |
代号 |
a |
b |
c |
m |
代号 |
SW |
代号 |
a |
b |
m |
SW |
d×l |
|
|
1 |
TL-E1
TL-E2
TL-E3 |
11
14
30 |
TL-F |
25.4 |
10.4 |
12 |
M6 |
TT-L1 |
11 |
TT-H1 |
20 |
33 |
M6 |
11 |
M6×35 |
|
2 |
|
14
|
M8
|
|
|
TT-H2 |
M8
|
12
|
M8×35 |
||||||
|
3 |
TL-F |
TT-L2 |
12 |
TT-H3 |
29 |
44 |
M8×45 |
||||||||
|
4 |
|
|
|
TT-H4 |
34 |
49 |
M8×50 |
||||||||
|
5 |
|
|
|
TT-H5 |
47 |
62 |
M8×60 |
||||||||
|
型号意义: |
|
温州黎明液压机电厂还生产轻型L系列和重型H系列塑料管夹,分别符合德国DIB3015第一部分和第二部分要求,可部分替代标准JB/ZQ4008中的A系列和B系列 |
















