|
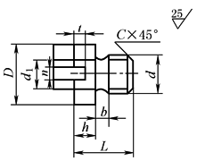
圆柱头螺塞(摘自JB/ZQ 4452—1997) |
|||||||||
|
|
材料35 标记示例 d为M12mm的圆柱头螺塞: 螺塞M12 JB/ZQ 4452—1997 技术要求:表面发蓝处理 |
||||||||
|
mm |
|||||||||
|
d |
d1 |
D |
L |
h |
n |
t |
b |
C |
质量/kg |
|
M6 |
4.5 |
9 |
12 |
4 |
1.2 |
2 |
2 |
1 |
0.003 |
|
M10 |
7.5 |
15 |
16 |
6 |
2 |
3 |
3 |
1.5 |
0.012 |
|
M12 |
9.5 |
18 |
19 |
7 |
3 |
3.5 |
4 |
1.8 |
0.020 |
|
M16 |
13 |
24 |
24 |
9 |
4 |
2 |
0.048 |
||

