|
高压螺塞(摘自JB/ZQ 4453—1997) mm |
|||||||||||||||||||||||||
|
油
用
螺
塞 |
|
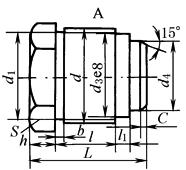
材料45,公称压力≤40MPa 标记示例 d为G11/8A的油用螺塞: 油用螺塞G11/8A JB/ZQ 4453—1997 |
|||||||||||||||||||||||
|
d |
d1 |
d2 |
h |
l |
b |
k |
L |
S |
安装尺寸 |
质量/kg |
|||||||||||||||
|
d3 |
m |
||||||||||||||||||||||||
|
G½A |
18 |
13 |
10 |
15 |
4 |
1.5 |
33.5 |
24 |
8 |
19.5 |
0.08 |
||||||||||||||
|
G5/8A |
20 |
15 |
10 |
17 |
4 |
1.5 |
35.5 |
24 |
10 |
21.5 |
0.1 |
||||||||||||||
|
G¾A |
23.5 |
18 |
12 |
19 |
4 |
1.5 |
39.5 |
30 |
12 |
23.5 |
0.15 |
||||||||||||||
|
G1A |
29 |
22 |
14 |
24 |
5 |
2 |
48 |
36 |
15 |
29 |
0.2 |
||||||||||||||
|
G11/8A |
34 |
27 |
15 |
25 |
5 |
2 |
50 |
41 |
20 |
30 |
0.4 |
||||||||||||||
|
G1¼A |
38 |
32 |
16 |
28 |
5 |
2 |
54 |
46 |
25 |
33 |
0.6 |
||||||||||||||
|
G1½A |
44 |
37 |
17 |
30 |
5 |
2 |
57 |
50 |
30 |
35 |
0.8 |
||||||||||||||
|
G1¾A |
50 |
45 |
18 |
35 |
5 |
2 |
63 |
55 |
40 |
40 |
0.9 |
||||||||||||||
|
G2A |
55 |
50 |
15 |
32 |
|
2 |
57 |
41 |
45 |
42 |
0.8 |
||||||||||||||
|
G2¼A |
62 |
56 |
16 |
34 |
|
2 |
60 |
46 |
50 |
44 |
0.9 |
||||||||||||||
|
G2½A |
71 |
65 |
18 |
40 |
|
2 |
68 |
55 |
60 |
50 |
1.7 |
||||||||||||||
|
G3A |
84 |
76 |
19 |
47 |
|
2 |
76 |
60 |
70 |
57 |
3.15 |
||||||||||||||
|
G3½A |
96 |
86 |
20 |
50 |
|
2 |
80 |
65 |
80 |
60 |
4.1 |
||||||||||||||
|
水
用
螺
塞 |
|
材料45,公称压力≤40MPa 标记示例 d为G¾A的水用螺塞: 水用螺塞G¾A JB/ZQ 4453—1997 |
|||||||||||||||||||||||
|
d |
d3 |
d4 |
d1 |
h |
l |
l1 |
C |
b |
L |
S |
安装尺寸 |
质量/kg |
|||||||||||||
|
m |
n |
p |
d5 |
||||||||||||||||||||||
|
G½A |
15 |
7.5 |
18 |
10 |
15 |
10.5 |
2 |
4 |
41.5 |
24 |
19.5 |
4 |
2 |
8 |
0.1 |
||||||||||
|
G5/8A |
18 |
9.5 |
20 |
10 |
17 |
10.5 |
2 |
4 |
43.5 |
24 |
21.5 |
4 |
2 |
10 |
0.15 |
||||||||||
|
G¾A |
20 |
11.5 |
23.5 |
12 |
19 |
10.5 |
2 |
4 |
47.5 |
30 |
23.5 |
4 |
2 |
12 |
0.3 |
||||||||||
|
G1A |
25 |
14.5 |
29 |
14 |
24 |
12 |
2 |
5 |
56 |
36 |
29 |
4 |
2 |
15 |
0.4 |
||||||||||
|
G11/8A |
30 |
19.5 |
34 |
15 |
25 |
12 |
2 |
5 |
58 |
41 |
30 |
4 |
2 |
20 |
0.55 |
||||||||||
|
G1¼A |
35 |
24.5 |
38 |
16 |
28 |
12 |
2 |
5 |
62 |
46 |
33 |
4 |
2 |
25 |
0.6 |
||||||||||
|
G1½A |
40 |
29.5 |
44 |
17 |
30 |
13 |
3 |
5 |
69 |
50 |
35 |
6 |
3 |
30 |
0.8 |
||||||||||
|
G1¾A |
45 |
34.5 |
50 |
18 |
33 |
13 |
3 |
5 |
73 |
55 |
38 |
6 |
3 |
35 |
0.95 |
||||||||||
|
G2A |
52 |
44.5 |
|
15 |
32 |
13 |
3 |
|
69 |
41 |
42 |
6 |
3 |
45 |
0.9 |
||||||||||
|
G2¼A |
58 |
49.5 |
|
16 |
34 |
13 |
3 |
|
72 |
46 |
44 |
6 |
3 |
50 |
1.0 |
||||||||||
|
G2½A |
65 |
54.5 |
|
17 |
36 |
13 |
3 |
|
75 |
50 |
46 |
6 |
3 |
55 |
1.3 |
||||||||||
|
G3A |
80 |
69.5 |
|
19 |
47 |
13 |
3 |
|
88 |
60 |
57 |
6 |
3 |
70 |
3.4 |
||||||||||
|
G3½A |
90 |
79.5 |
|
20 |
50 |
13 |
3 |
|
92 |
65 |
60 |
6 |
3 |
80 |
4.5 |
||||||||||






