|
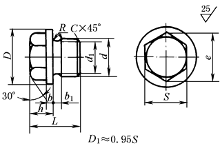
外六角螺塞(摘自JB/ZQ 4450—1997) 管螺纹外六角螺塞(PN=16MPa)(摘自JB/ZQ 4451—1997) mm |
||||||||||||||
|
外 六 角 螺 塞 |
材料35 标记示例: (a) d为M10×1的外六角螺塞: 螺塞M10×1 JB/ZQ 4450—1997 (b)d为G½A的管螺纹外六角螺塞(PN=16MPa) 螺塞G½A JB/ZQ 4451—1997 技术要求:表面发蓝处理 |
d |
d1 |
D |
e |
S |
S的极 限偏差 |
L |
h |
b |
b1 |
R |
C |
质量 /kg |
|
M12×1.25 |
10.2 |
22 |
15 |
13 |
|
24 |
12 |
3 |
3 |
1 |
1.0 |
0.032 |
||
|
M20×1.5 |
17.8 |
30 |
24.2 |
21 |
|
30 |
15 |
4 |
0.090 |
|||||
|
M24×2 |
21 |
34 |
31.2 |
27 |
32 |
16 |
4 |
1.5 |
0.145 |
|||||
|
M30×2 |
27 |
42 |
39.3 |
34 |
|
38 |
18 |
0.252 |
||||||
|
管 螺 纹 外 六 角 螺 塞 |
d |
D |
b |
h |
L |
e ≥ |
S |
S的极 限偏差 |
质量/kg |
|||||
|
G1/8A |
14 |
3 |
9 |
17 |
10.89 |
10 |
|
0.012 |
||||||
|
G¼A |
18 |
21 |
14.20 |
13 |
0.024 |
|||||||||
|
G3/8A |
22 |
18.72 |
17 |
0.038 |
||||||||||
|
G½A |
26 |
4 |
12 |
26 |
20.88 |
19 |
|
0.067 |
||||||
|
G¾A |
32 |
30 |
26.17 |
24 |
0.127 |
|||||||||
|
G1A |
39 |
5 |
16 |
32 |
29.56 |
27 |
0.195 |
|||||||
|
G1¼A |
49 |
17 |
33 |
32.95 |
30 |
0.300 |
||||||||
|
G1½A |
55 |
0.375 |
||||||||||||
|
G2A |
68 |
20 |
40 |
39.55 |
36 |
|
0.695 |
|||||||
|
G2½A |
85 |
1.020 |
||||||||||||
|
G3A |
100 |
6 |
46 |
47.30 |
41 |
1.200 |
||||||||

