|
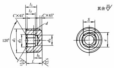
60°圆锥管螺纹内六角螺塞(PN=16MPa)(摘自JB/ZQ 4447—1997) 锥管螺纹内六角螺塞(PN=10MPa)(摘自JB/ZQ 4446—1997) |
|||||||||||||||||
|
|
材料35,公称压力:圆锥管螺纹内六角螺塞16~20MPa 锥管螺纹内六角螺塞10MPa 标记示例 (a) d为NPT¼的锥螺纹内六角螺塞: 螺塞NPT¼ JB/ZQ 4447—1997 (b) d为R¼的锥管螺纹内六角螺塞: 螺塞R¼ JB/ZQ 4446—1997 技术要求:热处理:207~229HB,表面发蓝处理 |
||||||||||||||||
|
mm |
|||||||||||||||||
|
(a)60°圆锥管螺纹内六角螺塞 |
(b)锥管螺纹内六角螺塞 |
(a)、(b) |
|||||||||||||||
|
锥螺纹 d |
d1 |
l0 |
l1 |
L |
C |
锥管螺纹 d |
d1 |
l0 |
l1 |
L |
C |
d2 |
d3 |
l2 |
S |
e |
质量/kg |
|
NPT1/8 |
10.468 |
|
4 |
8 |
1 |
R1/8 |
9.929 |
4.0 |
4 |
8 |
1 |
6 |
5 |
3.5 |
5 |
5.8 |
0.003 |
|
NPT¼ |
18.750 |
|
5 |
1.5 |
R¼ |
13.406 |
6 |
6 |
10 |
1.5 |
7.5 |
6 |
4 |
5.5 |
5.7 |
0.006 |
|
|
NPT3/8 |
17.300 |
6.096 |
6 |
10 |
R3/8 |
17.035 |
6.4 |
7 |
12 |
9.5 |
8 |
5 |
8 |
9.2 |
0.014 |
||
|
NPT½ |
21.460 |
8.128 |
8 |
12 |
R½ |
21.42 |
8.2 |
9 |
15 |
2 |
12 |
10 |
7 |
10 |
11.5 |
0.030 |
|
|
NPT¾ |
26.960 |
8.611 |
10 |
15 |
R¾ |
26.968 |
9.5 |
11 |
18 |
14 |
12 |
9 |
13 |
15 |
0.054 |
||
|
NPT1 |
33.720 |
10.160 |
12 |
18 |
2 |
R1 |
33.81 |
10.4 |
12 |
20 |
17 |
14 |
10 |
16 |
18.5 |
0.102 |
|

