|
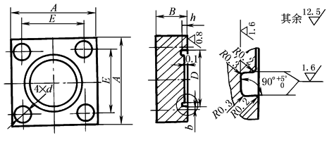
法兰盖(PN=20MPa)(摘自JB/ZQ 4489—1997) |
|||||||||||||
|
适用于公称压力PN20MPa,温度-25~80℃的介质
标记示例 公称通径DN为20mm的法兰盖:法兰盖 20 JB/ZQ 4489—1997 mm |
|||||||||||||
|
公称通径 DN |
A |
B |
D |
d |
b |
h |
E |
法兰用 螺钉 |
O形圈 (GB/T 3452.1) |
质量 /kg |
|||
|
10 |
55 |
22 |
30.3 |
11 |
3.8 |
|
1.97 |
|
36 |
±0.4 |
M10 |
25.0×2.65G |
0.45 |
|
15 |
55 |
22 |
30.3 |
11 |
3.8 |
1.97 |
40 |
M10 |
25.0×2.65G |
0.50 |
|||
|
20 |
55 |
22 |
30.3 |
11 |
3.8 |
1.97 |
40 |
M10 |
30.0×2.65G |
0.50 |
|||
|
25 |
75 |
28 |
42.6 |
13 |
5.0 |
2.75 |
56 |
M12 |
35.5×3.55G |
1.00 |
|||
|
32 |
75 |
28 |
47.1 |
13 |
5.0 |
2.75 |
56 |
M12 |
40.0×3.55G |
1.00 |
|||
|
40 |
100 |
36 |
57.1 |
18 |
5.0 |
2.75 |
73 |
M16 |
50.0×3.55G |
2.80 |
|||
|
50 |
100 |
36 |
67.1 |
18 |
5.0 |
2.75 |
73 |
M16 |
60.0×3.55G |
2.80 |
|||
|
65 |
140 |
45 |
78.1 |
24 |
5.0 |
2.75 |
103 |
M22 |
71.0×3.55G |
6.60 |
|||
|
80 |
140 |
45 |
92.1 |
24 |
5.0 |
2.75 |
103 |
M22 |
85.0×3.55G |
6.60 |
|||
|
注:1.法兰配用的螺钉按GB/T 3098.1,强度特级为8.8。 2.法兰材料为20钢。 |
|||||||||||||

