|
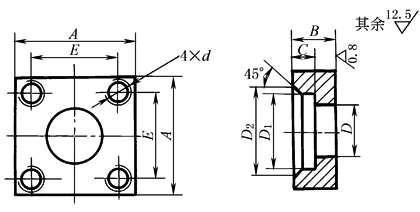
中间法兰(PN=20MPa)(摘自JB/ZQ 4488—1997) |
||||||||||||
|
适用于公称压力PN20MPa,温度-25~80℃的介质
标记示例 公称通径DN为20mm的中间法兰:中间法兰20 JB/ZQ 4488—1997 mm |
||||||||||||
|
公称直径 DN |
钢管 D0×S |
A |
B |
C |
D |
D1 |
D2 |
d |
E |
质量 /kg |
||
|
10 |
18×2 |
55 |
22 |
9 |
12 |
18.5 |
|
28 |
M10 |
36 |
±0.4 |
0.41 |
|
15 |
22×3 |
55 |
22 |
11 |
16 |
22.5 |
32 |
M10 |
40 |
0.46 |
||
|
20 |
28×4 |
55 |
22 |
12 |
20 |
28.5 |
38 |
M10 |
40 |
0.41 |
||
|
25 |
34×5 |
75 |
28 |
14 |
24 |
35 |
45 |
M12 |
56 |
0.95 |
||
|
32 |
42×6 |
75 |
28 |
16 |
30 |
43 |
55 |
M12 |
56 |
0.85 |
||
|
40 |
50×6 |
100 |
36 |
18 |
38 |
52 |
63 |
M16 |
73 |
2.12 |
||
|
50 |
63×7 |
100 |
36 |
20 |
48 |
65.5 |
75 |
M16 |
73 |
1.87 |
||
|
65 |
76×8 |
140 |
45 |
22 |
60 |
78 |
95 |
M22 |
103 |
5.32 |
||
|
80 |
89×10 |
140 |
45 |
25 |
70 |
91 |
108 |
M22 |
103 |
4.52 |
||
|
注:1.法兰配用的螺钉按GB 3098.1,强度等级为8.8。 2.该法兰与直通法兰相配,用于管道中间连接。 3.法兰材料为20钢。 |
||||||||||||

