|
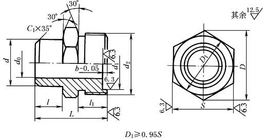
焊接式直通管接头体(摘自JB/T 988—2005) |
||||||||||||||
|
材料:35钢
标记示例 管子外径28mm的直通管接头体:接头体 28 JB/T 988—2005 mm |
||||||||||||||
|
管子 外径 |
d0 |
d |
d1 |
d2 |
L |
l |
l1 |
b |
C1 |
S |
D |
质量 /kg |
||
|
公称尺寸 |
公差 |
公称尺寸 |
公差 |
|||||||||||
|
6 |
3 |
7.5 |
8 |
|
M12×1.25 |
24 |
8 |
10 |
1.4 |
1 |
14 |
|
16.2 |
0.016 |
|
10 |
6 |
11 |
11 |
M16×1.5 |
25 |
8 |
11 |
1.5 |
17 |
19.6 |
0.027 |
|||
|
14 |
10 |
16 |
16 |
M22×1.5 |
32 |
12 |
12 |
1.8 |
22 |
|
25.4 |
0.071 |
||
|
18 |
12 |
19 |
20 |
M27×1.5 |
34 |
12 |
13 |
27 |
31.2 |
0.086 |
||||
|
22 |
15 |
22 |
24 |
M30×1.5 |
37 |
14 |
14 |
30 |
34.6 |
0.114 |
||||
|
28 |
20 |
28 |
30 |
|
M36×2 |
42 |
16 |
16 |
2.4 |
2.5 |
36 |
|
41.6 |
0.190 |
|
34 |
25 |
34 |
35 |
M42×2 |
50 |
16 |
20 |
3 |
46 |
53.1 |
0.322 |
|||
|
42 |
32 |
42 |
40 |
M52×2 |
56 |
18 |
22 |
4 |
55 |
|
63.5 |
0.613 |
||
|
50 |
36 |
50 |
45 |
M60×2 |
62 |
20 |
24 |
5 |
65 |
75 |
0.833 |
|||

