|
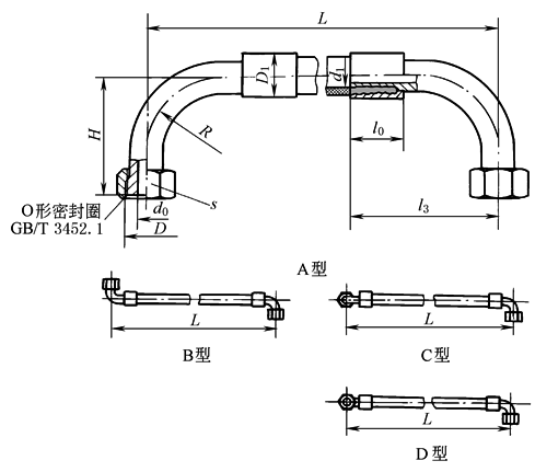
锥密封钢丝编织软管总成(摘自JB/T 6142.1~6142.4—2007) |
|||||||||||||||||||
|
锥密封钢丝编织软管总成,适用于油、水介质,介质温度为-40—100℃。
锥密封钢丝编织软管总成(JB/T 6142.1—2007)
锥密封90°钢丝编织软管总成(JB/T 6142.2—2007)
锥密封双90°钢线编织软管总成(JB/T 6142.3—2007)
锥密封45°钢丝编织软管总成(JB/T 6142.4—2007)
标记示例 1)软管内径为6.3mm,总成长度L=1000mm的锥密封Ⅲ层钢丝编织软管总成: 软管总成 6.3 Ⅲ-1000 JB/T 6142.1—2007 2)软管内径为6.3mm,总成长度L=1000mm的锥密封90°Ⅲ层钢丝编织软管总成: 软管总成 6.3 Ⅲ-1000 JB/T 6142.2—2007 3)软管内径为6.3mm,总成长度L=1000mm的A型锥密封双90°Ⅲ层钢丝编织软管总成: 软管总成 6.3A Ⅲ-1000 JB/T 6142.3—2007 4)软管内径为6.3mm,总成长度L=1000mm的锥密封45°Ⅲ层钢丝编织软管总成: 软管总成 6.3 Ⅲ-1000 JB/T 6142.4—2007 mm |
|||||||||||||||||||
|
软管 内径 |
公称 通径 DN |
工作压力 /MPa |
扣压直径 D1 |
d0 |
D |
s |
l0 |
l1 |
l3 |
R |
H |
O形橡胶 密封圈 (GB/T 3452.1) |
|||||||
|
90° 软管 总成 |
45° 软管 总成 |
90° 软管 总成 |
45° 软管 总成 |
||||||||||||||||
|
Ⅰ |
Ⅱ |
Ⅲ |
Ⅰ |
Ⅱ |
Ⅲ |
||||||||||||||
|
5 |
4 |
21 |
37 |
45 |
15 |
16.7 |
18.5 |
2.5 |
M16×1.5 |
21 |
26 |
53 |
55 |
63 |
20 |
50 |
15 |
6.3×1.8 |
|
|
6.3 |
6 |
20 |
35 |
40 |
17 |
18.7 |
20.5 |
3.5 |
M18×1.5 |
24 |
37 |
65 |
70 |
74 |
20 |
50 |
26 |
8.5×1.8 |
|
|
8 |
8 |
17.5 |
30 |
33 |
19 |
20.7 |
22.5 |
5 |
M20×1.5 |
24 |
38 |
68 |
75 |
80 |
24 |
55 |
28 |
10.6×1.8 |
|
|
10 |
10 |
16 |
28 |
31 |
21 |
22.7 |
24.5 |
7 |
M22×1.5 |
27 |
38 |
69 |
80 |
83 |
28 |
60 |
30 |
12.5×1.8 |
|
|
12.5 |
10 |
14 |
25 |
27 |
25.2 |
28.0 |
29.5 |
8 |
M24×1.5 |
30 |
44 |
76 |
90 |
93 |
32 |
65 |
32 |
13.2×2.65 |
|
|
16 |
15 |
10.5 |
20 |
22 |
28.2 |
31 |
32.5 |
10 |
M30×2 |
36 |
44 |
82 |
105 |
108 |
45 |
85 |
40 |
17.0×2.65 |
|
|
19 |
20 |
9 |
16 |
18 |
31.2 |
34 |
35.5 |
13 |
M33×2 |
41 |
50 |
88 |
115 |
118 |
50 |
90 |
42 |
19.0×2.65 |
|
|
22 |
20 |
8 |
14 |
16 |
34.2 |
37 |
38.5 |
17 |
M36×2 |
46 |
50 |
92 |
125 |
126 |
57 |
100 |
46 |
22.4×2.65 |
|
|
25 |
25 |
7 |
13 |
15 |
38.2 |
40 |
41.5 |
19 |
M42×2 |
50 |
54 |
100 |
145 |
145 |
72 |
120 |
54 |
26.5×3.55 |
|
|
31.5 |
32 |
4.4 |
11 |
12 |
46.5 |
48 |
49.5 |
24 |
M52×2 |
60 |
60 |
115 |
175 |
175 |
90 |
145 |
65 |
34.5×3.55 |
|
|
38 |
40 |
3.5 |
9 |
— |
52.5 |
54 |
— |
30 |
M56×2 |
65 |
64 |
120 |
185 |
182 |
95 |
155 |
67 |
37.5×3.55 |
|
|
51 |
50 |
2.6 |
8 |
— |
67.0 |
68.5 |
— |
40 |
M64×2 |
75 |
75 |
145 |
230 |
218 |
125 |
200 |
80 |
47.5×3.55 |
|
|
软管内径 |
两 端 质 量 /kg |
|||||||||||||||||||||||||||||||||
|
钢丝编织软管总成 (JB/T 6142.1) |
90°钢丝编织软管总成 (JB/T 6142.2) |
双90°钢丝编织软管总成 (JB/T 6142.3) |
45°钢丝编织软管总成 (JB/T 6142.4) |
|||||||||||||||||||||||||||||||
|
Ⅰ |
Ⅱ |
Ⅲ |
Ⅰ |
Ⅱ |
Ⅲ |
Ⅰ |
Ⅱ |
Ⅲ |
Ⅰ |
Ⅱ |
Ⅲ |
|||||||||||||||||||||||
|
5 |
0.14 |
0.16 |
0.18 |
0.16 |
0.18 |
0.20 |
0.20 |
0.22 |
0.24 |
0.14 |
0.16 |
0.18 |
||||||||||||||||||||||
|
6.3 |
0.20 |
0.22 |
0.24 |
0.18 |
0.20 |
0.22 |
0.28 |
0.30 |
0.32 |
0.16 |
0.18 |
0.20 |
||||||||||||||||||||||
|
8 |
0.28 |
0.30 |
0.32 |
0.32 |
0.34 |
0.36 |
0.44 |
0.45 |
0.46 |
0.30 |
0.32 |
0.34 |
||||||||||||||||||||||
|
10 |
0.34 |
0.36 |
0.38 |
0.44 |
0.45 |
0.46 |
0.58 |
0.63 |
0.65 |
0.42 |
0.43 |
0.45 |
||||||||||||||||||||||
|
12.5 |
0.46 |
0.50 |
0.56 |
0.49 |
0.51 |
0.54 |
0.60 |
0.66 |
0.71 |
0.47 |
0.49 |
0.51 |
||||||||||||||||||||||
|
16 |
0.60 |
0.64 |
0.68 |
0.60 |
0.62 |
0.64 |
0.74 |
0.75 |
0.82 |
0.58 |
0.60 |
0.62 |
||||||||||||||||||||||
|
19 |
0.78 |
0.84 |
0.90 |
0.85 |
0.88 |
0.90 |
1.05 |
1.10 |
1.14 |
0.81 |
0.84 |
0.86 |
||||||||||||||||||||||
|
22 |
1.10 |
1.12 |
1.14 |
1.30 |
1.33 |
1.35 |
1.40 |
1.44 |
1.52 |
1.25 |
1.28 |
1.32 |
||||||||||||||||||||||
|
25 |
1.32 |
1.34 |
1.38 |
1.75 |
1.78 |
1.82 |
2.40 |
2.45 |
2.62 |
1.68 |
1.72 |
1.75 |
||||||||||||||||||||||
|
31.5 |
1.64 |
1.66 |
1.68 |
2.05 |
2.08 |
2.10 |
3.00 |
3.14 |
3.25 |
1.92 |
1.94 |
1.96 |
||||||||||||||||||||||
|
38 |
2.00 |
2.10 |
— |
3.05 |
3.15 |
— |
5.80 |
5.86 |
— |
2.95 |
3.00 |
— |
||||||||||||||||||||||
|
51 |
3.90 |
4.00 |
— |
6.10 |
6.20 |
— |
8.42 |
8.50 |
— |
5.85 |
5.92 |
— |
||||||||||||||||||||||
|
软 管 总 成 推 荐 长 度 |
总成长度L |
320 |
360 |
400 |
450 |
500 |
560 |
630 |
710 |
800 |
900 |
1000 |
1120 |
1250 |
||||||||||||||||||||
|
偏 差 |
|
|
|
|||||||||||||||||||||||||||||||
|
总成长度L |
1400 |
1600 |
1800 |
2000 |
2240 |
2500 |
2800 |
3000 |
4000~5000 |
≥5000 |
||||||||||||||||||||||||
|
偏 差 |
|
|
|
|||||||||||||||||||||||||||||||




