|
3FJLZ-L20-130H型自调式分流集流阀 |
||||||
|
该阀流量可在给定范围内自动调整,用于保证两个或两个以上液压执行机构在外载荷不等的情况下实现同步 型号意义:
技术规格及外形尺寸 |
||||||
|
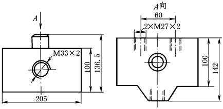
型 号 |
额定流量 /L·min-1 |
公称压力 /MPa |
同步精度 /% |
主油路 |
分油路 |
|
|
连接螺纹 |
||||||
|
3FJLZ-L20-130H |
20~130 |
20 |
1~3 |
M33×2 |
M27×2 |
|
|
备 注 |
生产厂:四平液压件厂 |
|||||


