|
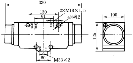
3FJLK-L10-50H型可调分流集流阀 |
||||||
|
型号意义:
技术规格及外形尺寸 |
||||||
|
型 号 |
额定流量 /L·min-1 |
公称 压力 /MPa |
同步 精度 /% |
主油路 |
分油路 |
|
|
连接螺纹 |
||||||
|
3FJLK-L10-50H |
10~50 |
21 |
1 |
M33×2 |
M18×1.5 |
|
|
备 注 |
生产厂:四平液压件厂 |
|||||


