|
3FL-L30※型分流阀 |
||||||
|
型号意义:
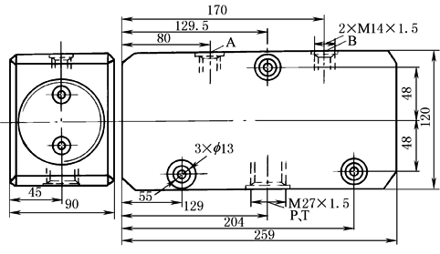
技术规格及外形尺寸 |
||||||
|
型 号 |
额定 流量 /L·min-1 |
公称 压力 /MPa |
同步 精度 /% |
主油路 |
分油路 |
|
|
连接螺纹 |
||||||
|
3FL-L30B |
30 |
7 |
1~3 |
M27×1.5 |
M14×1.5 |
|
|
3FL-L25H |
25 |
32 |
M28×1.5 |
|||
|
3FL-L50H |
50 |
M22×1.5 |
M18×1.5 |
|||
|
3FL-L63H |
63 |
|||||
|
备 注 |
生产厂:四平液压件厂 |
|||||


