|
FL、FDL、FJL型分流集流阀 |
|||||||||||
|
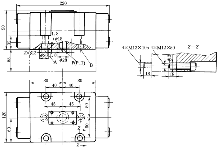
FL、FDL、FJL型分流集流阀又称同步阀,内部设有压力反馈机构,在液压系统中可使由同一台泵供油的2~4只液压缸或液压马达,不论负载怎样变化,基本上能达到同步运行。该阀具有结构紧凑、体积小、维护方便等特点 FL型分流阀按固定比例自动将油流分成两个支流,使执行元件一个方向同步运行。FDL型单向分流阀在油流反向流动时,油经单向阀流出,可减少压力损失。FJL型分流集流阀按固定比例自动分配或集中两股油流,使执行元件双向同步运行 这种阀安装时应尽量保持阀心轴线在水平位置,否则会影响同步精度,不许阀芯轴线垂直安装。当使用流量大于阀的公称流量时,流经阀的能量损失增大,但速度同步精度有所提高,若低于公称流量则能量损失减小,但速度同步精度降低 型号意义:
技术规格及外形尺寸:
表1 |
|||||||||||
|
名 称 |
型 号 |
公称通径 /mm |
公称流量 /L·min-1 |
公称压力 /MPa |
连接方式 |
速度同步误差/% ≤ |
质量 /kg |
||||
|
A、B口负载压差/MPa |
|||||||||||
|
P、O |
A、B |
≤1.0 |
≤6.3 |
≤20 |
≤30 |
||||||
|
分流集流阀 |
FJL-B10H FJL-B15H FJL-B20H |
10 15 20 |
40 63 100 |
20 31.5 50 |
最高 32、 最低 2 |
板
式 |
0.7 |
1 |
2 |
3 |
13.8 |
|
分流阀 |
FL-B10H FL-B15H FL-B20H |
10 15 20 |
40 63 100 |
20 31.5 50 |
13.5 |
||||||
|
单向分流阀 |
FDL-B10H FDL-B15H FDL-B20H |
10 15 20 |
40 63 100 |
20 31.5 50 |
14 |
||||||
|
注:1.FDL-B※H-S型系列单向分流阀高度方向尺寸见双点划线部分。 2.生产厂为上海液压件二厂。 |
|||||||||||
|
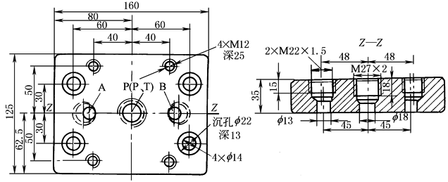
表2 安装底板 |
|||
|
|
阀型号 |
底板型号 |
生产厂 |
|
FL-B※H-S FDL-B※H-S FJL-B※H-S |
FLA-B10-S |
上海液压件二厂 |
|



