|
AF6型压力表开关 |
|
压力表开关是小型截止阀或节流阀。主要用于切断油路与压力表的连接,或者调节其开口大小起阻尼作用,减缓压力表急剧抖动,防止损坏 型号意义:
|
|
外形尺寸:
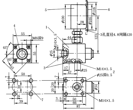
图 AF6型压力表开关外形尺寸 1—压力表开关;2—压力油口(与泵连接);3—回油口,可任选;4—按钮; 5—压力表;6—固定板;7—面板开口 |
|
技术规格 |
|
|
介 质 |
矿物油、磷酸酯 |
|
介质温度/℃ 介质粘度/m2·s-1 工作压力/MPa 压力表指示范围/MPa |
-20~70 (2.8~380)×10-6 约31.5 6.3、10、16、25、40(指示范围应超过最大工作压力约30%) |
|
注:生产厂为北京华德液压集团液压阀分公司、上海立新液压公司。 |
|


