|
MS2型六点压力表开关 |
|
型号意义:
|
|
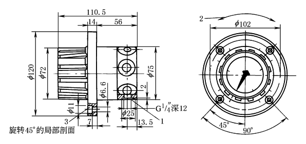
图 MS2型六点压力表开关外形尺寸 1—6个测试口和1个回油口沿圆周均匀分布;2—顺或逆时针方向转动旋钮, 便可直接读数,零点安排在指示点中间;3—4个固定螺栓孔 |
|
技术规格 |
|||||
|
最高允许工作压力/MPa |
31.5最高允许工作压力与内装压力表的刻度值一致。该压力与压力表实际极限刻度间的区域用红色表示 |
回油口最高允许背压/MPa |
1 |
||
|
内装压力表指示精度 |
20℃时,内装压力表的指示精度为红色刻度值的1.6%,温度每上升10℃,就产生+3%红色刻度指示误差,温度每下降10℃,就产生-3%的红色刻度指示误差 |
||||
|
介质 |
矿物油 |
介质粘度/m2·s-1 |
(23.8~380)×10-6 |
||
|
介质温度/℃ |
-20~70 |
重量/kg |
1.7 |
||
|
注:生产厂为北京华德液压集团液压阀分公司、上海立新液压公司。 |
|||||


