|
CJZQ型球芯截止阀 |
|
型号意义:
|
|
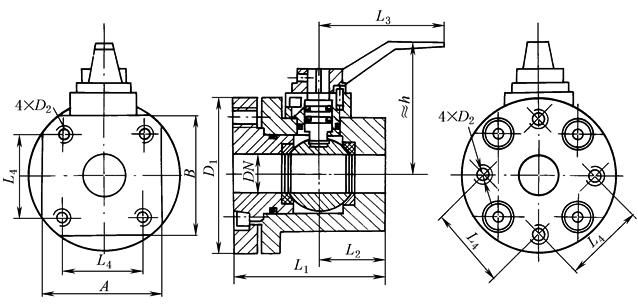
外形尺寸 mm |
|||||||||||||||||||||||
|
|
结 构 及 外 形 图 |
型 号 |
通径 |
压力/MPa |
|||||||||||||||||||
|
法
兰
连
接 |
|
|
10 |
H:31.5 F:21 |
|||||||||||||||||||
|
|
15 |
||||||||||||||||||||||
|
|
20 |
||||||||||||||||||||||
|
|
25 |
||||||||||||||||||||||
|
|
32 |
||||||||||||||||||||||
|
CJZ-F50 |
50 |
21 |
|||||||||||||||||||||
|
CJZ-F80 |
80 |
||||||||||||||||||||||
|
型 号 |
DN |
L1 |
L2 |
L3 |
|||||||||||||||||||
|
CJZQ-H10F |
10 |
91 |
37 |
56 |
|||||||||||||||||||
|
CJZQ-H15F |
15 |
88 |
65 |
||||||||||||||||||||
|
CJZQ-H20F |
20 |
97 |
75 |
||||||||||||||||||||
|
CJZQ-H25F |
25 |
111 |
48 |
88 |
|||||||||||||||||||
|
CJZQ-H32F |
32 |
131 |
54 |
105 |
|||||||||||||||||||
|
型 号 |
L4 |
L5 |
D |
h |
|||||||||||||||||||
|
CJZQ-H10F |
28.3 |
100 |
M8 |
55 |
|||||||||||||||||||
|
CJZQ-H15F |
35.4 |
120 |
59 |
||||||||||||||||||||
|
CJZQ-H20F |
43.8 |
141 |
M10 |
70 |
|||||||||||||||||||
|
CJZQ-H25F |
51.6 |
160 |
M12 |
80 |
|||||||||||||||||||
|
CJZQ-H32F |
60.1 |
180 |
M14 |
87 |
|||||||||||||||||||
|
型 号 |
DN |
L1 |
L2 |
L3 |
L4 |
D1 |
D2 |
A×B |
h |
||||||||||||||
|
CJZQ-F50F |
50 |
170 |
75 |
200 |
83.4 |
f156 |
M20 |
120×125 |
140 |
||||||||||||||
|
CJZQ-F80F |
80 |
225 |
95 |
300 |
113.1 |
f218 |
M24 |
182×182 |
190 |
||||||||||||||
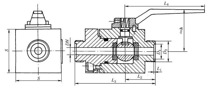
|
螺
纹
连
接 |
|
||||||||||||||||||||||
|
型 号 |
DN |
L1 |
L2 |
L3 |
L4 |
D1 |
D2 |
S×S |
h |
||||||||||||||
|
CJZQ-H10L |
10 |
|
38 |
100 |
100 |
|
M27×1.5 |
56×56 |
55 |
||||||||||||||
|
CJZQ-H15L |
15 |
|
41 |
105 |
120 |
|
M30×1.5 |
60×60 |
59 |
||||||||||||||
|
CJZQ-H20L |
20 |
|
47 |
121 |
140 |
|
M36×2 |
70×70 |
70 |
||||||||||||||
|
CJZQ-H25L |
25 |
|
55 |
135 |
160 |
|
M42×2 |
75×75 |
80 |
||||||||||||||
|
CJZQ-H32L |
32 |
|
64 |
160 |
180 |
|
M52×2 |
90×90 |
87 |
||||||||||||||
|
注:1.适用介质为矿物油、水-乙二醇、油包水及水包油乳化液。 2.本阀严禁作节流阀使用。 3.生产厂为奉化市朝日液压公司、奉化新华液压件厂。 |
|||||||||||||||||||||||





