|
二通插装阀安装连接尺寸 |
||||||||||
|
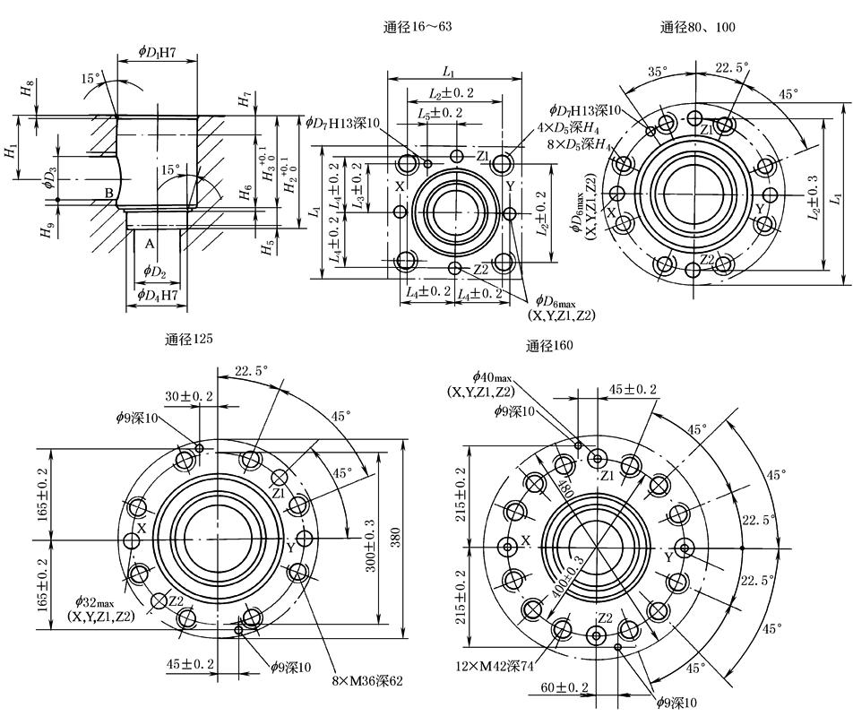
各系列插装阀的插装主件安装连接尺寸均符合GB/T2877、ISO/DP7368、DIN24342标准。国内产品和德国博世力士乐、日本油研公司、美国威格士公司等产品的安装连接尺寸一致,详见下表 插装阀安装连接尺寸
mm |
||||||||||
|
尺 寸 |
规 格 |
|||||||||
|
16 |
25 |
32 |
40 |
50 |
63 |
80 |
100 |
125 |
160 |
|
|
D1 |
32 |
45 |
60 |
75 |
90 |
120 |
145 |
180 |
225 |
300 |
|
D2 |
16 |
25 |
32 |
40 |
50 |
63 |
80 |
100 |
150 |
200 |
|
D3 |
16 |
25 |
32 |
40 |
50 |
63 |
80 |
100 |
125 |
200 |
|
D4 |
25 |
34 |
45 |
55 |
68 |
90 |
110 |
135 |
200 |
270 |
|
D5 |
M8 |
M12 |
M16 |
M20 |
M20 |
M30 |
M24 |
M30 |
— |
— |
|
D6 |
4 |
6 |
8 |
10 |
10 |
12 |
16 |
20 |
— |
— |
|
D7 |
4 |
6 |
6 |
6 |
8 |
8 |
10 |
10 |
— |
— |
|
H1 |
34 |
44 |
52 |
64 |
72 |
95 |
130 |
155 |
192 |
268 |
|
H2 |
56 |
72 |
85 |
105 |
122 |
155 |
205 |
245 |
|
|
|
H3 |
43 |
58 |
70 |
87 |
100 |
130 |
175±0.2 |
210±0.2 |
257±0.5 |
370±0.5 |
|
H4 |
20 |
25 |
35 |
45 |
45 |
65 |
50 |
63 |
— |
— |
|
H5 |
11 |
12 |
13 |
15 |
17 |
20 |
25 |
29 |
31 |
45 |
|
H6 |
2 |
2.5 |
2.5 |
3 |
3 |
4 |
5 |
5 |
7±0.5 |
8±0.5 |
|
H7 |
20 |
30 |
30 |
30 |
35 |
40 |
40 |
50 |
40 |
50 |
|
H8 |
2 |
2.5 |
2.5 |
3 |
4 |
4 |
5 |
5 |
5.5±0.2 |
5.5±0.2 |
|
H9 |
0.5 |
1 |
1.5 |
2.5 |
2.5 |
3 |
4.5 |
4.5 |
2 |
2 |
|
L1 |
65/80 |
85 |
102 |
125 |
140 |
180 |
250 |
300 |
— |
— |
|
L2 |
46 |
58 |
70 |
85 |
100 |
125 |
200 |
245 |
— |
— |
|
L3 |
23 |
29 |
35 |
42.5 |
50 |
62.5 |
— |
— |
— |
— |
|
L4 |
25 |
33 |
41 |
50 |
58 |
75 |
— |
— |
— |
— |
|
L5 |
10.5 |
16 |
17 |
23 |
30 |
38 |
— |
— |
— |
— |

