|
LD、LDS、LB、LBS型插装阀及组件 |
|||||||||||||
|
(1) LD型方向插装阀、方向-流量插装阀 型号意义:
注:1.主阀芯形状。无缓冲式适用于高速转换,带缓冲式适用于无冲击转换。作为方向-流量插装阀时,务必使用带缓冲的主阀芯。 2.节流标记和节流孔直径见下表 |
|||||||||||||
|
节流标记 |
05 |
06 |
08 |
10 |
12 |
14 |
16 |
18 |
20 |
25 |
32 |
40 |
50 |
|
节流孔直径/mm |
0.5 |
0.6 |
0.8 |
1.0 |
1.2 |
1.4 |
1.6 |
1.8 |
2.0 |
2.5 |
3.2 |
4.0 |
5.0 |
|
表1 技术规格 |
|||||
|
型 号 |
额定流量/L·min-1 |
最高使用压力/MPa |
开启压力/MPa |
主阀面积比 |
重量/kg |
|
LD-16 |
130 |
31.5 |
无记号:无弹簧 05︰0.5(A→B)[1(B→A)] 20︰2(A→B)[4(B→A)] |
2︰1 (环状面积50%) |
1.3 |
|
LD-25 |
350 |
3.0 |
|||
|
LD-32 |
500 |
5.3 |
|||
|
LD-40 |
850 |
9.1 |
|||
|
LD-50 |
1400 |
14.8 |
|||
|
LD-63 |
2100 |
29.8 |
|||
|
LD-80 |
3400 |
48 |
|||
|
LD-100 |
5500 |
86 |
|||
|
注:1.额定流量是压力下降值为0.3MPa时的流量。 2.生产厂为榆次油研液压有限公司。 |
|||||
|
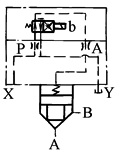
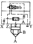
表2 阀盖型式及图形符号 |
|||||||
|
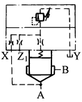
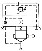
类别 |
阀盖型式 |
图形符号 |
节流位置 |
类别 |
阀盖型式 |
图形符号 |
节流位置 |
|
方 向 插 装 阀 |
无记号:标准 |
|
X |
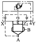
方 向 、 流 量 插 装 阀 |
1:带行程调整 |
|
X |
|
4:带单向阀 |
|
Z1 S |
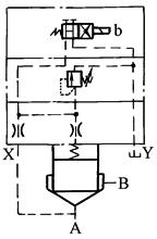
2:带单向阀行程调整 |
|
Z1 S |
||
|
5:带梭阀 |
|
X Z1 |
3:带梭阀的行程调整 |
|
X Z1 |
||
|
(2) LDS型带电磁换向阀的方向插装阀 |
|
型号意义:
|
|
表3 技术规格 |
|||||
|
型 号 |
额定流量/L·min-1 |
最高使用压力/MPa |
开启压力/MPa |
主阀面积比 |
重量/kg |
|
LDS-25 |
350 |
31.5 |
无标记:无弹簧 5︰0.5(A→B)[1(B→A)] 20︰2(A→B)[4(B→A)] |
2︰1(环状面积) 50% |
4.4 |
|
LDS-32 |
500 |
6.7 |
|||
|
LDS-40 |
850 |
10.5 |
|||
|
LDS-50 |
1400 |
18.6 |
|||
|
LDS-63 |
2100 |
33.6 |
|||
|
注:额定流量是指压力下降值为0.3MPa时的值。 |
|||||
|
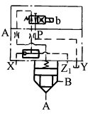
表4 阀盖型式及图形符号 |
||||||
|
阀盖型式 |
1.常闭 |
2.常开 |
3.常闭(带梭阀) |
4.常开(带梭阀) |
5.常闭(带梭阀) |
6.常开(带梭阀) |
|
图形符号 |
|
|
|
|
|
|
|
节流位置 |
PA |
PB |
PA |
PB |
XA |
XB |
|
(3) LB型溢流插装阀 |
|
型号意义:
|
|
表5 技术规格 |
|||||
|
型 号 |
最高使用压力/MPa |
压力调整范围/MPa |
最大流量/L·min-1 |
重量/kg |
最小流量/L·min-1 |
|
LB-16-※-※-10 |
31.5 |
约31.5 |
125 |
3.6 |
5 |
|
LB-25-※-※-10 |
250 |
4.5 |
|||
|
LB-32-※-※-11 |
500 |
6.7 |
8 |
||
|
LB-50-※-※-11 |
1200 |
16.1 |
10 |
||
|
注:小流量场合时的设定压力往往不稳定,请按上表最小流量使用;压力在25MPa以上时,所有品种都应在15L/min以上使用。 |
|||||
|
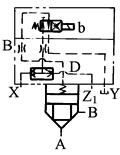
表6 阀盖型式及图形符号 |
|||
|
阀盖型式 |
标 准 |
Z1泄油控制 |
Z2泄油控制 |
|
图形符号 |
|
|
|
|
(4) LBS型带电磁换向阀的溢流插装阀 |
|
型号意义:
|
|
表7 技术规格 |
|||
|
型 号 |
最高使用压力/MPa |
压力调整范围/MPa |
最大流量/L·min-1 |
|
LBS-16-※-※-※-10 |
31.5 |
约31.5 |
125 |
|
LBS-25-※-※-※-10 |
250 |
||
|
LBS-32-※-※-※-11 |
500 |
||
|
LBS-50-※-※-※-11 |
1200 |
||
|
表8 阀盖型式及图形符号 |
|||
|
0:无电磁换向阀 |
1:卸荷用(常闭) |
2:卸荷用(常开) |
3:带冲击防止阀(常闭) |
|
4:带冲击防止阀(常开) |
5:2级压力控制 |
6:3级压力控制 |
7:带卸荷的2级压力控制 |
|
注:生产厂为榆次油研液压公司 |
|||
|
插装阀及组件的外形尺寸见生产厂产品样本 其他型号的二通插装阀及集成阀块的生产厂有:上海液压成套公司、天津高压泵阀厂等按VICKERS公司技术生产的CVI插装阀主阀、CVC控制盖板和插装阀块;北京中冶迈克液压有限责任公司生产的JK3系列插装阀及组件等 以上介绍的均为阀盖板连接方式,另还有螺纹连接方式的螺纹插装阀产品,特点是安装方便、体积也较小。VICKERS公司生产的螺纹插装阀品种较全,有溢流、减压、换向、节流、比例等多种功能,详见该公司产品样本 各生产厂均可向用户单独提供插装元件、控制盖板或集成阀块。对还不熟悉插装阀的设计人员可按普通(滑阀型)液压控制阀绘制液压系统原理图,并提出主机对液压控制的工艺要求向插装阀生产厂联系 |



























