|
压力控制二通插装阀 |
|||||||||||||||
|
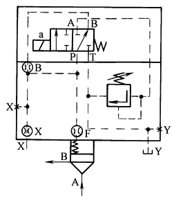
1) 溢流功能 型号意义 LC型插装件
LFA型控制盖板
|
|||||||||||||||
|
表1 技术规格 |
|||||||||||||||
|
LC 插 装 件 |
油口A和B的工作压力 |
最高可达42MPa |
|||||||||||||
|
规格 |
16 |
25 |
32 |
40 |
50 |
63 |
80 |
100 |
|||||||
|
最大流量(推荐) |
L/min |
||||||||||||||
|
座阀插件 |
LC…DB…E6X/… LC…DB…A6X/… |
250 |
400 |
600 |
1000 |
1600 |
2500 |
4500 |
7000 |
||||||
|
滑阀插件 |
LC…DB…D6X/… LC…DB…B6X/… |
175 |
300 |
450 |
700 |
1400 |
1750 |
3200 |
4900 |
||||||
|
LFA 控 制 盖 板 |
最高工作压力/MPa |
||||||||||||||
|
LFA型规格
油口 |
…DB… 16…100 |
…DBW… |
…DBS… |
…DBU… |
…DBE… …DBEM… 16…100 |
…DBETR… …DBEMTR… 16…100 |
|||||||||
|
16…32 |
40…63 |
80,100 |
40…63 |
80,100 |
16…63 |
80,100 |
|||||||||
|
…X |
40.0 |
40.0 |
31.5 |
31.5 |
40.0 |
31.5 |
35.0 |
||||||||
|
Y, T |
当控制压力时 |
在零压(最高可达=0.2MPa) |
|||||||||||||
|
静态 |
31.5 |
10.0 |
16.0(DC) 10.0(AC) |
16.0(DC) 10.0(AC) |
16.0 |
10.0 |
5.0 |
16.0(DC) 10.0(AC) |
16.0 |
10.0 |
31.5 |
||||
|
最高工作压力极 限取决于先导阀的 允许压力 |
DBD… |
座阀, 规格6 |
滑阀, 规格6 |
滑阀, 规格6 |
滑阀, 规格10 |
座阀, 规格6 |
座阀, 规格6 |
滑阀, 规格6 |
滑阀, 规格10 |
DBET |
DBETR |
||||
|
油液 |
矿物质液压油、磷酸酯液压油 |
||||||||||||||
|
油温范围/℃ |
-20~80 |
||||||||||||||
|
粘度范围/m2·s-1 |
(2.8~380)×10-6 |
||||||||||||||
|
注:生产厂:北京华德液压集团液压阀分公司。 |
|||||||||||||||
|
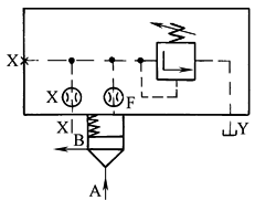
座阀 LC…DB…E6X |
带节流孔座阀 LC…DB…A6X |
座阀滑阀 LC…DB…D6X |
带节流口座阀滑阀 LC…DB…B6X |
|
|
|
|
|
|
图1 插装图形符号 |
|||
|
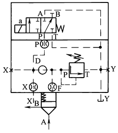
LFA…DB…-…/…规格16…100 |
LFA…DBW…-…/…规格16…32 |
LFA…DBW…-…/…规格40…100 |
|
|
|
|
|
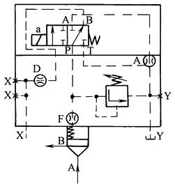
LFA…DBS…-…/…规格40…100 |
LFA…DBWD…-…/…规格16…100 |
LFA…DBU2A…-…/…规格16…100 |
|
|
|
|
|
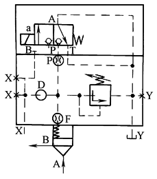
LFA…DBU3D…-…/…规格16…100 |
LFA…DBE(TR)…-…/…规格16…63 |
LFA…DBEM(TR)…-…/…规格16…100 |
|
|
|
|
|
图2 LFA型控制盖板及插装阀图形符号(溢流) |
||
|
2) 减压功能 |
|||||||
|
① 常开特性 型号意义: LC型插装件
|
|||||||
|
表2 技术规格 |
|||||||
|
油口A和油口B的工作压力/MPa |
31.5 |
||||||
|
规格 |
16 |
25 |
32 |
40 |
50 |
63 |
|
|
最大流量/L·min-1 |
LC…DR20…6X/… |
40 |
80 |
120 |
250 |
400 |
800 |
|
LC…DR40…6X/… |
60 |
120 |
180 |
400 |
600 |
1000 |
|
|
LC…DR50…6X/… |
100 |
200 |
300 |
650 |
800 |
1300 |
|
|
LC…DR80…6X/… |
150 |
270 |
450 |
900 |
1100 |
1700 |
|
|
油液 |
矿物质液压油,磷酸酯液压油 |
||||||
|
油温范围/℃ |
-20~80 |
||||||
|
黏度范围/m2·s-1 |
(2.8~380)×10-6 |
||||||
|
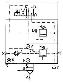
LC…DR…型2通插装阀与(溢流功能所用者相同的)LFA…DB型控制盖板相结合构成常开特性的减压功能 图3 减压插装阀图形符号(常开) ② 常闭特性 型号意义: LFA型控制盖板 |
|
表3 技术规格 |
||||
|
项 目 |
控制盖板型式 |
|||
|
LFA…DR-6X/… LFA…DRW-6X/… |
LFA…DRE-6X/… |
|||
|
最 高 工 作 压 力 在 油 口 … |
…X(主级压力) |
31.5 MPa |
31.5 MPa/35.0 MPa |
|
|
…Y(二级压力=最高设定压力) |
31.5 MPa |
31.5 MPa/35.0 MPa |
||
|
…Z2 |
当控制压力 |
零点压力(最高可达0.2MPa) |
||
|
静态 |
6.0 MPa |
31.5 MPa |
||
|
…T |
当控制压力 |
|
零点压力 (最高可达0.2MPa) |
|
|
静态(对应于先导阀允许的回油压力) |
|
10 MPa(DBET) 31.5 MPa(DBETR) |
||
|
油液 |
矿物质液压油;磷酸酯液压油 |
|||
|
油温范围/℃ |
-20~80 |
|||
|
粘度范围/m2·s-1 |
(2.8~380)×10-6 |
|||
|
注:生产厂:北京华德液压集团液压阀分公司。 |
||||
|
LFA…DR…型控制盖板与LC…DB40D…型2通插装阀相结合构成常闭特性的减压功能
|
||||||||||||||||||||
|
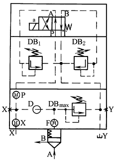
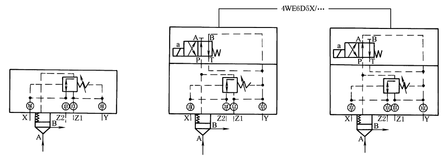
③ 顺序功能 型号意义: LFA型控制盖板 |
|||||
|
|
|||||
|
表4 技术规格 |
|||||
|
项 目 |
控 制 盖 板 型 号 |
||||
|
LFA…DZ-6X/… |
LFA…DZW-6X/… |
||||
|
/… /…X |
/…Y /…XY |
||||
|
最 高 工 作 压 力 在 油 口 |
…X;…Z2 |
31.5MPa |
|||
|
…Y |
当控制压力 |
在零压(最高可达约0.2MPa) |
|||
|
静态 |
31.5MPa |
16.0MPa(DC)① 10.0MPa(AC)① |
|||
|
…Z1 |
当控制压力 |
在零压(最高可达约0.2MPa) |
|||
|
静态 |
31.5MPa |
16.0MPa(DC)① 10.0MPa(AC)① |
31.5MPa |
||
|
可设定顺序压力
|
21.0MPa 31.5MPa 35.0MPa |
||||
|
油液 |
矿物质液压油;磷酸酯液压油 |
||||
|
油温范围/℃ |
-20~80 |
||||
|
粘度范围/m2·s-1 |
(2.8~380)×10-6 |
||||
|
① 对于4WE 6D的最高值。 注:生产厂为北京华德液压集团液压阀分公司。 |
|||||
|
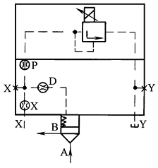
LFA…DZ…型控制盖板和LC…DB…型2通插装阀相结合用于顺序功能
图6 LFA控制盖板功能符合(顺序) 3) 外形尺寸 L型压力控制二通插装阀外形尺寸见生产厂产品样本。 |


















