|
方向控制二通插装阀 |
|
二通插装阀包括LC型插装件和LFA型控制盖板,连接尺寸符合DIN24342、GB/T2877、ISO/DP7368。 L系列插装阀包括方向控制和压力控制两种,压力控制插装阀又有溢流、减压、顺序等功能。 |
|
方向控制二通插装阀 1) 型号意义 LC型插装件
|
|
LFA型控制盖板
|
|
2) 技术特性
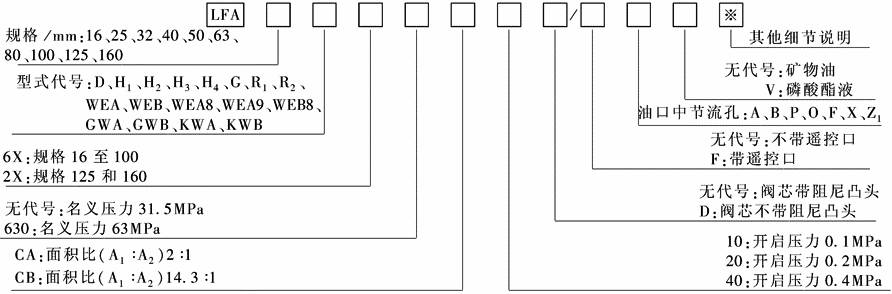
图1 面积比及阀芯阻尼 |
|
图2 流量特性曲线(在υ=41×10-6m2/s和t=50℃下测得) |
|
表1 方向控制二通插装阀技术规格 |
|||||||||||
|
公称通径/mm |
16 |
25 |
32 |
40 |
50 |
63 |
80 |
100 |
125 |
160 |
|
|
流量/L·mn-1 (△p=0.5 MPa) |
不带阻尼凸头 |
160 |
420 |
620 |
1200 |
1750 |
2300 |
4500 |
7500 |
11600 |
18000 |
|
带阻尼凸头 |
120 |
330 |
530 |
900 |
1400 |
1950 |
3200 |
5500 |
8000 |
12800 |
|
|
工作压力(max)/MPa 在油口A,B,X,Z1,Z2 |
42.0(不带安装的换向阀) |
||||||||||
|
31.5/42.0安装换向滑阀/换向座阀的Pmax |
|||||||||||
|
在油口Y工作压力/MPa |
与所安装阀的回油压力相同 |
||||||||||
|
工作介质 |
矿物油、磷酸酯液 |
||||||||||
|
油温范围/℃ |
-30~80 |
||||||||||
|
黏度范围/m2·s-1 |
(2.8~380)×10-6 |
||||||||||
|
过滤精度/μm |
25 |
||||||||||
|
注:生产厂为北京华德液压集团液压阀分公司。 |
|||||||||||
|
LFA…D…/F… 带遥控口的控制盖板 规格16~160 |
LFA…H2…/F… 带行程限制器遥控口的控制盖板 规格16~160 |
LFA…G…/… 带内装梭阀的控制盖板 规格16~100 |
|
LFA…R…/… 带内装液动先导阀(换向座阀)的控制盖板 规格25~100 |
LFA…WEA…/… 用于安装换向滑阀或座阀的控制盖板 规格16~100 |
LFA…WEA8-60/… 用于安装换向滑阀或座阀,带操纵第二阀控制油口的控制盖板 规格16~63 |
|
LFA…WEA9-60/… 用于安装换向滑阀作单向阀回路的控制盖板 规格16~63 |
LFA…GWA…/… 用于安装换向滑阀或座阀,带内装梭阀的控制盖板 规格16~100 |
LFA…KWA…/… 用于安装换向滑阀或座阀,带内装梭阀作单向阀回路的控制盖板 规格16~100 |
|
LFA…E60/…DQ.G24F 带闭合位置电监测的控制盖板,包括插装件 规格16~100 |
LFA…EH2-60/…DQ.G24F 带闭合位置电监测和行程限制器的控制盖板,包括插装件 规格16~100 |
LFA…EWA60/…DQOG24… 带闭合位置电监测,用于安装换向滑阀的控制盖板 规格16~63 |
|
|
|
|
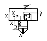
图3 LFA型控制盖板图形符号(基本符号)
|
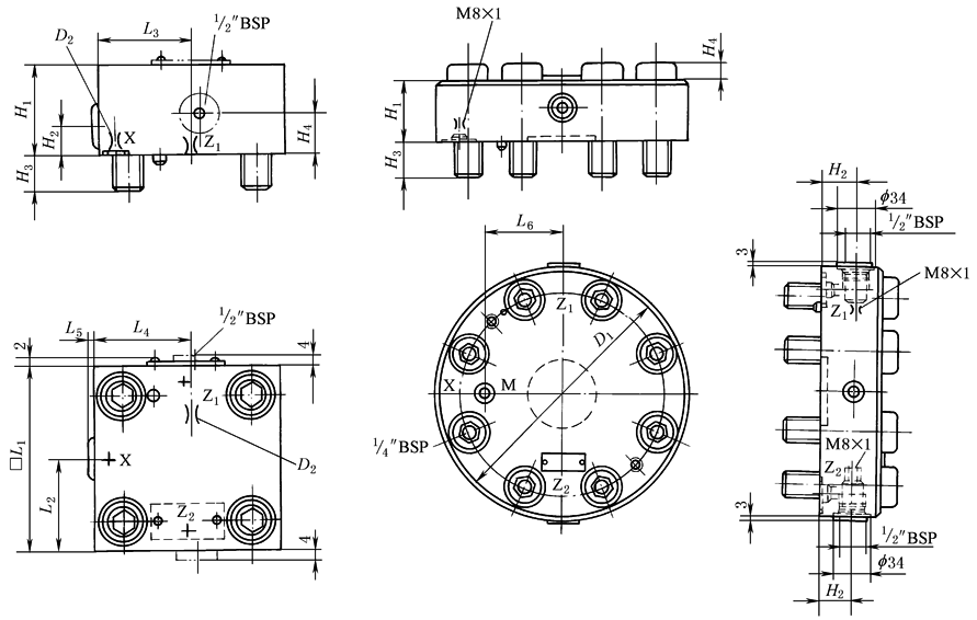
3) 外形尺寸(见表2~表9) |
|
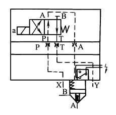
带或不带遥控口的控制盖板(…D…或D/F型) |
||||||||||
|
|
||||||||||
|
表2 mm |
||||||||||
|
尺寸 |
规 格 |
|||||||||
|
16 |
25 |
32 |
40 |
50 |
63 |
80 |
100 |
125 |
160 |
|
|
D1 |
1/8″BSP |
1/4″BSP |
1/4″BSP |
1/2″BSP |
1/2″BSP |
3/4″BSP |
250 |
300 |
380 |
480 |
|
D2 |
M6 |
M6 |
M6 |
M8×1 |
M8×1 |
G3/8 |
3/4″BSP |
1″BSP |
1¼″BSP |
1¼″BSP |
|
H1 |
35 |
40 |
50 |
60 |
68 |
82 |
70 |
75 |
105 |
147 |
|
H2 |
12 |
16 |
16 |
30 |
32 |
40 |
35 |
40 |
50 |
70 |
|
H3 |
15 |
24 |
29 |
32 |
34 |
50 |
45 |
45 |
61 |
74 |
|
L1 |
65 |
85 |
100 |
125 |
140 |
180 |
— |
— |
— |
— |
|
L2 |
32.5 |
42.5 |
50 |
75 |
80 |
90 |
— |
— |
— |
— |
|
T1 |
8 |
12 |
12 |
14 |
14 |
16 |
16 |
18 |
20 |
20 |
|
D3/in |
— |
— |
— |
— |
— |
— |
3/8 |
1/2 |
1 |
1 |
|
H4 |
— |
— |
— |
— |
— |
— |
10 |
11 |
31 |
42 |
|
带行程限制器和遥控口的盖板(…H…型) |
||||||||||
|
|
||||||||||
|
表3 mm |
||||||||||
|
尺寸 |
规 格 |
|||||||||
|
16 |
25 |
32 |
40 |
50 |
63 |
80 |
100 |
125 |
160 |
|
|
D1 |
1/8″BSP |
¼″BSP |
¼″BSP |
½″BSP |
½″BSP |
¾″BSP |
250 |
300 |
380 |
480 |
|
D2 |
M6 |
M6 |
M6 |
M8×1 |
M8×1 |
3/8″BSP |
¾″BSP |
1″BSP |
1¼″BSP |
1¼″BSP |
|
D3 |
— |
— |
— |
— |
— |
— |
3/8″BSP |
½″BSP |
1″BSP |
1″BSP |
|
H1 |
35 |
40 |
50 |
80(60) |
98 |
112 |
114 |
132 |
170 |
225 |
|
H2 |
12 |
16 |
16 |
32(22) |
32 |
40 |
35(24) |
40(35) |
50 |
70 |
|
H3 |
15 |
24 |
28 |
32 |
34 |
50 |
45 |
45 |
61 |
74 |
|
H4 |
85 |
92 |
109 |
136 |
— |
— |
76 |
76 |
100 |
147 |
|
H5 |
— |
— |
— |
— |
— |
— |
137 |
157 |
195 |
340 |
|
□L1 |
65 |
85 |
100 |
125 |
140 |
180 |
— |
— |
— |
— |
|
L2 |
32.5 |
42.5 |
50 |
72(62.5) |
80 |
90 |
— |
— |
— |
— |
|
T1 |
8 |
12 |
12 |
14 |
14 |
16 |
16 |
18 |
20 |
20 |
|
注:( )中数值仅对H3、H4型有效。 |
||||||||||
|
带内装换向座阀的盖板(…G/…型) |
||||||||
|
|
||||||||
|
表4 mm |
||||||||
|
尺寸 |
规 格 |
|||||||
|
16 |
25 |
32 |
40 |
50 |
63 |
80 |
100 |
|
|
D1 |
f 1.2 |
f 1.5 |
f 2.0 |
M6 |
M8×1 |
M8×1 |
250 |
300 |
|
D2 |
f 1.2 |
f 1.5 |
f 2.0 |
M6 |
M8×1 |
M8×1 |
— |
— |
|
H1 |
35 |
40 |
50 |
60 |
68 |
82 |
80 |
75 |
|
H2 |
17 |
17 |
21.5 |
30 |
32 |
40 |
45 |
40 |
|
H3 |
15 |
24 |
28 |
32 |
34 |
50 |
45 |
58 |
|
H4 |
— |
— |
— |
— |
32 |
40 |
4 |
18 |
|
□L1 |
65 |
85 |
100 |
125 |
140 |
180 |
— |
— |
|
L2 |
36.5 |
45.5 |
50 |
62.5 |
74 |
90 |
— |
— |
|
L3 |
— |
— |
— |
— |
72 |
79 |
— |
— |
|
L4 |
— |
— |
— |
— |
72 |
90 |
— |
— |
|
L5 |
2.5 |
2 |
— |
— |
4 |
2 |
— |
— |
|
L6 |
— |
— |
— |
— |
— |
— |
73 |
95 |
|
带内装换向座阀的盖板(…R…或…R2…型) |
||||||||
|
|
||||||||
|
表5 mm |
||||||||
|
尺寸 |
规 格 |
|||||||
|
25 |
32 |
40 |
50 |
63 |
80 |
100 |
||
|
D1 |
M6 |
M6 |
M8×1 |
M8×1 |
M8×1 |
250 |
300 |
|
|
D2 |
M6 |
M6 |
M8×1 |
M8×1 |
M8×1 |
— |
— |
|
|
H1 |
40 |
50 |
60 |
68 |
87 |
80 |
90 |
|
|
H2 |
17 |
22 |
33 |
32 |
40 |
40 |
45 |
|
|
H3 |
24 |
28 |
32 |
34 |
50 |
45 |
58 |
|
|
□L1 |
85 |
100 |
125 |
140 |
180 |
— |
— |
|
|
L2 |
(R) |
2 |
1 |
25 |
24 |
18.5 |
21 |
17 |
|
(R2-) |
18.5 |
17.5 |
25 |
24 |
18.5 |
|||
|
L6 |
— |
— |
— |
— |
— |
51 |
72 |
|
|
|
||||||||
|
表6 mm |
||||||||
|
尺寸 |
规 格 |
|||||||
|
16 |
25 |
32 |
40 |
50 |
63 |
80 |
100 |
|
|
H1 |
40 |
40 |
50 |
60 |
68 |
82 |
80 |
90 |
|
H2 |
— |
— |
— |
30 |
32 |
40 |
30 |
40 |
|
H3 |
15 |
24 |
28 |
32 |
34 |
50 |
45 |
45 |
|
L1 |
65 |
85 |
100 |
125 |
140 |
180 |
— |
— |
|
L2 |
80 |
85 |
100 |
125 |
140 |
180 |
— |
— |
|
L3 |
— |
— |
— |
72 |
80 |
101 |
6 |
6 |
|
L4 |
— |
— |
— |
53 |
60 |
79 |
23 |
23 |
|
L5 |
17 |
27 |
34.5 |
47 |
54.5 |
74.5 |
— |
— |
|
L6 |
7 |
22.5 |
30 |
43.5 |
51 |
71 |
— |
— |
|
D1 |
— |
— |
— |
— |
— |
— |
f 250 |
f 300 |
|
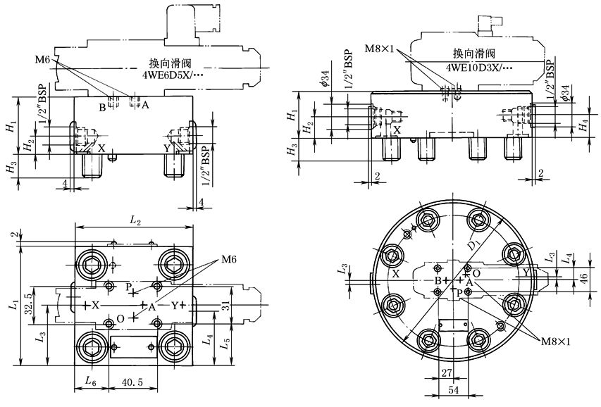
承装叠加式滑阀或座阀式换向阀的盖板 |
||||||||||||
|
表7 mm |
||||||||||||
|
尺寸 |
… |
… |
||||||||||
|
16 |
25 |
32 |
40 |
50 |
63 |
16 |
25 |
32 |
40 |
50 |
63 |
|
|
H1 |
40 |
40 |
50 |
60 |
68 |
82 |
65 |
40 |
50 |
60 |
68 |
82 |
|
H2 |
— |
— |
— |
30 |
32 |
40 |
— |
— |
— |
30 |
32 |
40 |
|
H3 |
15 |
24 |
28 |
32 |
34 |
50 |
15 |
24 |
28 |
32 |
34 |
50 |
|
H4 |
— |
— |
— |
30 |
32 |
60 |
— |
— |
— |
30 |
32 |
60 |
|
L1 |
65 |
85 |
100 |
125 |
140 |
180 |
65 |
85 |
100 |
125 |
140 |
180 |
|
L2 |
80 |
85 |
100 |
125 |
140 |
180 |
80 |
85 |
100 |
125 |
140 |
180 |
|
L3 |
— |
— |
— |
53 |
60 |
79 |
— |
— |
— |
53 |
60 |
79 |
|
L4 |
17 |
27 |
34.5 |
47 |
54.5 |
74.5 |
17 |
27 |
34.5 |
47 |
54.5 |
74.5 |
|
L5 |
7 |
22.5 |
30 |
43.5 |
51 |
71 |
7 |
22.5 |
30 |
43.5 |
51 |
71 |
|
L6 |
— |
— |
— |
62.5 |
70 |
90 |
— |
— |
— |
72 |
80 |
101 |
|
L7 |
— |
— |
— |
72 |
80 |
101 |
— |
— |
— |
— |
— |
— |
|
|
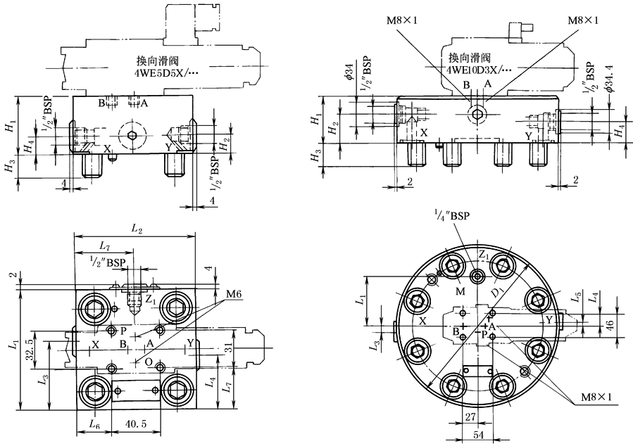
||||||||
|
|
||||||||
|
表8 mm |
||||||||
|
尺寸 |
规 格 |
|||||||
|
16 |
25 |
32 |
40 |
50 |
63 |
80 |
100 |
|
|
H1 |
40 |
40 |
50 |
60 |
68 |
82 |
— |
— |
|
H2 |
— |
— |
— |
30 |
32 |
40 |
80 |
100 |
|
H3 |
15 |
24 |
28 |
32 |
34[]50 |
26 |
40 |
|
|
H4 |
17 |
17 |
21.5 |
30 |
32 |
42 |
45 |
52.5 |
|
L1 |
65 |
85 |
100 |
125 |
140 |
180 |
26 |
55 |
|
L2 |
80 |
85 |
100 |
125 |
140 |
180 |
74 |
96.5 |
|
L3 |
36.5 |
45.5 |
50 |
62.5 |
72 |
90 |
— |
— |
|
L4 |
— |
— |
— |
53 |
60 |
79 |
9.5 |
13 |
|
L5 |
— |
— |
— |
62.5 |
70 |
90 |
29 |
28 |
|
L6 |
7 |
22.5 |
30 |
43.5 |
51 |
71 |
10.5 |
13 |
|
L7 |
17 |
27 |
34.5 |
47 |
54.5 |
74.5 |
— |
— |
|
D1 |
— |
— |
— |
— |
— |
— |
f 250 |
f 300 |
|
|
||||||||
|
|
||||||||
|
表9 mm |
||||||||
|
尺寸 |
规 格 |
|||||||
|
16 |
25 |
32 |
40 |
50 |
63 |
80 |
100 |
|
|
H1 |
40 |
40 |
50 |
60 |
68 |
82 |
100 |
110 |
|
H2 |
17 |
17 |
21.5 |
30 |
32 |
42 |
19.5 |
27 |
|
H3 |
15 |
24 |
28 |
32 |
34 |
50 |
45 |
52.5 |
|
H4 |
— |
— |
— |
30 |
32 |
42 |
60 |
70 |
|
H5 |
— |
— |
— |
30 |
50 |
60 |
52 |
62 |
|
L1 |
65 |
85 |
100 |
125 |
140 |
180 |
55 |
62 |
|
L2 |
80 |
85 |
100 |
125 |
140 |
180 |
— |
— |
|
L3 |
36.5 |
45.5 |
50 |
62.5 |
70 |
90 |
6.5 |
5 |
|
L4 |
— |
— |
— |
53 |
60 |
79 |
— |
— |
|
L5 |
17 |
27 |
34.5 |
47 |
54.5 |
74.5 |
— |
— |
|
L6 |
7 |
22.5 |
30 |
43.5 |
51 |
71 |
6.5 |
5 |
|
L7 |
— |
— |
— |
62.5 |
70 |
90 |
— |
— |
|
D1 |
— |
— |
— |
— |
— |
— |
f 250 |
f 300 |
















