|
TJ系列二通插装阀及组件 |
|
本系列由上海第七○四研究所开发,安装尺寸符合GB/T 2877(等效于ISO/DP 7368和DIN 24342) (1) 插装元件 型号意义:
|
|
表1 TJ型插装件图形符号 |
|||||
|
TJ﹡﹡﹡0/0﹡1﹡-20 |
TJ﹡﹡﹡0/0R﹡1﹡-20 |
TJ﹡﹡﹡-1/2﹡15-20 |
TJ﹡﹡﹡1/1﹡-20 |
TJ﹡﹡﹡0/0C﹡1﹡-20 |
TJ﹡﹡﹡0/0H﹡1﹡-20 |
|
|
|
|
|
|
|
|
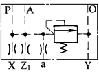
基本型插装件(aA≤1∶1.5) 用于方向控制 |
阀芯带阻尼孔的插装件 (aA≤1∶1.5) 用于方向及压力控制;也可用于B→A单向阀 |
阀芯带2或4个三角形节流窗口尾部的插装件 (aA≤1∶1.5) 用于方向及流量控制 |
阀芯带缓冲尾部的插装件 (aA≤1∶1.5) 用于方向控制,具有启闭缓冲功能 |
阀芯侧向钻孔的插装件 (aA≤1∶1.5) 常用于A→B单向阀 |
阀芯带O形密封圈的插装件 (aA≤1∶1.5) 用于无泄漏方向控制,或使用低黏度介质的场合 |
|
TJ﹡﹡﹡-0/0﹡11-20 |
TJ﹡﹡﹡-0/0R﹡11-20 |
TJ﹡﹡﹡-1/4﹡11-20 |
TJ﹡﹡﹡-0/0﹡10-20 TJ﹡﹡﹡-0/0﹡11-20 |
TJ﹡﹡﹡-0/0R﹡11-20 TJ﹡﹡﹡-0/0R﹡10-20 |
TJ﹡﹡﹡-3/3﹡10-20 |
|
|
|
|
|
|
|
|
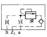
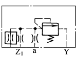
基本型插装件(aA=1∶1.1) 用于方向及压力控制 |
阀芯带底部阻尼孔的插装件(aA=1∶1.1) 用于方向及压力控制 |
阀芯带4个三角形节流窗口尾部的插装件 (aA=1∶1.1) 用于方向及流量控制 |
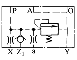
基本型插装件(aA=1∶1或1∶1.1) 用于压力控制 |
阀芯带底部阻尼孔的插装件(aA=1∶1或1∶1.1) 用于压力控制 |
减压阀型插件(aA=1∶1或1∶1.1) 用于减压控制 |
|
表2 技术规格 |
||||||||||||
|
公称通径/mm |
16 |
25 |
32 |
40 |
50 |
63 |
80 |
100 |
125 |
160 |
||
|
流量 /L·mn-1 |
△p<0.5 MPa △p<0.1 MPa |
160 80 |
400 200 |
600 300 |
1000 500 |
1500 750 |
2000 1000 |
4000 2000 |
7000 3500 |
10000 5000 |
16000 8000 |
|
|
最高工作压力/MPa |
31.5 |
|||||||||||
|
介质 |
名称 |
矿物油,水-乙二醇等 |
||||||||||
|
温度/℃ |
-20~70 |
|||||||||||
|
粘度范围/mm2·s-1 |
5~380 推荐13~54 |
|||||||||||
|
过滤精度/μm |
25 |
|||||||||||
|
生产厂 |
上海海岳液压机电公司 |
|||||||||||
|
(2) TG型控制盖板 型号意义: TJ二通插装阀及控制盖板外形尺寸见生产厂产品样本 |
|
表3 控制盖板图形符号 |
||||
|
D1
|
D2
|
D3
|
D4
|
D5
|
|
基本型用于方向控制 |
内装液动先导阀,用于液动方向控制 |
内装梭阀,用于选择控制压力,方向控制 |
内装两单向阀,用于选择压力、方向控制 |
带阀芯升程限位装置,用于方向、节流控制 |
|
D6
|
D7
|
D8
|
F1
|
F2
|
|
内装三单向阀,用于选择控制压力、方向控制 |
内装梭阀,用以构成液控单向阀功能 |
内装梭阀,具有电磁阀安装面,用于电磁液控单向阀功能 |
带电磁换向阀安装面,用于方向控制 |
带电磁换向阀安装面及阀芯升程限位装置,用于方向及节流控制 |
|
F4
|
F5
|
F6
|
F7
|
Q2
|
|
带电磁阀安装面,内装梭阀,用于方向控制,带控制压力选择 |
带电磁阀安装面,用于方向控制 |
带电磁阀安装面及阀芯升程限位装置,用于方向及节流控制 |
带电磁阀安装面及内装梭阀,用于方向控制,带压力选择 |
带球式电磁阀安装面,用于方向控制 |
|
Q3
|
Q4
|
Y1
|
Y2
|
Y3
|
|
带球式电磁阀安装面及内装梭阀,用于方向控制,带压力选择 |
带球式电磁阀安装面及阀芯升程限位装置 |
带先导调压组件、用于压力控制 |
带先导调压组件及电磁阀安装面,用于压力控制 |
带先导调压组件及电磁阀安装面,用于压力控制 |
|
Y5
|
Y6
|
Y7
|
J1
|
J2
|
|
带嵌入式进油单向阀的压力控制盖板,用于压力、方向复合控制用 |
带嵌入式出油单向阀的压力控制盖板,用于方向、压力复合控制 |
在Y5基础上增加电磁阀安装面,用于压力、方向复合控制 |
带先导流量稳定器的压力控制盖板,用作减压阀 |
带电磁阀安装面及先导流量稳定器,作减压阀用 |






































