|
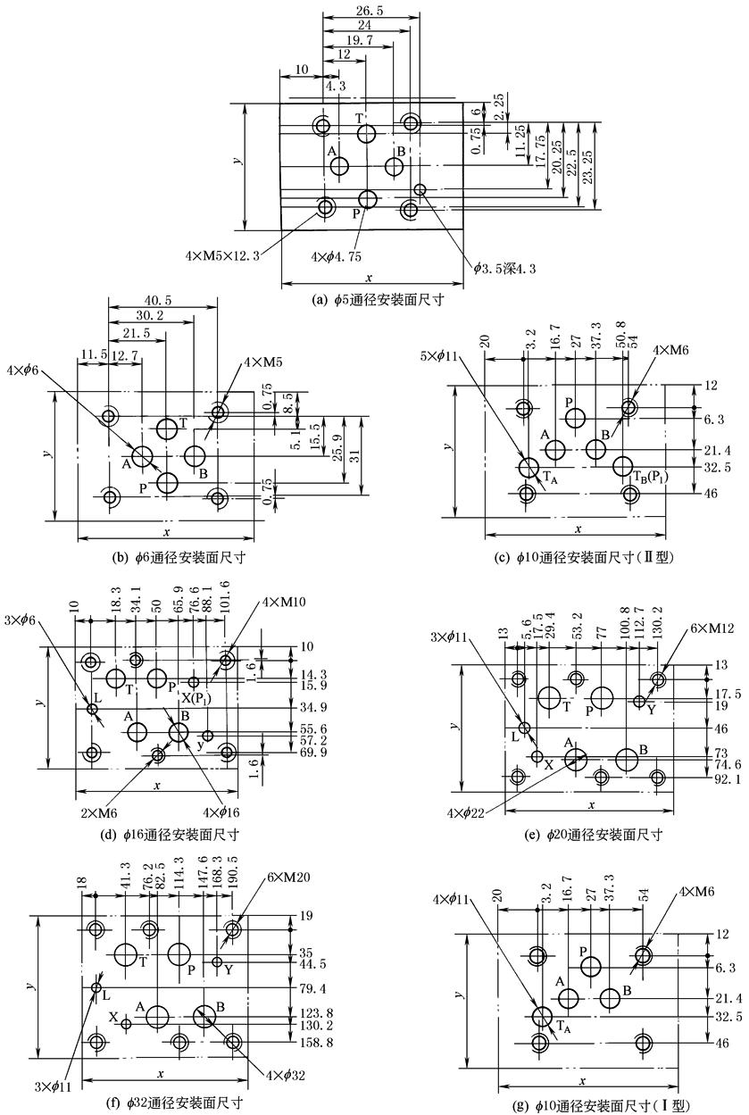
液压叠加阀安装面 |
|||||||
|
液压叠加阀安装面连接尺寸应符合GB/T8099和ISO4401标准,见下表
安装面尺寸 mm |
|||||||
|
生产厂 |
通 径 |
||||||
|
f 5 |
f 6 |
f 10 |
f 16 |
f 20(f 22德) |
f 32 |
||
|
榆次油研系列 |
x y |
— — |
65 47 |
92 70 |
130 91 |
156 116 |
230.5 199 |
|
北京华德系列 |
x y |
54 36 |
64 44 |
100 70 |
128 90 |
165 117 |
— — |

