|
叠加阀型谱(二) |
||||||
|
本节介绍北京华德液压集团液压阀分公司与上海立新液压公司生产的系列叠加阀型谱,详见表1、表2 表1 |
||||||
|
名称 |
规格 |
型 号 |
符 号 |
最高工作压力 /MPa |
压力调节范围 /MPa |
最大流量 /L·min-1 |
|
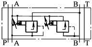
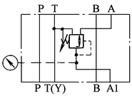
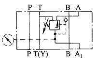
叠 加 式 溢 流 阀 |
通径6 |
|
|
31.5 |
至10 至31.5 |
60 |
|
|
|
|||||
|
|
|
|||||
|
|
|
|||||
|
|
|
|||||
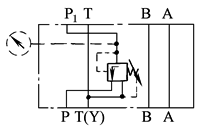
|
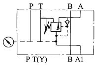
通径10 |
|
|
31.5 |
至10 至31.5 |
100 |
|
|
|
|
|||||
|
|
|
|||||
|
|
|
|||||
|
|
|
|||||
|
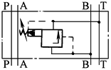
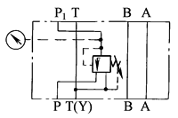
叠 加 式 减 压 阀 |
通径6 |
ZDR6DA…30/…YM… |
|
31.5 |
进口压力 至31.5 出口压力 至21.0 背压6.0 |
30 |
|
ZDR6DA…30/…Y |
|
|||||
|
ZDR6DP…30/…YM |
|
|||||
|
通径10 |
ZDR10DA…40/…YM… |
|
31.5 |
进口压力 31.5 出口压力21 (DA和DP 型阀) 背压 T(Y)15 |
50 |
|
|
ZDR10DA…40/…Y… |
|
|||||
|
ZDR10DP…40/…YM… |
|
|||||
|
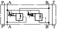
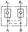
叠 加 式 双 单 向 节 流 阀 |
通径6 |
Z2FS6-30/S |
|
31.5 |
— |
80 |
|
通径10 |
Z2FS10-20/S |
160 |
||||
|
通径16 |
Z2FS16-30/S |
35 |
250 |
|||
|
通径22 |
Z2FS22-30/S |
350 |
||||
|
通径6 |
Z2FS6-30/S2 |
|
31.5 |
80 |
||
|
通径10 |
Z2FS10-20/S2 |
160 |
||||
|
通径16 |
Z2FS16-30/S2 |
35 |
250 |
|||
|
通径22 |
Z2FS22-30/S2 |
350 |
||||
|
通径6 |
Z2FS6-30/S3 |
|
31.5 |
80 |
||
|
通径10 |
Z2FS10-20/S3 |
160 |
||||
|
通径16 |
Z2FS16-30/S3 |
35 |
250 |
|||
|
通径22 |
Z2FS22-30/S3 |
350 |
||||
|
通径6 |
Z2FS6-30/S4 |
|
31.5 |
80 |
||
|
通径10 |
Z2FS10-20/S4 |
160 |
||||
|
通径16 |
Z2FS16-30/S4 |
35 |
250 |
|||
|
通径22 |
Z2FS22-30/S4 |
350 |
||||
|
注:外形尺寸见生产厂产品样本。 |
||||||
|
表2 |
||||||
|
名称 |
规格 |
型 号 |
符 号 |
最高工作压力 /MPa |
开启压力/MPa |
最大流量 /L·min-1 |
|
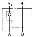
叠 加 式 单 向 阀 |
通径6 |
Z1S6T-※30 |
|
31.5 |
1:0.05 2:0.3 3:0.5 |
≈40 |
|
通径10 |
Z1S10T-※30 |
≈100 |
||||
|
通径6 |
Z1S6A-※30 |
|
≈40 |
|||
|
通径10 |
Z1S10A-※30 |
≈100 |
||||
|
通径6 |
Z1S6P-※30 |
|
≈40 |
|||
|
通径10 |
Z1S10P-※30 |
≈100 |
||||
|
通径6 |
Z1S6D-※30 |
|
≈40 |
|||
|
通径10 |
Z1S10D-※30 |
≈100 |
||||
|
通径6 |
Z1S6C-※30 |
|
≈40 |
|||
|
通径10 |
Z1S10C-※30 |
≈100 |
||||
|
通径6 |
Z1S6B-※30 |
|
≈40 |
|||
|
通径10 |
Z1S10B-※30 |
≈100 |
||||
|
通径6 |
Z1S6E-※30 |
|
≈40 |
|||
|
通径10 |
Z1S10E-※30 |
≈100 |
||||
|
通径6 |
Z1S6F-※30 |
|
≈40 |
|||
|
通径10 |
Z1S10F-※30 |
≈100 |
||||
|
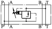
叠① 加 式 液 控 单 向 阀 |
通径6 |
Z2S640 |
|
31.5 |
0.15 |
50 |
|
通径10 |
Z2S1010 |
0.15、0.3、0.6 |
80 |
|||
|
通径16 |
Z2S1630 |
0.25 |
200 |
|||
|
通径22 |
Z2S2230 |
0.25 |
400 |
|||
|
通径6 |
Z2S6A40 |
|
0.15 |
50 |
||
|
通径10 |
Z2S10A10 |
0.15、0.3、0.6 |
80 |
|||
|
通径16 |
Z2S16A30 |
0.25 |
200 |
|||
|
通径22 |
Z2S22A30 |
0.25 |
400 |
|||
|
通径6 |
Z2S6B40 |
|
0.15 |
50 |
||
|
通径10 |
Z2S10B10 |
0.15、0.3、0.6 |
80 |
|||
|
通径16 |
Z2S16B30 |
0.25 |
200 |
|||
|
通径22 |
Z2S22B30 |
0.25 |
400 |
|||
|
① 开启压力为正向流通。 注:外形尺寸见生产厂产品样本。 |
||||||








































