|
WMM型手动换向阀 |
|
(1) 型号意义 |
|
|
|
(2) 机能符号 |
|
图 滑阀机能 |
|
(3)技术规格 表1 |
|||||||||
|
通径/mm |
6 |
10 |
16 |
介质温度/℃ |
-30~70 |
||||
|
最高工作压力/MPa |
油口A、B、P |
31.5 |
31.5 |
35 |
介质粘度/m2·s-1 |
(2.8~380)×10-6 |
|||
|
油口T |
16 |
15 |
25 |
操纵力/N |
带定位装置 |
约16~23 |
无回油压力 约20 |
||
|
流量/L·min-1 |
60 |
100 |
300 |
带复位弹簧 |
约20~27 |
有回油压力(16MPa) 约30 |
|||
|
介 质 |
HLP-矿物液压油,磷酯酸液 |
质量/kg |
1.4 |
4 |
8 |
||||
|
注:生产厂为北京华德液压集团液压阀分公司、上海立新液压件厂、上海朝田科技有限公司。 |
|||||||||
|
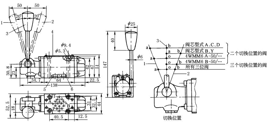
表2 WMM型手动换向阀外形尺寸 mm |
||
|
WMM6型 |
|
|
|
WMM10型 |
||
|
WMM16型 |
|
|
|
注:表中1—切换位置a;2—切换位置b;3—切换位置o、a、b(二位阀上a和b);4—标牌;5—连接面;6—用于A、B、P、T口的O形圈9.25×1.78(WMM6型)、12×2(WMM10型);7—用控制块时,可用作辅助回油口。 |
|
|
|
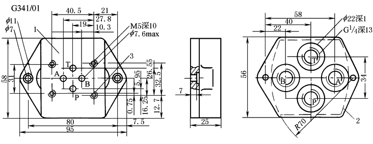
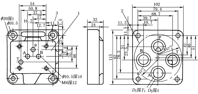
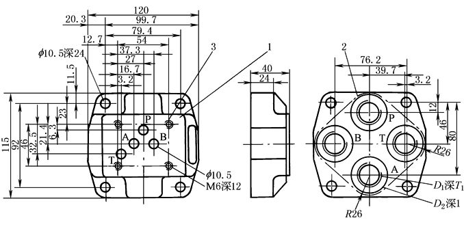
表3 安装底板尺寸 mm |
|||||||||
|
WMM6型 |
|
1—阀安装面; 2—安装连接板的切口轮廓; 3—螺钉4×M5×50,紧固转矩9N·m(须单独订货) |
|||||||
|
|
|||||||||
|
|
|||||||||
|
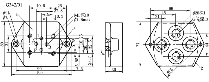
WMM10型 |
1—阀安装面;2—安装连接板的切口轮廓;3—螺钉 |
||||||||
|
型 号 |
D1 |
D2 |
T1 |
质量/kg |
阀固定螺钉 |
扭矩/N·m |
|||
|
G66/01 G67/01 |
G3/8 G½ |
28 34 |
12 14 |
约2.3 |
4×M6×50 (须单独订货) |
15 |
|||
|
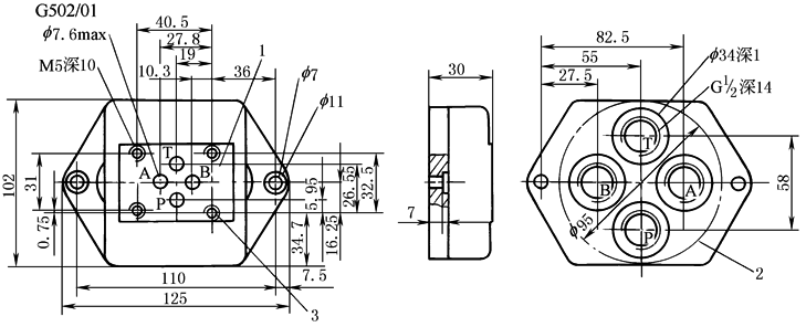
8—阀安装面;9—安装连接板的切口轮廓;10—螺钉(须单独订货) |
|||||||||
|
型 号 |
D1 |
fD2 |
T1 |
质量/kg |
阀固定螺钉 |
扭矩/N·m |
|||
|
G534/01 |
G¾ |
42 |
16 |
约2.5 |
4×M6×50 |
15 |
|||
|
WMM16型 |
|
||||||||












