|
WEH电液换向阀及WH液控换向阀 |
|||
|
(1) 型号意义 |
|||
|
|
|||
|
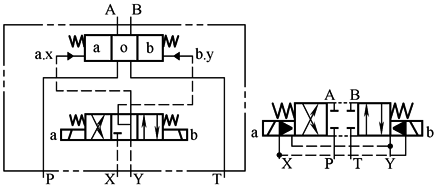
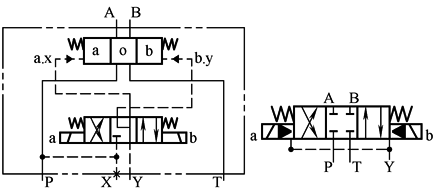
表1 三位阀简化的机能符号(符合DIN24300) |
|||
|
弹簧对中式型号 |
滑阀机能 |
机能符号 |
过渡机能符号 |
|
4WEH …E…/… |
E |
|
|
|
4WEH …F…/… |
F |
|
|
|
4WEH …G…/… |
G |
|
|
|
4WEH …H…/… |
H |
|
|
|
4WEH …J…/… |
J |
|
|
|
4WEH …L…/… |
L |
|
|
|
4WEH …M…/… |
M |
|
|
|
4WEH …P…/… |
P |
|
|
|
5WEH …Q…/… |
Q |
|
|
|
4WEH …R…/… |
R |
|
|
|
4WEH …S…/… |
S |
|
|
|
4WEH …T…/… |
T |
|
|
|
4WEH …U…/… |
U |
|
|
|
4WEH …V…/… |
V |
|
|
|
4WEH …W…/… |
W |
|
|
|
注:WEH25型和WEH32型换向阀没有“S”型机能。 |
|||
|
表2 三位阀的详细符号和简化符号 |
||
|
弹簧对中阀 |
阀芯压力对中阀 仅规格16,25(型号4W.H25.50B/…)和32 |
|
|
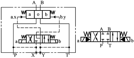
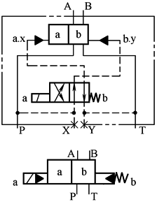
X= 外部: Y= 外部 |
型号4WEH…/…
|
型号4WEH…H…/…
|
|
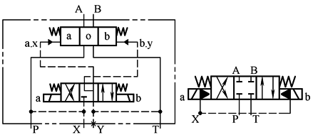
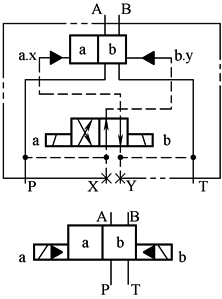
X= 内部: Y= 外部 |
型号4WEH…/…E…
|
型号4WEH…H…/…E…
|
|
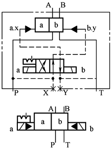
X= 内部: Y= 内部 |
型号4WEH…/…ET…
|
|
|
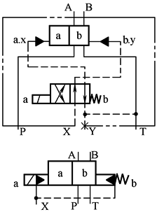
X= 外部: Y= 内部 |
型号4WEH…/…T…
|
|
|
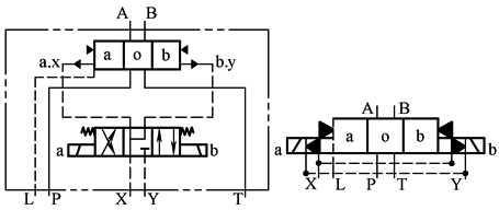
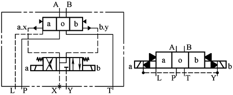
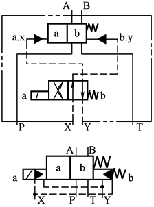
表3 二位阀的详细符号和简化符号 |
||||
|
弹簧对中阀 |
液压复位阀 |
|||
|
X= 外部: Y= 外部 |
型号4WEH…/…
|
型号4WEH…H…/…
|
型号4WEH…H/O…
|
型号4WEH…H/OF…
|
|
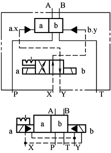
X= 内部: Y= 外部 |
型号4WEH…/…E… |
型号4WEH…H…/…E… |
型号4WEH…H/O…E… |
型号4WEH…H/OF…E… |
|
X= 内部: Y= 内部 |
型号4WEH…/…ET…
|
型号4WEH…H…/…ET…
|
型号4WEH…H/O…ET…
|
型号4WEH…H/OF…ET…
|
|
X= 外部: Y= 内部 |
型号4WEH…/…T…
|
型号4WEH…H…/…T…
|
型号4WEH…H/O…T…
|
型号4WEH…H/OF…T…
|
|
机能 符号 |
|
|||
|
(2) 技术规格(见表4~表8) |
|||||||||||
|
表4 WEH10型电液换向阀技术规格 |
|||||||||||
|
项 目 |
H-4WEH10 |
4WEH10 |
|||||||||
|
最高工作压力P、A、B/MPa |
至35 |
至28 |
|||||||||
|
油口 T/MPa |
控制油内排 |
至16(直流电压) |
至10(交流电压) |
||||||||
|
油口 Y/MPa |
控制油外排 |
至16(直流电压) |
至10(交流电压) |
||||||||
|
最低控制压力/MPa |
控制油外排 |
1.0 弹簧复位三位阀、二位阀 |
|||||||||
|
控制油内供 |
0.7 液压复位二位阀(不适合于C、Z、F、G、H、P、T、V) |
||||||||||
|
控制油内供(适合于C、Z、F、G、H、P、T、V) |
0.65[如果在中位由P至T(三位阀)或当阀经中位(二位阀)运动时,流量足够确保由P至T的压降为0.65MPa,才能用内部控制油供给] |
||||||||||
|
最高控制压力/MPa |
至25 |
||||||||||
|
介质 |
矿物液压油,磷酸酯液压液 |
||||||||||
|
介质粘度/mm2·s-1 |
2.8~500 |
||||||||||
|
介质温度/℃ |
-30~80 |
||||||||||
|
换向过程中控制容量/cm3 |
三位阀弹簧对中 |
2.04 |
|||||||||
|
二位阀 |
4.08 |
||||||||||
|
阀从“O”位到工作位置的换向时间(交流和直流电磁铁)/ms |
|
先导控制压力/MPa |
|||||||||
|
7 |
14 |
21 |
28 |
||||||||
|
三位阀(弹簧对中) |
30 |
65 |
25 |
60 |
20 |
55 |
15 |
50 |
|||
|
二位阀 |
30 |
80 |
30 |
75 |
25 |
70 |
20 |
65 |
|||
|
阀从工作位置到“O”位的换向时间/ms |
三位阀(弹簧对中) |
30 |
|||||||||
|
二位阀 |
35 |
40 |
30 |
35 |
25 |
30 |
20 |
25 |
|||
|
换向时间较短时的控制流量/L·min-1 |
≈35 |
||||||||||
|
安装位置 |
任选(液压复位型如C、D、K、Z、Y应水平安装) |
||||||||||
|
质量/kg |
单电磁铁阀 |
6.4 |
|||||||||
|
双电磁铁阀 |
6.8 |
||||||||||
|
换向时间调节器 |
0.8 |
||||||||||
|
减压阀 |
0.5 |
||||||||||
|
注:生产厂为北京华德液压集团公司液压阀分公司、上海立新液压公司、上海朝田科技有限公司、海门市液压件厂。 |
|||||||||||
|
表5 WEH16型电液换向阀技术规格 |
|||||||||||||
|
项 目 |
H-4WEH16 |
4WEH16 |
|||||||||||
|
最高工作压力P、A、B腔/MPa |
至35 |
至28 |
|||||||||||
|
油口T/MPa |
控制油外排 |
至25 |
至25 |
||||||||||
|
控制油内排(液压对中的三位阀控制油内排不可能) |
至16(直流电磁铁=) |
至10(交流电磁铁~) |
|||||||||||
|
油口Y/MPa |
控制油外排 |
直流16 |
交流10 |
||||||||||
|
最低控制压力/MPa |
控制油外供 控制油内供 |
二位阀 1.2 弹簧复位二位阀 1.2 液压复位二位阀 1.2 |
|||||||||||
|
控制油内供 |
用预压阀或流量足够大,滑阀机能为C、F、G、H、P、T、V、Z、S型阀0.45 |
||||||||||||
|
最高的控制压力/MPa |
至25 |
||||||||||||
|
介质 |
矿物质液压油;磷酸酯液压液 |
||||||||||||
|
介质温度范围/℃ |
-30~80 |
||||||||||||
|
介质粘度范围/mm2·s-1 |
2.8~500 |
||||||||||||
|
换向过程中控制油最大的容量/cm3 |
|||||||||||||
|
弹簧对中的三位阀 |
5.72 |
||||||||||||
|
二位阀 |
11.45 |
||||||||||||
|
液压对中的三位阀 |
WH |
WEH |
|||||||||||
|
从“O”位到工作位置“a” |
2.83 |
2.83 |
|||||||||||
|
从工作位置“a”到“O”位 |
2.9 |
5.73 |
|||||||||||
|
从“O”位到工作位置“b” |
5.72 |
5.73 |
|||||||||||
|
从工作位置“b”到“O”位 |
2.83 |
8.55 |
|||||||||||
|
从“O”位到工作位置的换向时间(交流和直流电磁铁)①/ms |
|||||||||||||
|
先导控制压力/MPa |
≤5 |
>5~15 |
>15~25 |
||||||||||
|
弹簧对中的三位阀 |
35 |
65 |
30 |
60 |
30 |
58 |
|||||||
|
二位阀 |
45 |
65 |
35 |
55 |
30 |
50 |
|||||||
|
液压对中的三位阀 |
a |
b |
a |
b |
a |
b |
a |
b |
a |
b |
a |
b |
|
|
|
30 |
65 |
25 |
55 |
63 |
20 |
25 |
55 |
60 |
||||
|
从工作位置到“O”位的换向时间①/ms |
|||||||||||||
|
弹簧对中的三位阀 |
30~45用于交流;30用于直流 |
||||||||||||
|
二位阀 |
45~60 |
45 |
35~50 |
35 |
30~45 |
30 |
|||||||
|
液压对中的三位阀 |
a |
b |
a |
b |
a |
b |
a |
b |
a |
b |
a |
b |
|
|
20~30 |
20 |
20~35 |
20 |
20~35 |
20 |
||||||||
|
安装位置 |
除C、D、K、Z、Y型液压复位的阀水平安装外,其余的任意安装 |
||||||||||||
|
换向时间较短时的控制流量/L·min-1 |
≈35 |
||||||||||||
|
质量/kg |
≈8.6 WH约7.3 |
||||||||||||
|
① 换向时间指从导阀电磁铁吸合到主阀全部打开的时间。 |
|||||||||||||
|
表6 WEH25型电液换向阀技术规格 |
||||||||||||||||||||||||
|
最高工作压力P、A、B腔/MPa |
至35(H-4WHE25);至28(4WEH25) |
|||||||||||||||||||||||
|
油口T/MPa |
控制油外排 |
至25 |
||||||||||||||||||||||
|
控制油内排(液压对中的三位阀控制油内排不可能) |
至16(直流电磁铁=) |
至10(交流电磁铁~) |
||||||||||||||||||||||
|
油口Y/MPa |
外部控制油泄油 直流电磁铁 |
16 |
||||||||||||||||||||||
|
交流电磁铁 |
≈10 |
|||||||||||||||||||||||
|
用于4WH型 |
25 |
|||||||||||||||||||||||
|
最低控制压力/MPa |
控制油外供 控制油内供 |
弹簧对中的三位阀 1.3 液压对中的三位阀 1.8 弹簧复位二位阀 1.3 液压复位二位阀 0.8 |
||||||||||||||||||||||
|
控制油内供 |
用预压阀或流量相应大时,滑阀机能为F、G、H、P、T、V、C和Z型阀0.45 |
|||||||||||||||||||||||
|
最高控制压力/MPa |
至25 |
|||||||||||||||||||||||
|
介质 |
矿物质液压油,磷酸酯液压油 |
|||||||||||||||||||||||
|
介质粘度范围/mm2·s-1 |
2.8~500 |
|||||||||||||||||||||||
|
介质温度范围/℃ |
-30~80 |
|||||||||||||||||||||||
|
换向过程中控制油最大的容量/cm3 |
||||||||||||||||||||||||
|
弹簧对中的三位阀 |
14.2 |
|||||||||||||||||||||||
|
弹簧复位的二位阀 |
28.4 |
|||||||||||||||||||||||
|
液压对中的三位阀 |
WH |
WEH |
||||||||||||||||||||||
|
从“O”位到工作位置“a” |
7.15 |
7.15 |
||||||||||||||||||||||
|
从工作位置“a”到“O”位 |
14.18 |
7.0 |
||||||||||||||||||||||
|
从“O”位到工作位置“b” |
14.18 |
14.15 |
||||||||||||||||||||||
|
从工作位置“b”到“O”位 |
19.88 |
5.73 |
||||||||||||||||||||||
|
从“O”位到工作位置的换向时间(交流和直流电磁铁)①/ms |
||||||||||||||||||||||||
|
先导控制压力/MPa |
≤7 |
>7~14 |
>14~21 |
>21~25 |
||||||||||||||||||||
|
弹簧对中的三位阀 |
50 |
85 |
40 |
75 |
35 |
70 |
30 |
65 |
||||||||||||||||
|
弹簧复位的二位阀 |
120 |
160 |
100 |
130 |
85 |
120 |
70 |
105 |
||||||||||||||||
|
液压对中的三位阀 |
a |
b |
a |
b |
a |
b |
a |
b |
a |
b |
a |
b |
a |
b |
a |
b |
||||||||
|
|
30 |
35 |
55 |
65 |
30 |
35 |
55 |
65 |
25 |
30 |
50 |
60 |
25 |
30 |
50 |
60 |
||||||||
|
从工作位置到“O”位的换向时间①/ms |
||||||||||||||||||||||||
|
弹簧对中的三位阀 |
40~55用于交流;40用于直流 |
|||||||||||||||||||||||
|
弹簧复位的二位阀 |
120 |
125 |
95 |
100 |
85 |
90 |
75 |
80 |
||||||||||||||||
|
液压对中的三位阀 |
a |
b |
a |
b |
a |
b |
a |
b |
a |
b |
a |
b |
a |
b |
a |
b |
||||||||
|
|
30~35 |
30 |
35 |
30~35 |
30 |
35 |
30~35 |
30 |
35 |
30~35 |
30 |
35 |
||||||||||||
|
安装位置 |
除C、D、K、Z、Y型液压复位的阀水平安装外,其余任意安装 |
|||||||||||||||||||||||
|
换向时间较短时的控制流量/L·min-1 |
≈35 |
|||||||||||||||||||||||
|
质量/kg |
整个阀≈18 WH≈17.6 |
|||||||||||||||||||||||
|
① 换向时间指从导阀电磁铁吸合到主阀全部打开的时间。 |
||||||||||||||||||||||||
|
表7 WEH32型电液换向阀技术规格 |
|||||||||||||||
|
项 目 |
H-4WEH32 |
4WEH32 |
|||||||||||||
|
最高工作压力P、A、B腔/MPa |
至35 |
至28 |
|||||||||||||
|
油口T/MPa |
控制油外排 |
至25 |
|||||||||||||
|
控制油内排(液压对中的三位阀,当控制油内排时不可能) |
至16(直流电磁铁=) |
至10(交流电磁铁~) |
|||||||||||||
|
油口Y/MPa |
控制油外排 |
直流电磁铁:16:交流电磁铁:10 |
|||||||||||||
|
最低控制压力/MPa |
控制油外供 控制油内供 |
0.8 三位阀 1 弹簧复位二位阀 0.5 液压复位二位阀 |
|||||||||||||
|
控制油内供 |
用预压阀或流量相应大时,滑阀机能为F、G、H、P、T、V、C和Z型阀0.45 |
||||||||||||||
|
最高的控制压力/MPa |
至25 |
||||||||||||||
|
介质 |
矿物质液压油;磷酸酯液压油 |
||||||||||||||
|
温度范围/℃ |
-30~80 |
||||||||||||||
|
粘度范围/mm2·s-1 |
2.8~500 |
||||||||||||||
|
换向过程中控制油最大的容量/cm3 |
|||||||||||||||
|
弹簧对中的三位阀 |
29.4 |
||||||||||||||
|
弹簧对中的二位阀 |
58.8 |
||||||||||||||
|
液压对中的三位阀 |
|||||||||||||||
|
从“O”位到工作位置“a” |
14.4 |
||||||||||||||
|
从工作位置“a”到“O”位 |
15.1 |
||||||||||||||
|
从“O”位到工作位置“b” |
29.4 |
||||||||||||||
|
从工作位置“b”到“O”位 |
14.4 |
||||||||||||||
|
从“O”位到工作位置的换向时间(交流和直流电磁铁)①/ms |
|||||||||||||||
|
先导控制压力/MPa |
≤5 |
>5~15 |
>15~25 |
||||||||||||
|
弹簧对中的三位阀 |
75 |
105 |
55 |
90 |
45 |
80 |
|||||||||
|
弹簧复位的二位阀 |
120 |
155 |
100 |
135 |
90 |
125 |
|||||||||
|
液压对中的三位阀 |
a |
b |
a |
b |
a |
b |
a |
b |
a |
b |
a |
b |
|||
|
|
55 |
60 |
100 |
105 |
40 |
45 |
85 |
95 |
35 |
40 |
85 |
95 |
|||
|
从工作位置到“O”位的换向时间①/ms |
|||||||||||||||
|
弹簧对中的三位阀 |
60~75用于交流;50用于直流 |
||||||||||||||
|
弹簧复位的二位阀 |
115~130 |
90 |
85~100 |
70 |
65~80 |
65 |
|||||||||
|
液压对中的三位阀 |
a |
b |
a |
b |
a |
b |
a |
b |
a |
b |
a |
b |
|||
|
35~65 |
30 |
40 |
60~90 |
30 |
105~155 |
50 |
|||||||||
|
安装位置 |
除液压复位的“H”、C、D、K、Z、Y型的阀应水平安装外,其余任意安装 |
||||||||||||||
|
换向时间较短时的控制流量/L·min-1 |
≈50 |
||||||||||||||
|
质量/kg |
带1个电磁铁的阀 |
≈40.5 |
|||||||||||||
|
带2个电磁铁的阀 |
≈41 WH≈39.5 |
||||||||||||||
|
① 换向时间指从导阀电磁铁吸合到主阀全部打开的时间。 |
|||||||||||||||
|
表8 WEH电液换向阀及WH液控换向阀电气参数 |
|
|||||
|
电压类别 |
直流电压 |
交流电压 |
电压类别 |
直流电压 |
交流电压 |
|
|
电压/V |
12、24、42、60、96、110、180、195、220 |
42、110、127、220/50Hz 110、120、220/60Hz |
运行状态 |
连续 |
|
|
|
环境温度/℃ |
50 |
|||||
|
消耗功率/W |
26 |
— |
||||
|
最高线圈温度/℃ |
50 |
|||||
|
吸合功率/V·A |
— |
46 |
||||
|
保护装置 |
IP65,符号DIN40050 |
|||||
|
启动功率/V·A |
— |
130 |
|
|||
|
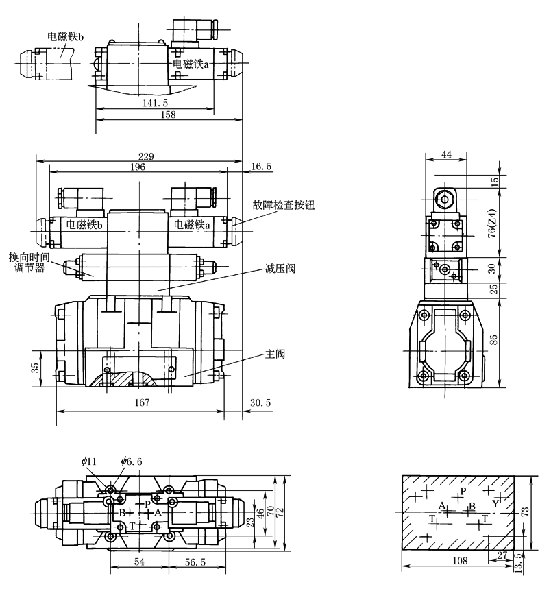
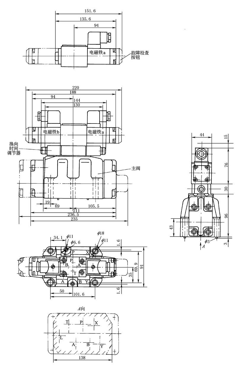
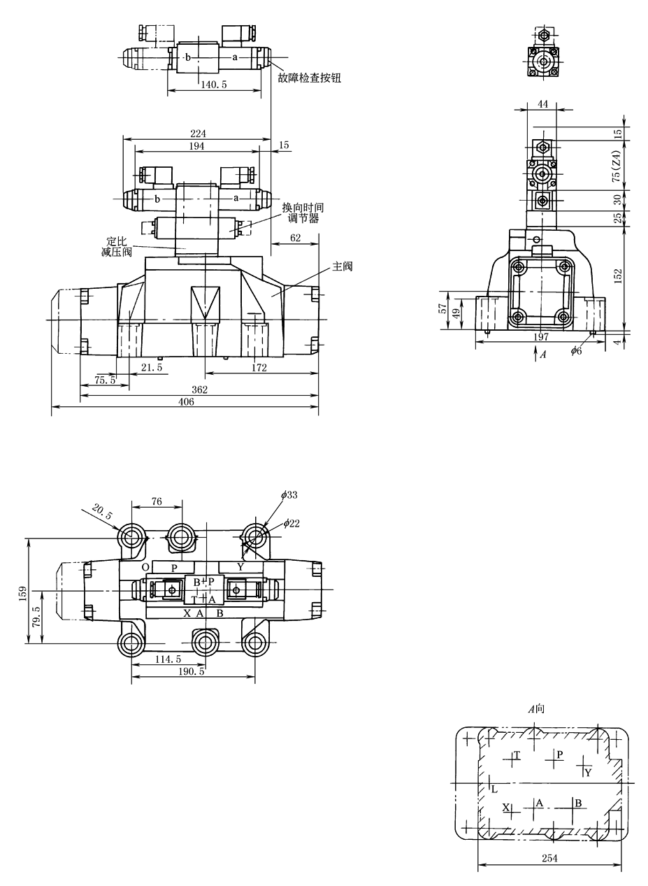
外形尺寸
图1 WEH10型电液换向阀外形尺寸 连接板:G535/01(G¾);G536/01(G1);534/01(G¾)
图2 WEH16型电液换向阀外形尺寸 连接板:G172/01(G¾);G172/02(M27×2);G174/01(G1); G174/02(M33×2);G174/08
图3 WEH25型电液换向阀外形尺寸 连接板:G151/01(G1);G153/01(G1);G154/01(G1¼); G156/01(G1½);G154/01
图4 WEH32型电液换向阀外形尺寸 连接板:G157/01(G1½);G157/02(M48×2):G158/10 |
























