|
WE型电磁换向阀 |
|||||
|
型号意义: |
|||||
|
|
|||||
|
表1 技术规格 |
|||||
|
通径 |
5 |
6 |
10 |
||
|
介质 |
矿物油 |
矿物油、磷酸酯 |
矿物油、磷酸酯 |
||
|
介质温度/℃ |
-30~80 |
-30~80 |
-30~80 |
||
|
介质黏度/m2·s-1 |
(2.8~380)×10-6 |
(2.8~380)×10-6 |
(2.8~380)×10-6 |
||
|
工作压力 /MPa |
A、B、P腔 |
≤25 |
31.5 |
31.5 |
|
|
T腔 |
≤6 |
16(直流)、10(交流) |
16 |
||
|
额定流量/L·min-1 |
15 |
60 |
100 |
||
|
质量/kg |
1.4 |
1.6 |
4.2~6.6 |
||
|
电源电压 /V |
交流 |
50Hz |
110、220 |
110、220 |
110、220 |
|
60Hz |
120、220 |
120、220 |
120、220 |
||
|
直流 |
12、24、110 |
12、24、110 |
12、24、110 |
||
|
消耗功率/W |
26(直流) |
26(直流) |
35(直流) |
||
|
吸合功率/V·A |
46(交流) |
46(交流) |
65(交流) |
||
|
启动功率/V·A |
130(交流) |
130(交流) |
480(交流) |
||
|
接通时间/ms |
40(直流)、25(交流) |
45(直流)、30(交流) |
|
||
|
断开时间/ms |
30(直流)、20(交流) |
20 |
60(直流)、25(交流) |
||
|
最高环境温度/℃ |
50 |
50 |
50 |
||
|
最高线圈温度/℃ |
150 |
150 |
150 |
||
|
开关频率/h-1 |
1500(直流)、7200(交流) |
1500(直流)、7200(交流) |
1500(直流)、7200(交流) |
||
|
注:1.生产厂为北京华德液压集团液压阀分公司、上海立新液压公司、上海朝田科技有限公司、海门市液压件厂。 2.北京华德液压集团液压阀分公司还生产通径4mm的WE4型电磁换向阀,详见生产厂产品样本。 |
|||||
|
表2 滑阀机能 |
||||||||||||
|
过渡状态机能 |
工作位置机能 |
过渡状态机能 |
工作位置机能 |
过渡状态机能 |
工作位置机能 |
|||||||
|
WE5型 |
WE6型 |
|||||||||||
|
|
|
|
||||||||||
|
WE6型 |
||||||||||||
|
|
|
|
||||||||||
|
过渡状态机能 |
工作位置机能 |
过渡状态机能 |
工作位置机能 |
过渡状态机能 |
工作位置机能 |
过渡状态机能 |
工作位置机能 |
|||||
|
WE10型 |
||||||||||||
|
|
|
|
|
|||||||||
|
① 表示如果工作压力超过6MPa,A和B型阀的T腔必须作为泄漏腔使用。 ② 表示E1型机能相当于P→A,B常开,E1和系列之间必须加一横线。 |
||||||||||||
|
表3 特性曲线 |
|||||||||||||||||||||||
|
WE5型 |
|
滑阀机能 |
流量/L·min-1 |
||||||||||||||||||||
|
工作压力/MPa |
|||||||||||||||||||||||
|
5 |
10 |
25 |
|||||||||||||||||||||
|
A、B、C、N、E、F、H、I、L、M、O、R、U、W |
14 |
14 |
12 |
||||||||||||||||||||
|
G |
10 |
10 |
9 |
||||||||||||||||||||
|
|
7—R型机能在工作位置AB 8—G型机能在中间位置PT
|
机能 |
流动方向 |
机能 |
流动方向 |
||||||||||||||||||
|
P→A |
P→B |
A→T |
B→T |
P→A |
P→B |
A→T |
B→T |
||||||||||||||||
|
A |
3 |
3 |
— |
— |
M |
2 |
4 |
3 |
3 |
||||||||||||||
|
B |
3 |
3 |
— |
— |
P |
2 |
3 |
3 |
5 |
||||||||||||||
|
C |
1 |
1 |
3 |
1 |
Q |
1 |
1 |
2 |
1 |
||||||||||||||
|
D |
5 |
5 |
3 |
3 |
R |
5 |
5 |
4 |
|
||||||||||||||
|
E |
3 |
3 |
1 |
1 |
T |
5 |
3 |
6 |
6 |
||||||||||||||
|
F |
2 |
3 |
3 |
5 |
U |
3 |
1 |
3 |
3 |
||||||||||||||
|
G |
5 |
3 |
6 |
6 |
V |
1 |
2 |
1 |
1 |
||||||||||||||
|
H |
2 |
4 |
2 |
2 |
W |
1 |
1 |
2 |
2 |
||||||||||||||
|
I |
1 |
1 |
2 |
1 |
Y |
5 |
5 |
3 |
3 |
||||||||||||||
|
L |
1 |
1 |
2 |
2 |
|
|
|
|
|
||||||||||||||
|
WE6型 |
直流电磁铁的阀 |
|
曲线:1—E1①,D/O,C/O,M 2—E 3—J,L,Q,U,W 4—C,D,Y 5—A,B 6—V 7—F,P 8—G,T,R 9—H |
||||||||||||||||||||
|
交流电磁铁的阀 |
|
曲线:1—E1①,D/O,C/O 2—E 3—J,L,Q,U,W 4—C,D,H,Y 5—M 6—A,B 7—F,P 8—V 9—G,T,R |
|||||||||||||||||||||
|
WE10型 |
机能 |
流动方向 |
机能 |
流动方向 |
|||||||||||||||||||
|
P→A |
P→B |
A→T |
B→T |
P→A |
P→B |
A→T |
B→T |
||||||||||||||||
|
A |
1 |
1 |
— |
— |
M |
3 |
3 |
6 |
6 |
||||||||||||||
|
B |
1 |
1 |
— |
— |
P |
2 |
2 |
4 |
4 |
||||||||||||||
|
C |
1 |
1 |
5 |
5 |
Q |
1 |
1 |
5 |
5 |
||||||||||||||
|
D |
1 |
1 |
5 |
5 |
R |
2 |
6 |
5 |
— |
||||||||||||||
|
E |
2 |
2 |
6 |
6 |
T |
5 |
5 |
5 |
6 |
||||||||||||||
|
F |
2 |
2 |
4 |
4 |
U |
1 |
1 |
5 |
6 |
||||||||||||||
|
G |
1 |
1 |
5 |
6 |
V |
2 |
2 |
5 |
5 |
||||||||||||||
|
H |
3 |
3 |
5 |
5 |
W |
2 |
2 |
5 |
5 |
||||||||||||||
|
J |
2 |
2 |
5 |
5 |
Y |
1 |
1 |
5 |
5 |
||||||||||||||
|
L |
1 |
1 |
5 |
6 |
|
|
|
|
|
||||||||||||||
|
|
压力级/MPa 流量/L·min-1 滑阀机能 |
5 |
10 |
21 |
|
E,H,M,C/O,D/O,D,Y,V |
75 |
70 |
60 |
|
|
J,C,L,Q,W,U |
75 |
65 |
45 |
|
|
G,R,F,P,T |
50 |
50 |
45 |
|
|
A,B,A/O |
45 |
35 |
25 |
|
|
① E1型机能相当于P→A,B常开。 注:1.阀的切换特性与过滤器的黏附效应有关。为达到所推荐的最大流量值,建议在系统中使用25μm的过滤器。作用在阀内部的液动力也影响阀的通流能力,因此不同的机能,有着不同的功率极限特性曲线。在只有一个通道的情况下,如四通阀堵住其A腔或B腔作为三通阀使用时,其功率极限差异较大,这个功率极限是电磁铁在热态和降低10%电压的情况下测定的。 2.电气连接必须接地。 3.试验条件:υ=41×10-6m2/s,t=50℃。 |
||||
|
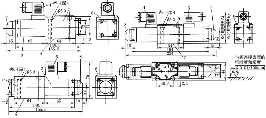
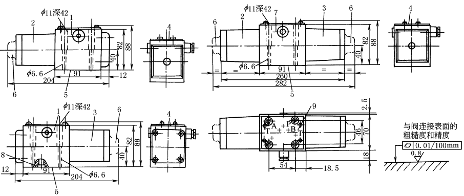
表4 外形尺寸 |
||
|
通径5:三位阀 |
通径5:二位阀 |
|
|
|
|
|
|
通 径 6 |
|
|
|
通 径 10 |
1—用1个电磁铁的二位阀;2—电磁铁a;3—电磁铁b;4—标牌;5—连接面;6—故障检查按钮;7—用2个电 磁铁的二位阀和三位阀;8—O形圈12×2;9—附加连接孔T腔可与ZDRD…型减压阀相连接 |
|
|
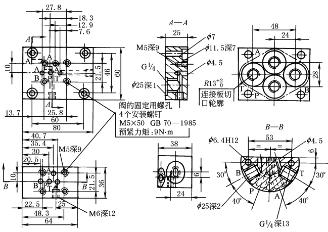
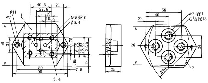
表5 安装底板尺寸 |
|||||||||
|
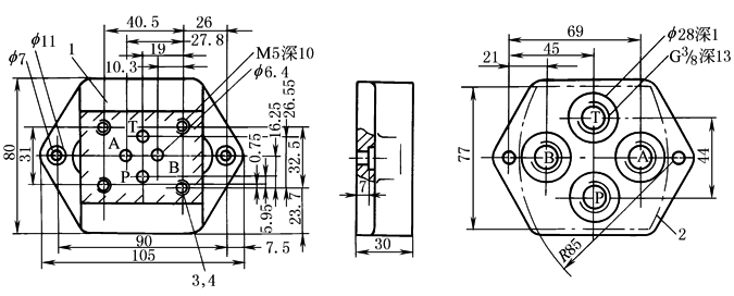
通 径 5 |
G115/1 G96/1 |
|
|||||||
|
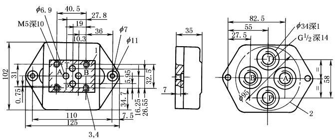
通 径 6 |
G341/01 (G1/4) |
|
|||||||
|
G342/01 (G3/8) |
|
1—阀的连接面; 2—固定连接板的切口轮廓; 3—阀的固定用螺孔; 4—阀固定螺钉4×M5×50,GB/T70.1,转矩9N·m |
|||||||
|
G502/01 (G1/2) |
|
||||||||
|
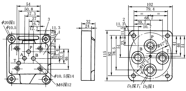
通 径 10 |
G66/01, G67/01 |
|
1—阀的连接面; 2—固定连接板的加工轮廓; 3—阀的安装螺孔 |
||||||
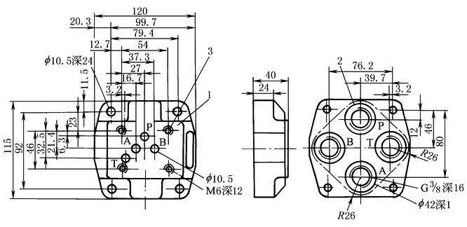
|
G534/01 |
|
||||||||
|
型号 |
质量/kg |
D1 |
D2 |
T1 |
阀的固定螺钉 |
转矩/N·m |
|||
|
G66/01 |
约2.3 |
G3/8 |
28 |
12 |
4×M6×50,GB/T70.1 |
15 |
|||
|
G67/01 |
G1/2 |
34 |
14 |
||||||
|
G534/01 |
约2.5 |
G3/4 |
42 |
16 |
4×M6×50,GB/T70.1 |
15 |
|||

























