|
SV/SL型液控单向阀 |
||||||||||
|
SV/SL型液控单向阀为锥阀式结构,只允许油流正向通过,反向则截止。当接通控制油口X时,压力油使锥阀离开阀座,油液可反向流动 型号意义:
表1 技术规格 |
||||||||||
|
阀型式 |
SV10 |
SL10 |
SV15&20 |
SL15&20 |
SV25&30 |
SL25&30 |
||||
|
X口控制容积/cm3 |
2.2 |
8.7 |
17.5 |
|||||||
|
Y口控制容积/cm3 |
— |
1.9 |
— |
7.7 |
— |
15.8 |
||||
|
液流方向 |
A至B自由流通,B至A自由流通(先导控制时) |
|||||||||
|
工作压力/MPa |
约31.5 |
|||||||||
|
控制压力/MPa |
0.5~31.5 |
|||||||||
|
液压油 |
矿物油 磷酸酯液 |
|||||||||
|
油温范围/℃ |
-30~70 |
|||||||||
|
黏度范围/mm2·s-1 |
2.8~380 |
|||||||||
|
质量/kg |
SV/SL10 |
SV15&20 |
SL15&20 |
SV/SL25 |
SV/SL30 |
|||||
|
2.5 |
4.0 |
4.5 |
8.0 |
|||||||
|
生产厂 |
北京华德液压集团液压阀分公司、上海立新液压公司、海门市液压件厂、上海朝田科技有限公司 |
|||||||||
|
表2 特性曲线 |
||
|
SL10,SV10 |
SV15,SV20 |
SL15、20、25、30,SV25、30 |
|
|
|
|
|
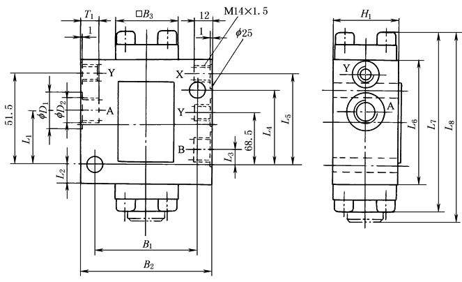
外形尺寸
SV/SL型液控单向阀外形尺寸(螺纹连接)
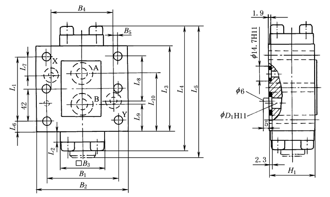
SV/SL型液控单向阀外形尺寸(板式安装) |
|
表3 mm |
||||||||||||||||||
|
螺纹连接 |
阀型号 |
B1 |
B2 |
B3 |
D1 |
D2 |
H1 |
L1 |
L2 |
L3 |
L4 |
L5 |
L6 |
L7 |
L8 |
T1 |
备注 |
|
|
SV |
10 |
66.5 |
85 |
40 |
34 |
M22×1.5 |
42 |
27.5 |
18.5 |
10.5 |
33.5 |
49 |
80 |
116 |
116 |
14 |
(1)尺寸L7只适用于开启压力1和2的阀 (2)尺寸L8只适用于开启压力3的阀 |
|
|
15 |
79.5 |
100 |
55 |
42 |
M27×1.5 |
57 |
36.7 |
17.3 |
13.3 |
50.5 |
67.5 |
95 |
135 |
146 |
16 |
|||
|
20 |
79.5 |
100 |
55 |
47 |
M33×1.5 |
57 |
36.7 |
17.3 |
13.3 |
50.5 |
67.5 |
95 |
135 |
146 |
18 |
|||
|
25 |
97 |
120 |
70 |
58 |
M42×1.5 |
75 |
54.5 |
15.5 |
20.5 |
73.5 |
89.5 |
115 |
173 |
179 |
20 |
|||
|
30 |
97 |
120 |
70 |
65 |
M48×1.5 |
75 |
54.5 |
15.5 |
20.5 |
73.5 |
89.5 |
115 |
173 |
179 |
22 |
|||
|
SL |
10 |
66.5 |
85 |
40 |
34 |
M22×1.5 |
42 |
22.5 |
18.5 |
10.5 |
33.5 |
49 |
80 |
116 |
116 |
14 |
||
|
15 |
79.5 |
100 |
55 |
42 |
M27×1.5 |
57 |
30.5 |
17.5 |
13 |
50.5 |
72.5 |
100 |
140 |
151 |
16 |
|||
|
20 |
79.5 |
100 |
55 |
47 |
M33×1.5 |
57 |
30.5 |
17.5 |
13 |
50.5 |
72.5 |
100 |
140 |
151 |
18 |
|||
|
25 |
97 |
120 |
70 |
58 |
M42×1.5 |
75 |
54.5 |
15.5 |
20.5 |
84 |
99.5 |
125 |
183 |
189 |
20 |
|||
|
30 |
97 |
120 |
70 |
65 |
M48×1.5 |
75 |
54.5 |
15.5 |
20.5 |
84 |
99.5 |
125 |
183 |
189 |
22 |
|||
|
板式安装 |
阀型号 |
B1 |
B2 |
B3 |
B4 |
B5 |
f D1 |
H1 |
L1 |
L2 |
L3 |
L4 |
L5 |
L6 |
L7 |
L8 |
L9 |
L10 |
备注 |
|
|
SV |
10 |
66.5 |
85 |
40 |
58.8 |
— |
20.6 |
42 |
43 |
10 |
80 |
116 |
116 |
18.5 |
21.5 |
— |
25.75 |
54.25 |
(1)尺寸L4只适用于开启压力1或2的阀 (2)尺寸L5只适用于开启压力3的阀 |
|
|
20 |
79.5 |
100 |
55 |
73 |
— |
29.4 |
57 |
60.5 |
10 |
95 |
135 |
146 |
17.3 |
20.6 |
— |
30.5 |
66.5 |
|||
|
30 |
97 |
120 |
70 |
92.8 |
— |
39.2 |
75 |
84 |
17 |
115 |
173 |
179 |
15.5 |
24.6 |
— |
35 |
83 |
|||
|
SL |
10 |
66.5 |
85 |
40 |
58.8 |
7.9 |
20.6 |
42 |
43 |
10 |
80 |
116 |
116 |
18.5 |
21.5 |
21.5 |
25.75 |
54.25 |
||
|
20 |
79.5 |
100 |
55 |
73 |
6.4 |
29.4 |
57 |
60.5 |
10 |
100 |
140 |
151 |
17.3 |
20.6 |
39.7 |
30.5 |
66.5 |
|||
|
30 |
97 |
120 |
70 |
92.8 |
3.8 |
39.2 |
75 |
84 |
17 |
125 |
183 |
189 |
15.5 |
24.6 |
59.5 |
35 |
83 |
|||
|
表4 安装底板尺寸 mm |
|||||||
|
通 径 10 |
|
||||||
|
通 径 20 |
|
||||||
|
通 径 30 |
|
||||||
|
通径 |
型号 |
D1 |
D2 |
T1 |
安装螺钉 |
转矩/N·m |
质量/kg |
|
10 |
G460/1 G461/1 |
28 34 |
G G |
13 15 |
4×M10×60GB/T70.1-2000 |
69 |
1.7 |
|
20 |
G412/1 G413/1 |
42 47 |
G G1 |
17 20 |
4×M10×80GB/T70.1-2000 |
69 |
3.3 |
|
30 |
G414/1 G415/1 |
56 61 |
G1 G1 |
21 23 |
6×M10×90GB/T70.1-2000 |
69 |
5.0 |









