|
WM型行程(滚轮)换向阀 |
|||||
|
(1)型号意义
(2)机能符号
图1 滑阀机能 注:1.阀芯型式E1=P-A/B先打开 2.必须注意差动缸增压问题 (3)技术性能 表1 技术规格 |
|||||
|
工作压力①/MPa |
油口A,B,P |
至31.5 |
|||
|
油口T |
至6 |
||||
|
流量/L·min-1 |
至60 |
||||
|
介质 |
名称 |
矿物质液压油或磷酸酯液压油 |
|||
|
温度/℃ |
-30~70 |
||||
|
黏度/mm2·s-1 |
2.8~380 |
||||
|
滚轮/推杆上的操作力 |
|
油口A,B,P的压力/MPa |
|||
|
|
10 |
20 |
31.5 |
||
|
无回油压力/N |
约100 |
约112 |
约121 |
||
|
有回油压力/N |
约184 |
约196 |
约205 |
||
|
当p=6MPa(max)时/N |
=回油压力×1.4 |
||||
|
质量/kg |
阀约1.4,底板G341约0.7,G342约1.2,G502约1.9 |
||||
|
① 对于滑阀机能A和B,若工作压力超过最高回油压力,则油口T必须用作泄油口。 注:生产厂为北京华德液压集团液压阀分公司、上海立新液压公司。 |
|||||
|
|
表2 特性曲线 |
|||||||||
|
阀芯 型式 |
流动方向 |
阀芯 型式 |
流动方向 |
|||||||
|
P→A |
P→B |
A→T |
B→T |
P→A |
P→B |
A→T |
B→T |
|||
|
A |
3 |
3 |
— |
— |
M |
2 |
4 |
3 |
3 |
|
|
B |
3 |
3 |
— |
— |
P |
2 |
3 |
3 |
5 |
|
|
C |
1 |
1 |
3 |
1 |
O |
1 |
1 |
2 |
1 |
|
|
D |
5 |
5 |
3 |
3 |
R |
5 |
5 |
4 |
|
|
|
E |
3 |
3 |
1 |
1 |
T |
5 |
3 |
6 |
6 |
|
|
F |
2 |
3 |
3 |
5 |
U |
3 |
1 |
3 |
3 |
|
|
G |
5 |
3 |
6 |
6 |
V |
1 |
2 |
1 |
1 |
|
|
H |
2 |
4 |
2 |
2 |
W |
1 |
1 |
2 |
2 |
|
|
J |
1 |
1 |
2 |
1 |
Y |
5 |
5 |
3 |
3 |
|
|
L |
1 |
1 |
2 |
2 |
|
|
|
|
|
|
|
注:1.曲线7阀芯型式“R”,切换位置B→A;曲线8阀芯型式“G”,切换位置P→T。 2.表中数字1~6为左图中曲线序号。 |
||||||||||
|
(4)外形及安装尺寸
图2 外形尺寸 1—切换位置a;2—切换位置o和a(a属于二位阀);3—切换位置b;4—液轮推杆能转90°;5—标牌;6—连接面; 7—用于A,B,P,T口的O形圈9.25×1.78;8—WMR型订货型号为“R”;9—WMU型订货型号为“U” |
|
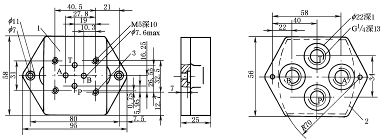
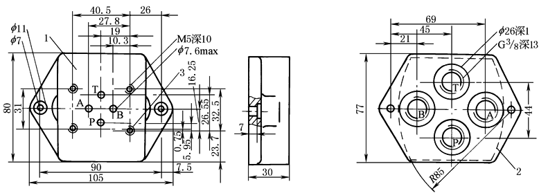
表3 安装底板尺寸 mm |
|
|
G341/01 |
|
|
G342/01 |
|
|
G502/01 |
|
|
注:1—阀安装面;2—安装连接板的切口轮廓;3—阀固定螺钉,M5×50,紧固转矩9N·m(必须单独订货)。 |
|






