|
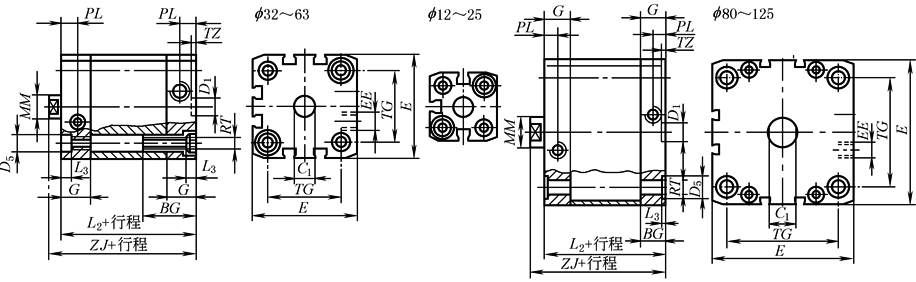
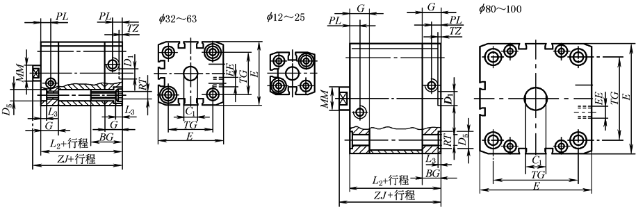
ISO 21287标准紧凑型气缸(f 32~125mm) |
||||||||||||||||
|
ISO 21287标准为2004年新标准,国内许多厂商均在开发考虑之中,国外一些气动制造厂商纷纷推出该系列产品,该系列产品都以型材气缸为主,有些气动制造厂商把该系列进行扩展,向下扩展为f 12mm、f 16mm,向上扩展到f 125mm。对于大缸径的缸端盖采用六个螺钉连接以确保强度 |
||||||||||||||||
|
表1 mm |
||||||||||||||||
|
双 作 用 型 |
|
|||||||||||||||
|
缸径 |
BG
|
f D1
H9 |
f D5
F9 |
E
|
EE
|
G
|
L2
最大 |
|
f MM
h8 |
|
RT
|
|
TG
±0.2 |
ZJ
|
C1
h13 |
|
|
12 |
17 |
9 |
6 |
|
M5 |
10.5 |
35 |
3.5 |
6 |
6 |
M4 |
2.1 |
16 |
40 |
5 |
|
|
16 |
|
11 |
8 |
18 |
7 |
|||||||||||
|
20 |
19.5 |
9 |
|
12 |
37 |
5 |
10 |
M5 |
22 |
43 |
9 |
|||||
|
25 |
|
39 |
26 |
45 |
||||||||||||
|
32 |
27 |
|
G1/8 |
15 |
44 |
12 |
8.2 |
M6 |
32.5 |
50 |
10 |
|||||
|
40 |
|
45 |
38 |
51 |
||||||||||||
|
50 |
12 |
12 |
|
16 |
M8 |
46.5 |
53 |
13 |
||||||||
|
63 |
|
49 |
56.5 |
57 |
||||||||||||
|
80 |
16.5 |
14 |
|
16.5 |
54 |
2.6 |
20 |
8.2 |
M10 |
2.6 |
72 |
63 |
17 |
|||
|
100 |
21.5 |
|
21.5 |
67 |
2.6 |
89 |
76 |
|||||||||
|
125 |
20 |
— |
|
G¼ |
20 |
81 |
— |
25 |
10.5 |
M12 |
110 |
92 |
21 |
|||
|
单 作 用 型 |
|
|||||||||||||||
|
缸径 |
BG
|
f D1
H9 |
f D5
F9 |
E
|
EE
|
G
|
L2
最大 |
|
f MM
h8 |
|
RT
|
|
TG
±0.2 |
ZJ
|
C1
h13 |
|
|
12 |
17 |
9 |
6 |
|
M5 |
10.5 |
35 |
3.5 |
6 |
6 |
M4 |
2.1 |
16 |
40 |
5 |
|
|
16 |
|
11 |
8 |
18 |
7 |
|||||||||||
|
20 |
19.5 |
9 |
|
12 |
37 |
5 |
10 |
M5 |
22 |
43 |
9 |
|||||
|
25 |
|
39 |
26 |
45 |
||||||||||||
|
32 |
27 |
|
G1/8 |
15 |
44 |
12 |
8.2 |
M6 |
32.5 |
50 |
10 |
|||||
|
40 |
|
45 |
38 |
51 |
||||||||||||
|
50 |
12 |
12 |
|
16 |
M8 |
2.6 |
46.5 |
53 |
13 |
|||||||
|
63 |
|
49 |
56.5 |
57 |
||||||||||||
|
80 |
16.5 |
14 |
|
16.5 |
54 |
2.6 |
20 |
8.2 |
M10 |
72 |
63 |
17 |
||||
|
100 |
21.5 |
|
21.5 |
67 |
10.5 |
89 |
76 |
|||||||||
|
表2 国内外生产ISO21287标准紧凑型气缸的厂商名录 |
||||||
|
厂商 |
型号 |
缸径 压力/温度范围 |
基本型式 |
派生型 |
备注 |
|
|
国内 厂商 |
佳尔灵 Jiaerling |
JDA |
f 20~100mm |
单作用、双作用 |
|
|
|
国
外
厂
商 |
Festo |
ADN/AEN |
f 12~125mm f 12~16:1~10bar f 20~125:0.6~10bar -20~+80℃ |
单作用、双作用、带磁性、内/外螺纹 |
双出杆、中空双出杆、加长外螺纹、特殊螺纹、加长活塞杆、方形活塞杆、高耐腐蚀性活塞杆、活塞杆带导向、多位置气缸、耐高温(150℃)、低速、低摩擦、防爆、防尘 |
|
|
MetalWork |
CMPC |
f 12~100mm f 12~32:0.6~10bar f 40~100:0.4~10bar -10~+80℃ |
单作用、双作用、带磁性、内/外螺纹 |
双出杆、活塞杆抗扭转、倍力气缸、多位置气缸 |
仅f 32~100mm符合ISO21287标准,f 100头部螺纹KK尺寸不符合标准 |
|
|
Norgren |
RM/19200/MX,…/M |
f 20~125mm 1~10bar -5~+80℃ |
单作用、双作用、带磁性、内/外螺纹 |
双出杆、活塞杆抗扭转、活塞杆带导向、带导向装置 |
|
|
|
Numatics |
K |
f 12~100mm 0.2~10bar -20~+80℃ |
单作用、双作用 |
双出杆 |
f 100mm不符合ISO21287标准 |
|
|
Pneumax |
Europe |
f 12~100mm |
单作用、双作用 |
双出杆、活塞杆抗扭转、串联气缸 |
f 32~100mm符合ISO21287标准 |
|
|
SMC |
C55 |
f 20~63mm 0.5~10bar -10~+70℃ |
单作用、双作用、可带/不带磁性 |
|
|
|
|
注:以上公司均以开头字母顺序排列。 |
||||||


