|
2FRM型调速阀及Z4S型流向调整板 |
|
2FRM型调速阀是二通流量控制阀,由减压阀和节流阀串联组成。由于减压阀对节流阀进行了压力补偿,所以调速阀的流量不受负载变化的影响,保持稳定。同时节流窗口设计成薄刃状,流量受温度变化很小。调速阀与单向阀并联时,油流能反向回流。若要求通过调速阀两个方向(AB、BA)都有稳定的流量,可以选择Z4S型整流板装在调速阀下 调速阀型号意义: |
|
|
图1 2FRM图形符号 |
|
通径5 |
通径10 |
通径16 |
|||
|
0.2L—0.2L/min |
6L—6L/min |
2L—2L/min |
25L—25L/min |
40L—40L/min |
125L—125L/min |
|
0.6L—0.6L/min |
10L—10L/min |
5L—5L/min |
35L—35L/min |
60L—60L/min |
160L—160L/min |
|
1.2L—1.2L/min |
15L—15L/min |
10L—10L/min |
50L—50L/min |
80L—80L/min |
— |
|
3L—3L/min |
— |
16L—16L/min |
— |
100L—100L/min |
— |
|
流向调整板型号意义:
|
图2 Z4S和2FRM图形符号 |
|
表1 技术规格 |
|||||||||||||||||
|
调
速
阀 |
项 目 |
通 径 |
|||||||||||||||
|
5 |
10 |
16 |
|||||||||||||||
|
最大流量/L·min-1 压差(BA回流)/MPa |
0.2 0.05 |
0.6 0.05 |
1.2 0.06 |
3.0 0.09 |
6.0 0.18 |
10.0 0.36 |
15.0 0.67 |
10 0.2 |
16 0.25 |
25 0.35 |
50 0.6 |
60 0.28 |
100 0.43 |
160 0.73 |
|||
|
流量稳定范围(Q最大)/% |
温度影响(-20~70℃) |
±5 |
±3 |
±2 |
±2 |
||||||||||||
|
|
±2 |
±4 |
±2 |
||||||||||||||
|
工作压力(A口)/MPa |
21 |
31.5 |
|||||||||||||||
|
最低压力损失/MPa |
0.3~0.5 |
0.6~0.8 |
0.3~1.2 |
0.5~1.2 |
|||||||||||||
|
过滤精度/μm |
25(Q<5L/min) 10(Q<0.5L/min) |
||||||||||||||||
|
质量/kg |
1.6 |
5.6 |
11.3 |
||||||||||||||
|
流 向 调 整 板 |
流量/L·min-1 |
15 |
50 |
160 |
|||||||||||||
|
工作压力/MPa |
21 |
31.5 |
|||||||||||||||
|
开启压力/MPa |
0.1 |
0.15 |
|||||||||||||||
|
质量/kg |
0.6 |
3.2 |
9.3 |
||||||||||||||
|
介质 |
矿物质液压油、磷酸酯液压油 |
||||||||||||||||
|
介质温度/℃ |
-20~70 |
介质黏度/m2·s-1 |
(2.8~380)×10-6 |
||||||||||||||
|
注:生产厂为北京华德液压集团液压阀分公司、上海立新液压公司。 |
|||||||||||||||||
|
表2 特性曲线(试验条件:υ=36×10-6m2/s,t=50℃) |
||||
|
调 速 阀 |
流向调整板 |
|||
|
2FRM5型 |
|
流动方向 (A→B)
|
Z4S5型 |
|
|
注:字母L原标准为Q。 |
|
|||
|
2FRM10型 |
|
Z4S10型 |
|
|
|
2FRM16型 |
|
Z4S16型 |
|
|
|
外形尺寸 |
||||
|
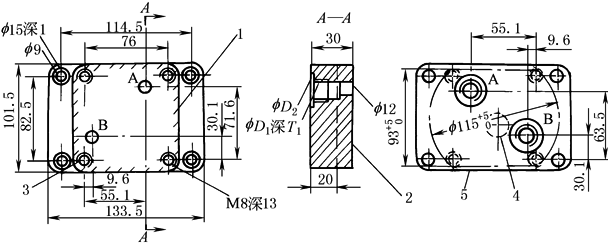
表3 调速阀尺寸 mm |
||||
|
2FRM5型 |
2FRM10、2FRM16型 |
通径 |
10 |
16 |
|
1—带锁调节手柄;2—标牌;3—减压阀行程调节器; 4—进油口A;5—出油口B |
B1 |
101.5 |
123.5 |
|
|
B2 |
35.5 |
41.5 |
||
|
B3 |
9.5 |
11.0 |
||
|
B4 |
68 |
81.5 |
||
|
D1 |
9 |
11 |
||
|
D2 |
15 |
18 |
||
|
H1 |
125 |
147 |
||
|
H2 |
95 |
117 |
||
|
H3 |
26 |
34 |
||
|
H4 |
51 |
72 |
||
|
H5 |
60 |
82 |
||
|
L1 |
95 |
123.5 |
||
|
T1 |
13 |
12 |
||
|
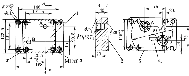
表4 流向调整板尺寸 mm |
|||
|
Z4S5 型 |
|
Z4S10、 Z4S16 型 |
|
|
与阀连接表面的粗糙度与精度
|
通径 |
B1 |
B2 |
B3 |
D1 |
H1 |
H2 |
H3 |
H4 |
L1 |
L2 |
L3 |
C1 |
C2 |
C3 |
C4 |
|
10 16 |
9.5 11 |
82.5 101.5 |
101.5 123.5 |
9 11 |
50 85 |
30 40 |
125 147 |
205 272 |
95 123.5 |
76 101.5 |
9.5 11 |
19 31.5 |
52.5 86.5 |
11 11 |
64.5 86 |
|
|
注:图中1—调速阀;2—流向调整板;3—底板;4—进油口A;5—出油口B;6—O形圈:16×2.4(通径5),18.66×3.53(通径10),26.58×3.53(通径16);7—O形圈密封槽孔仅用于16通径阀,配合件不得有孔;8—标牌。 |
||||||||||||||||
|
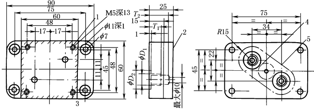
表5 安装底板尺寸 mm |
|||||||||
|
通 径 5 |
|
通径 |
5 |
10 |
16 |
||||
|
底 板 型 号 |
|
|
|
|
|
|
|||
|
D1 |
|
|
|
|
|
|
|||
|
通 径 10 |
|
1—安装面 2—底面 3—安装孔 4—对通径5、10,在20范围内不得有孔;对通径16,在30范围内不得有孔 5—与阀连接的切口轮廓 |
D2 |
25 |
32 |
34 |
42 |
47 |
56 |
|
T1 |
12 |
14 |
15 |
17 |
19 |
21 |
|||
|
T2 |
17 |
20 |
|
|
|
|
|||
|
通 径 16 |
|
阀 安 装 螺 钉 |
4×M 5×50 GB 70— 1985 |
4×M 8×50 GB 70— 1985 |
4×M 10×80 GB 70 —1985 |
||||
|
转矩/ N·m |
6 |
35 |
70 |
||||||
|
质量 /kg |
0.9 |
2.3 |
4 |
||||||
















