|
MSA型调速阀 |
|||
|
MSA型调速阀为二通流量控制阀,由减压阀和节流阀串联组成。调速不受负载压力变化的影响,保持执行元件工作速度稳定 型号意义:
表1 技术规格 |
|||
|
工作压力/MPa |
21 |
介质 |
矿物质液压油 |
|
流量调节 |
与压力无关 |
介质温度/℃ |
20~70 |
|
最小压差/MPa |
0.5~1 (与Qmax有关) |
介质黏度/m2·s-1 |
(2.8~380)×10-6 |
|
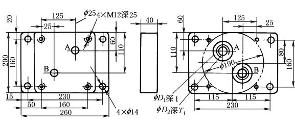
表2 外形尺寸 mm |
||||
|
调
速
板 |
|
通径 |
30 |
|
|
底板型号 |
G138/1 |
G139/1 |
||
|
D1 |
56 |
61 |
||
|
D2 |
G1¼ |
G1½ |
||
|
安 装 底 板 |
` |
T1 |
21 |
23 |
|
阀安装螺钉 |
4×M12×110 GB/T70.1—2000 |
|||
|
转矩/N·m |
75 |
|||
|
注:生产厂为北京华德液压集团液压阀分公司、上海立新液压公司。 |
||||



