|
DZ型先导式顺序阀 |
|||
|
该阀利用油路本身压力来控制液压缸或马达的先后动作顺序,以实现油路系统的自动控制。改变控制油和泄漏油的连接方法,该阀还可作为卸荷阀和背压阀(平衡阀)使用 型号意义:
表1 技术规格 |
|||
|
通径/mm |
10 |
25 |
32 |
|
介质 |
矿物质液压油、磷酸酯液 |
||
|
介质温度范围/℃ |
-20~70 |
||
|
介质黏度范围/m2·s-1 |
(2.8~380)×10-6 |
||
|
连接口A、B、X的工作压力/MPa |
≤31.5 |
||
|
连接口Y的背压力/MPa |
≤31.5 |
||
|
顺序阀动作压力/MPa |
0.3(与流量有关)~21 |
||
|
流量/L·min-1 |
≈150 |
≈300 |
≈450 |
|
注:生产厂为北京华德液压集团液压阀分公司、上海立新液压公司、海门市液压件厂、上海朝田科技有限公司。 |
|||
|
表2 图形符号及特性曲线 |
|
|
图 形 符 号 |
试验条件:υ=36×10-6m2/s,t=50℃;曲线适用于控制油无背压外部回油的工况,当控制油内排时,输入压力大于输出压力
|
|
|
|
|
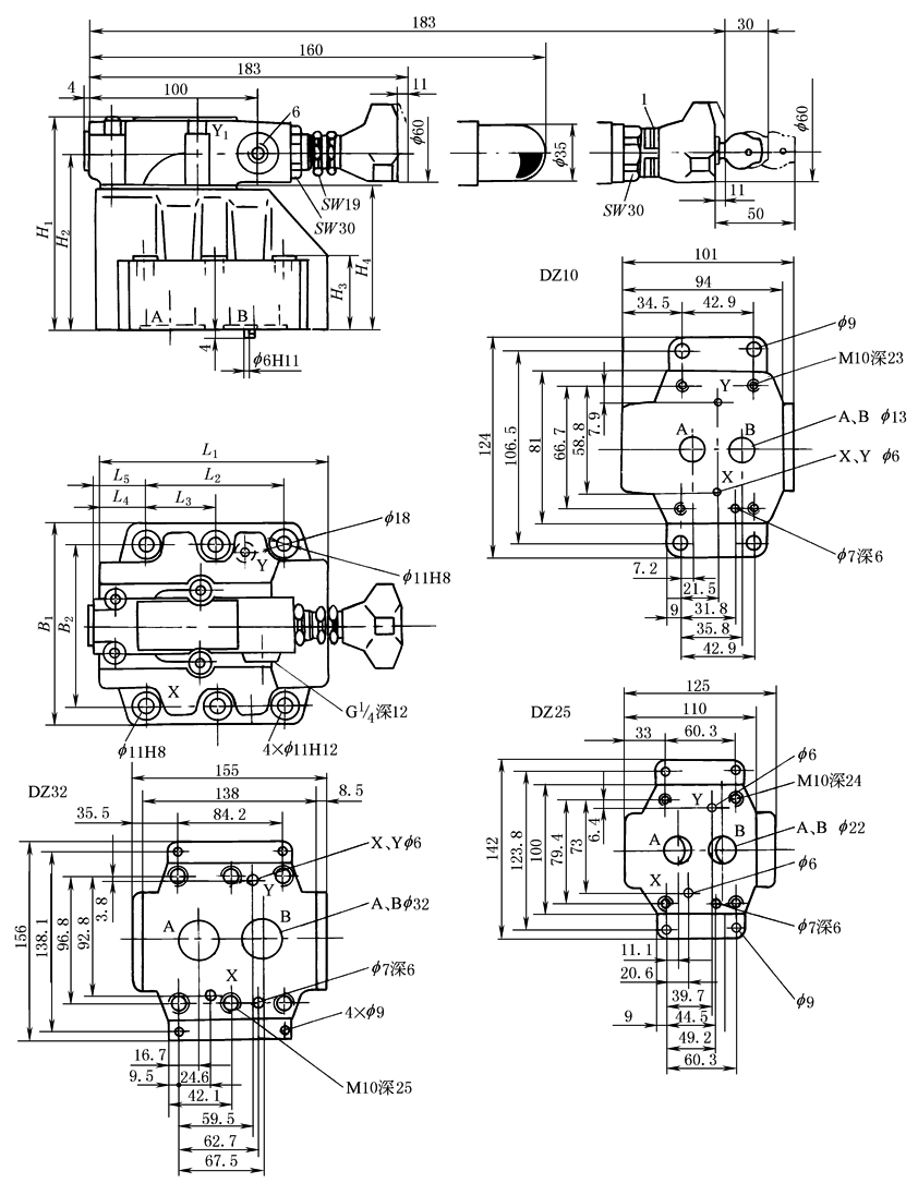
DZ型先导式顺序阀外形及连接尺寸(板式)
|
||||||||||||||
|
表3 mm |
||||||||||||||
|
通径 |
B1 |
B2 |
H1 |
H2 |
H3 |
H4 |
L1 |
L2 |
L3 |
L4 |
L5 |
O形圈 X、Y口 |
O形圈 A、B口 |
质量/kg |
|
10 |
85 |
66.7 |
112 |
92 |
28 |
72 |
90 |
42.9 |
— |
35.5 |
34.5 |
9.25×1.78 |
17.12×2.62 |
3.6 |
|
25 |
102 |
79.4 |
122 |
102 |
38 |
82 |
112 |
60.3 |
— |
33.5 |
37 |
9.25×1.78 |
28.17×3.53 |
5.5 |
|
32 |
120 |
96.8 |
130 |
110 |
46 |
90 |
140 |
84.2 |
42.1 |
28 |
31.3 |
9.25×1.78 |
34.52×3.53 |
8.2 |
|
DZ型先导式顺序阀外形及连接尺寸(插入式)
|
||||||
|
表4 mm |
||||||
|
通径 |
D1 |
D2 |
D3 |
质量/kg |
阀的安装螺钉(必须单独订货) |
转矩/N·m |
|
10 |
10 |
40 |
10 |
1.4 |
4×M8×40GB/T70.1 |
31 |
|
25 |
25 |
45 |
25 |
1.4 |
||
|
32 |
32 |
45 |
32 |
1.4 |
||
|
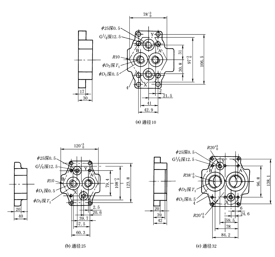
安装底板尺寸
|
|||||||
|
表5 mm |
|||||||
|
通径 |
型号 |
D1 |
D2 |
T1 |
阀的固定螺钉 |
转矩/N·m |
质量/kg |
|
10 |
G460/1 |
28 |
G3/8 |
12.5 |
4×M10×50GB/T70.1 (必须单独订货) |
69 |
1.7 |
|
G461/1 |
34 |
G½ |
14.5 |
||||
|
25 |
G412/1 |
42 |
G¾ |
16.5 |
4×M10×60GB/T70.1 (必须单独订货) |
69 |
3.3 |
|
G413/1 |
47 |
G1 |
19.5 |
||||
|
32 |
G414/1 |
56 |
G1¼ |
20.5 |
6×M10×70GB/T70.1 (必须单独订货) |
69 |
5 |
|
G415/1 |
61 |
G1½ |
22.5 |
||||






