|
FD型平衡阀 |
||||
|
FD型阀主要用于起重机械的液压系统,使液压缸或液压马达的运动速度不受载荷变化的影响,保持稳定。在阀内部附加的单向阀可防止管路损坏或制动失灵时,重物可自由降落,以避免事故 型号意义:
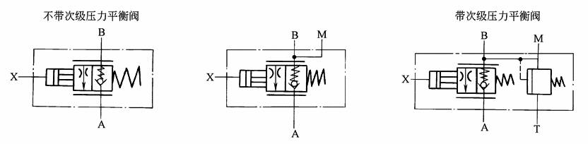
图形符号:
图 FD型平衡阀特性曲线 注:1.从B→A为通过节流阀时的压差与流量的关系曲线 (节流全开、px=6MPa) 2.从A→B为通过单向阀时的压差与流量的关系曲线 表1 技术规格 |
||||
|
通径/mm |
12 |
16 |
25 |
32 |
|
流量/L·min-1 |
80 |
200 |
320 |
560 |
|
工作压力(A、X口)/MPa |
31.5 |
|||
|
工作压力(B口)/MPa |
42 |
|||
|
先导压力(X口)/MPa |
最小2~3.5;最大31.5 |
|||
|
开启压力(A→B)/MPa |
0.2 |
|||
|
二次溢流阀调节压力/MPa |
40 |
|||
|
介质 |
矿物质液压油 |
|||
|
介质黏度/m2·s-1 |
(2.8~380)×10-6 |
|||
|
介质温度/℃ |
-20~70 |
|||
|
注:生产厂为北京华德液压集团液压阀分公司、上海立新液压公司。 |
||||
|
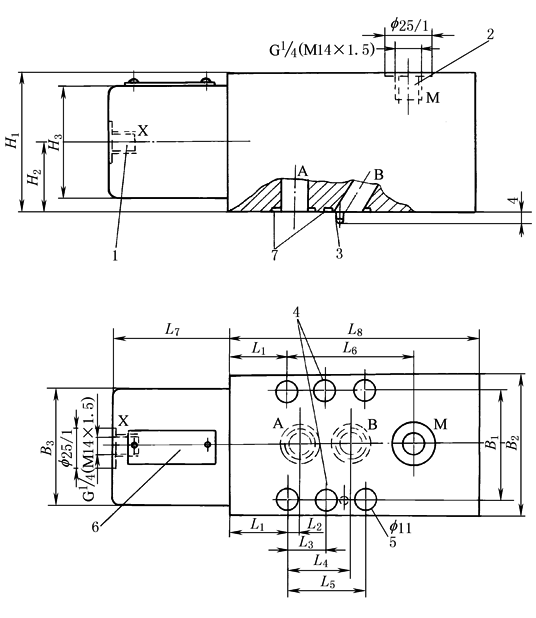
FD﹡PA型平衡阀外形尺寸
1—控制口;2—监测口;3—定位销;4—通径12、16、25时无此孔; 5—安装孔(通径12、16、25时为4孔,通径32时为6孔);6—标牌;7—O形圈 |
||||||||||||||||
|
表2 mm |
||||||||||||||||
|
型号 |
B1 |
B2 |
B3 |
H1 |
H2 |
H3 |
L1 |
L2 |
L3 |
L4 |
L5 |
L6 |
L7 |
L8 |
质量 /kg |
O形圈(7) |
|
FD12PA10 |
66.5 |
85 |
70 |
85 |
42.5 |
70 |
32 |
7 |
— |
35.5 |
43 |
73 |
65 |
140 |
9 |
21.3×2.4 |
|
FD16PA10 |
66.5 |
85 |
70 |
85 |
42.5 |
70 |
32 |
7 |
|
35.5 |
43 |
73 |
65 |
140 |
9 |
21.3×2.4 |
|
FD25PA10 |
79.5 |
100 |
80 |
100 |
50 |
80 |
39 |
11 |
|
49 |
60.5 |
109 |
75 |
200 |
18 |
29.82×2.62 |
|
FD32PA10 |
97 |
120 |
95 |
120 |
60 |
95 |
35.5 |
16.5 |
42 |
67.5 |
84 |
119.5 |
94 |
215 |
24 |
38×3 |
|
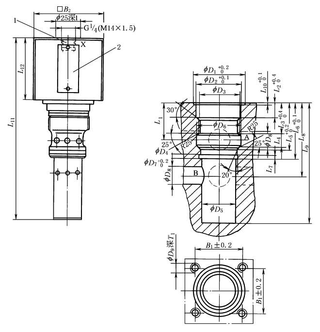
FD﹡KA型平衡阀外形尺寸
1—控制口;2—标牌(油口A和B位置可以选择,插入式阀安装孔不得有缺陷) |
|
表3 mm |
||||||||||||||||||
|
型号 |
B1 |
B2 |
D1 |
D2 |
D3 |
D4 |
D5 |
D6 |
D7 |
D8 |
D9 |
T1 |
L1 |
L2 |
L3 |
L4 |
L5 |
L6 |
|
FD12KA10 |
48 |
70 |
54 |
46 |
M42×2 |
38 |
34 |
46 |
38.6 |
16 |
M10 |
16 |
39 |
16 |
32 |
15.5 |
50.6 |
60 |
|
FD16KA10 |
48 |
70 |
54 |
46 |
M42×2 |
38 |
34 |
46 |
38.6 |
16 |
M10 |
16 |
39 |
16 |
32 |
15.5 |
50.6 |
60 |
|
FD25KA10 |
56 |
80 |
60 |
54 |
M52×2 |
48 |
40 |
60 |
48.6 |
25 |
M12 |
19 |
50 |
19 |
39 |
22 |
65 |
80 |
|
FD32KA10 |
66 |
95 |
72 |
65 |
M64×2 |
58 |
52 |
74 |
58.6 |
30 |
M16 |
23 |
52 |
19 |
40 |
25 |
71 |
85 |
|
型号 |
L7 |
L8 |
L9 |
L10 |
L11 |
L12 |
规格 |
阀安装螺钉 |
转矩/N·m |
|
FD12KA10 |
3 |
78 |
128 |
2.3 |
191 |
65 |
16 |
4×M10×70GB/T70.1 |
69 |
|
FD16KA10 |
3 |
78 |
128 |
2.3 |
191 |
65 |
12 |
4×M10×70GB/T70.1 |
69 |
|
FD25KA10 |
4 |
105 |
182 |
2.3 |
253 |
75 |
25 |
4×M12×80GB/T70.1 |
120 |
|
FD32KA10 |
4 |
115 |
198 |
2.3 |
289 |
94 |
32 |
4×M16×100GB/T70.1 |
295 |
|
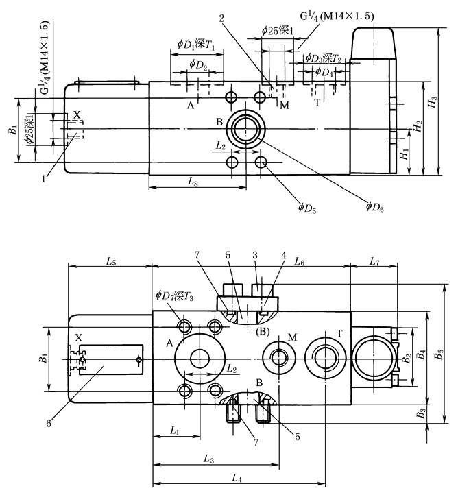
FD﹡FA型平衡阀外形尺寸 1—控制口;2—监测口;3—法兰固定螺钉;4—盖板;5—可选择的 B孔;6—标牌;7—O形圈(用于二次溢流阀的SAE螺纹法兰连接) |
|
表4 mm |
|||||||||||
|
型号 |
B1 |
B2 |
B3 |
B4 |
D1 |
D2 |
D3 |
D4 |
D5 |
H1 |
H2 |
|
FD12FA10 |
50.8 |
16.5 |
72 |
110 |
43 |
18 |
10.5 |
18 |
M10 |
36 |
72 |
|
FD16FA10 |
50.8 |
16.5 |
72 |
110 |
43 |
18 |
10.5 |
18 |
M10 |
36 |
72 |
|
FD25FA10 |
57.2 |
14.5 |
90 |
132 |
50 |
25 |
13.5 |
25 |
M12 |
45 |
90 |
|
FD32FA10 |
66.7 |
20 |
105 |
154 |
56 |
30 |
15 |
30 |
M14 |
50 |
105 |
|
型号 |
L1 |
L2 |
L3 |
L4 |
L5 |
L6 |
T1 |
T2 |
质量/kg |
O形圈(7) |
|
FD12FA10 |
39 |
23.8 |
105 |
65 |
140 |
78 |
0.2 |
15 |
7 |
25×3.5 |
|
FD16FA10 |
39 |
23.8 |
105 |
65 |
140 |
78 |
0.2 |
15 |
7 |
25×3.5 |
|
FD25FA10 |
50 |
27.8 |
148 |
75 |
200 |
105 |
0.2 |
18 |
16 |
32.92×3.53 |
|
FD32FA10 |
52 |
31.6 |
155 |
94 |
215 |
115 |
0.2 |
21 |
21 |
37.7×3.53 |
|
FD﹡FB型平衡阀外形尺寸
1—控制口;2—监测口;3—法兰固定螺钉;4—盲孔板;5—可选择的 B孔;6—标牌;7—O形圈(用于带二次溢流阀的SAE螺纹法兰连接) |
|
表5 mm |
||||||||||||||
|
型号 |
B1 |
B2 |
B3 |
B4 |
B5 |
D1 |
D2 |
D3 |
D4 |
D5 |
D6 |
D7 |
H1 |
H2 |
|
FD12FB10 |
50.8 |
47 |
16.5 |
72 |
110 |
43 |
18 |
34 |
G |
10.5 |
18 |
M10 |
36 |
72 |
|
FD16FB10 |
50.8 |
47 |
16.5 |
72 |
110 |
43 |
18 |
34 |
G |
10.5 |
18 |
M10 |
36 |
72 |
|
FD25FB10 |
57.2 |
80 |
14.5 |
90 |
132 |
50 |
25 |
42 |
G |
13.5 |
25 |
M12 |
45 |
90 |
|
FD32FB10 |
66.7 |
80 |
20 |
105 |
154 |
56 |
30 |
42 |
G |
15 |
30 |
M14 |
50 |
105 |
|
型号 |
H3 |
L1 |
L2 |
L3 |
L4 |
L5 |
L6 |
L7 |
L8 |
T1 |
T2 |
T3 |
质量/kg |
O形圈(7) |
|
FD12FB10 |
118 |
39 |
23.8 |
105 |
141.5 |
65 |
162 |
38 |
78 |
0.2 |
1 |
15 |
9 |
25×3.5 |
|
FD16FB10 |
118 |
39 |
23.8 |
105 |
141.5 |
65 |
162 |
38 |
78 |
0.2 |
1 |
15 |
9 |
25×3.5 |
|
FD25FB10 |
145 |
50 |
27.8 |
148 |
198 |
75 |
225 |
50 |
105 |
0.2 |
1 |
18 |
18 |
32.92×3.53 |
|
FD32FB10 |
145 |
52 |
31.6 |
155 |
215 |
94 |
240 |
50 |
115 |
0.2 |
1 |
21 |
24 |
37.7×3.53 |
|
FD型平衡阀连接底板尺寸
|
|
表6 mm |
|||||||
|
通径 |
型号 |
D1 |
D2 |
T1 |
阀安装螺钉 |
螺钉紧固转矩 /N·m |
质量 /kg |
|
12 |
G460/1 |
28 |
G3/8 |
12.5 |
4×M10×50 GB/T70.1 |
69 |
1.7 |
|
16 |
G461/1 |
34 |
G½ |
14.5 |
|||
|
25
|
G412/1 G413/1 |
42 47 |
G¾ G1 |
16.5 19.5 |
4×M10×60 GB/T70.1 |
69
|
3.3
|
|
32
|
G414/1 G415/1 |
56 61 |
G1¼ G1½ |
20.5 22.5 |
4×M10×70 GB/T70.1 |
69 |
5 |







