|
DA/DAW型先导式卸荷溢流阀、电磁卸荷溢流阀 |
||||
|
该阀是先导控制式卸荷阀,作用是在蓄能器工作时,可使液压泵卸荷;或者在双泵系统中,高压泵工作时,使低压大流量泵卸荷 型号意义:
表1 技术规格 |
||||
|
通径/mm |
10 |
25 |
32 |
|
|
最大工作压力/MPa |
31.5 |
|
|
|
|
最大流量/L·min-1 |
40 |
100 |
250 |
|
|
切换压力(PT切换PA)/MPa |
17%以内(见下表2) |
|||
|
介质温度/℃ |
-20~70 |
|||
|
介质黏度/m2·s-1 |
(2.8~380)×10-6 |
|||
|
质量/kg |
DA |
3.8 |
7.7 |
13.4 |
|
DAW |
4.9 |
8.8 |
14.5 |
|
|
注:生产厂为北京华德液压集团液压阀分公司、上海立新液压公司、海门市液压件厂、上海朝田科技有限公司 |
||||
|
表2 特性曲线与图形符号 |
||
|
图形符号 |
|
|
|
特性曲线 |
试验条件: υ=36× 10-6m2/s, t=50℃ |
|
|
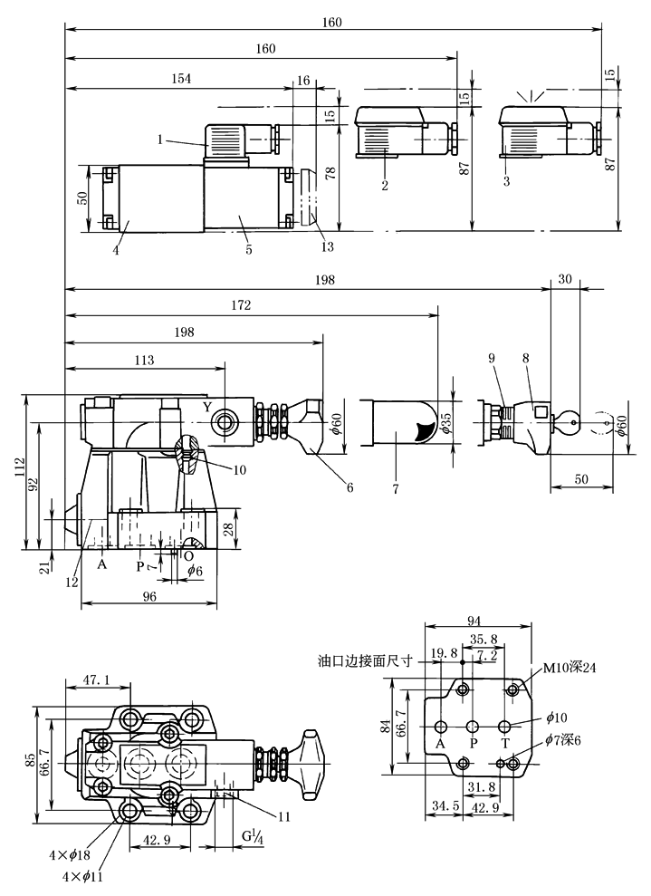
图1 DA/DAW10…30/…型先导式卸荷阀(板式)外形尺寸 1—Z4型插头;2—Z5型插头;3—Z5L型插头;4—换向阀;5—电磁铁; 6—调节方式“1”;7—调节方式“2”;8—调节方式“3”; 9—调节刻度套;10—螺塞(控制油内泄时没有此件); 11—外泄口Y;12—单向阀;13—故障检查按钮
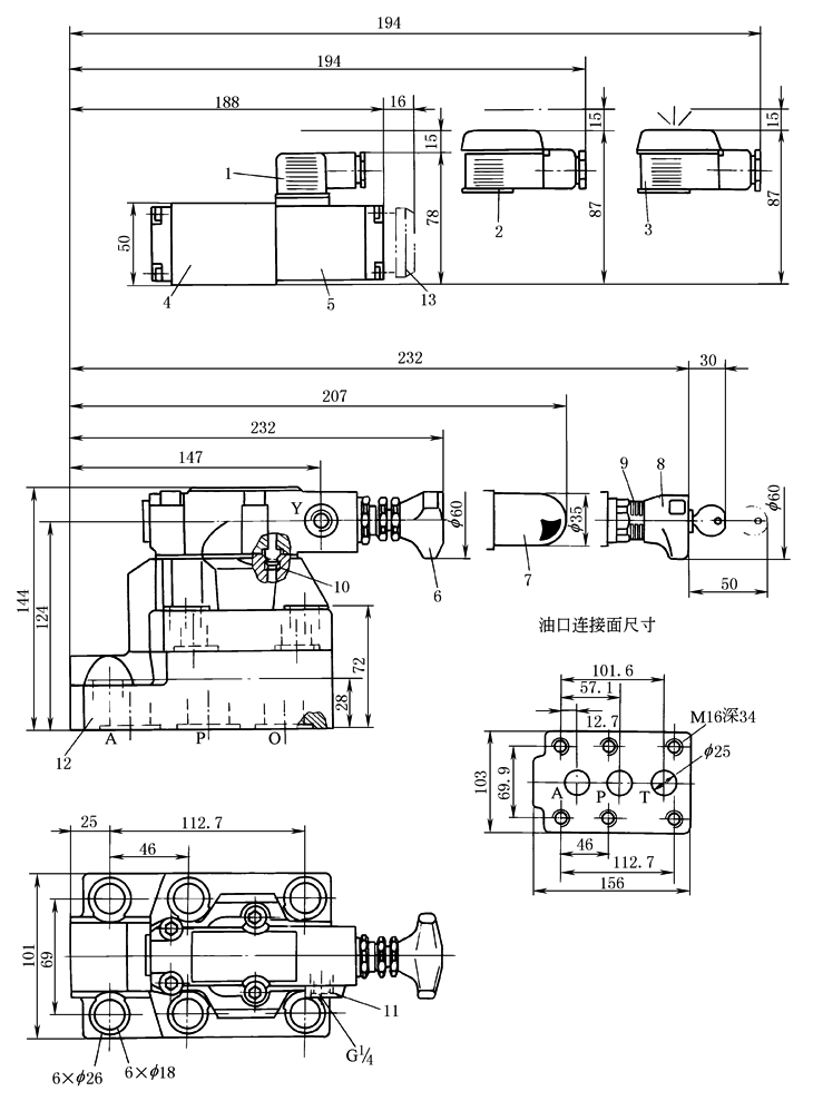
图2 DA/DAW20…30/…型先导式卸荷阀(板式)外形尺寸 1—Z4型插头;2—Z5型插头;3—Z5L型插头;4—换向阀;5—电磁铁; 6—调节方式“1”;7—调节方式“2”;8—调节方式“3”; 9—调节刻度套;10—螺塞(控制油内泄时没有此件); 11—外泄口Y;12—单向阀;13—故障检查按钮
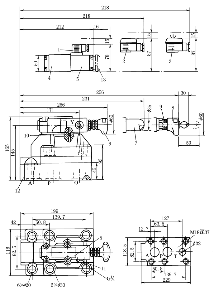
图3 DA/DAW30…39…型先导式卸荷阀(板式)外形尺寸 1—Z4型电线插头;2—Z5型电线插头;3—Z5L型电线插头;4—换向阀;5—电磁铁; 6—压力调节方式“1”;7—压力调节方式“2”;8—压力调节方式“3”;9—调节刻度套; 10—螺塞(控制油内泄时无此件);11—外泄口Y;12—单向阀;13—故障检查按钮 |
|
表3 连接底板型号 |
||
|
10 |
25 |
32 |
|
G467/1 |
G469/1 |
G471/1 |
|
G468/1 |
G470/1 |
G472/1 |






