|
DBT/DBWT型遥控溢流阀 |
||||
|
DBT/DBWT型遥控溢流阀是直动式结构溢流阀,DBT型溢流阀用于遥控系统压力,DBWT型溢流阀用于遥控系统压力并借助于电磁阀使之卸荷 型号意义:
表1 技术规格 |
||||
|
型号 |
最大流量/L·min-1 |
工作压力/MPa |
背压/MPa |
最高调节压力/MPa |
|
DBT |
3 |
31.5 |
≈31.5 |
10、31.5 |
|
DBWT |
3 |
31.5 |
交流,≈10直流,≈16 |
10、31.5 |
|
注:生产厂为北京华德液压工业集团液压阀分公司、上海立新液压公司、海门市液压件厂、上海朝田科技有限公司。 |
||||
|
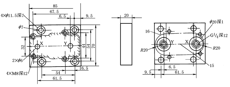
表2 DBT/DBWT型遥控溢流阀及安装底板尺寸 |
||||
|
遥 控 溢 流 阀 |
1—Z4型插头;2—插头颜色:灰色;3—Z5型插头;4—Z5L型插头;5—5通径电磁阀;6—标牌;7—控制油外排口Y;8—刻度套;9—螺母(只用于31.5MPa);10—调节方式“1”;11—调节方式“2”;12—调节方式“3”;13—电磁铁“a”;14—故障检查按钮 |
|||
|
安
装
底
板 |
15—安装连接板的切口轮廓中心点;16—安装连接板的切口轮廓 |
|||
|
型号 |
阀的固定螺栓必须单独外购 |
扭矩/N·m |
质量/kg |
|
|
G51/1 |
4×M8×40GB/T70.1 |
31 |
1 |
|



