|
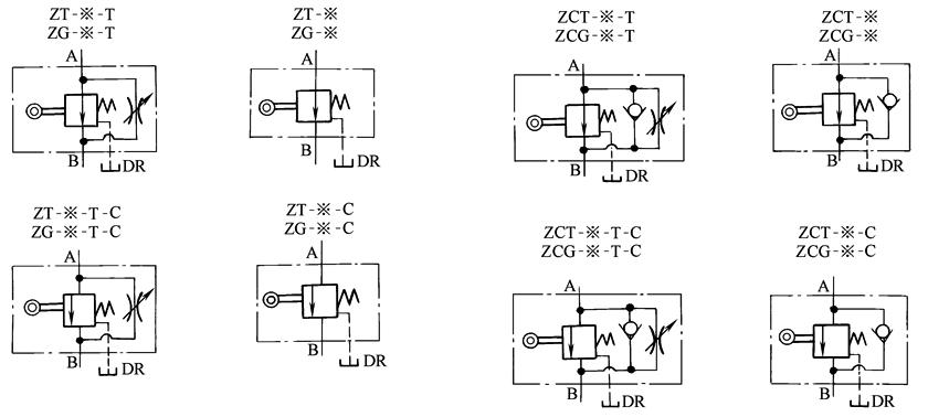
Z 型行程减速阀、ZC 型单向行程减速阀 |
|||||||||||||
|
本元件可通过凸轮撞块操作,简单地进行节流调速及油路的开关。可用于机床工作台进给回路,使执行元件进行加、减速及停止运动。行程单向减速阀内装单向阀,油液反向流动不受减速阀的影响 型号意义:
图形符号 表1 技术规格 |
|||||||||||||
|
通径代号 |
03 |
06 |
10 |
型号 |
阀全关闭时内部泄油量/mL·min-1 |
||||||||
|
通径/mm |
10 |
20 |
30 |
压力/MPa |
|||||||||
|
最大流量/L·min-1 |
30 |
80 |
200 |
1.0 |
2.0 |
5.0 |
10.0 |
21.0 |
|||||
|
Z﹡﹡-03 |
9 |
18 |
44 |
88 |
185 |
||||||||
|
最高使用压力/MPa |
21 |
21 |
21 |
Z﹡﹡-06 |
9 |
17 |
43 |
86 |
180 |
||||
|
质量/kg |
T型 |
4.3 |
8.7 |
17 |
Z﹡﹡-10 |
10 |
20 |
49 |
98 |
205 |
|||
|
G型 |
4.3 |
8.7 |
17 |
连接底板 |
|||||||||
|
介质黏度/m2·s-1 介质温度/℃ |
(20~200)×10-6 -15~70 |
型号 |
底板型号 |
连接口 |
质量/kg |
||||||||
|
Z﹡G-03 |
ZGM-03-21 |
Rc3/8 |
2 |
||||||||||
|
Z﹡G-06 |
ZGM-06-21 |
Rc3/4 |
3.8 |
||||||||||
|
泄压口最大背压/MPa |
0.1 |
Z﹡G-10 |
ZGM-10-21 |
Rc1¼ |
9 |
||||||||
|
表2 外形尺寸 mm |
||||||||||
|
|
|
|||||||||
|
型号 |
C |
D |
E |
F |
G |
H |
J |
K |
L |
N |
P |
Q |
T |
U |
V |
|
Z※T-03 |
102 |
80 |
66 |
40 |
11 |
82 |
60 |
41 |
20 |
11 |
141 |
58 |
40 |
56 |
25 |
|
Z※T-06 |
120 |
98 |
82 |
49 |
11 |
106 |
84 |
57 |
32 |
11 |
176 |
81 |
57 |
65 |
27 |
|
Z※T-10 |
160 |
132 |
103 |
66 |
14 |
140 |
112 |
75 |
40 |
14 |
224 |
106 |
75 |
80 |
32 |
|
型号 |
X |
Y |
Z |
a |
b |
d |
e |
f |
g |
h |
i |
j |
m |
n |
q |
|
Z※T-03 |
70 |
60 |
25 |
35 |
18 |
6 |
10 |
2 |
8 |
2 |
8 |
8.8 |
14 |
24.5 |
3/8 |
|
Z※T-06 |
95 |
85 |
32 |
50 |
22 |
8 |
13 |
3 |
10 |
3 |
10 |
11 |
17.5 |
29 |
3/4 |
|
Z※T-10 |
110 |
96 |
40 |
55 |
28 |
10 |
18 |
3 |
15 |
3 |
15 |
13.5 |
21 |
34 |
1¼ |
|
|
|
|
型号 |
C |
D |
E |
F |
G |
H |
J |
K |
L |
N |
P |
Q |
S |
|
Z※G-03 |
102 |
80 |
66 |
40 |
11 |
82 |
60 |
41 |
11 |
141 |
56 |
25 |
70 |
|
Z※G-06 |
120 |
98 |
82 |
49 |
11 |
106 |
84 |
57 |
11 |
176 |
65 |
27 |
95 |
|
Z※G-10 |
160 |
132 |
103 |
66 |
14 |
140 |
112 |
75 |
14 |
224 |
80 |
32 |
110 |
|
型号 |
T |
U |
V |
X |
Y |
z |
a |
b |
d |
e |
f |
g |
|
|
Z※G-03 |
60 |
35 |
18 |
6 |
10 |
2 |
8 |
2 |
8 |
8.8 |
14 |
24.5 |
|
|
Z※G-06 |
85 |
50 |
22 |
8 |
13 |
3 |
10 |
3 |
10 |
11 |
17.5 |
29 |
|
|
Z※G-10 |
96 |
55 |
28 |
10 |
18 |
3 |
15 |
3 |
15 |
13.5 |
21 |
34 |
|
|
底板尺寸
mm |
|
型号 |
A |
B |
C |
D |
E |
F |
G |
H |
J |
K |
L |
N |
P |
|
ZGM-03 |
146 |
124 |
80 |
60 |
42 |
20 |
22 |
11 |
85 |
60 |
40 |
20 |
12.5 |
|
ZGM-06 |
160 |
138 |
98 |
74 |
53 |
24 |
20 |
11 |
108 |
84 |
57 |
32 |
12 |
|
ZGM-10 |
218 |
190 |
132 |
98 |
70 |
34 |
29 |
14 |
140 |
112 |
75 |
40 |
14 |
|
型号 |
Q |
S |
T |
U |
V |
X |
Y |
Z |
a |
b |
d |
e |
|
|
ZGM-03 |
58 |
44 |
102 |
26 |
M8 |
18 |
6.2 |
14 |
3/8 |
11 |
17.5 |
10.8 |
|
|
ZGM-06 |
81 |
60 |
120 |
35 |
M10 |
18 |
11 |
23 |
3/4 |
11 |
17.5 |
10.8 |
|
|
ZGM-10 |
106 |
87 |
160 |
45 |
M12 |
25 |
11 |
29 |
1¼ |
14 |
21 |
13.5 |
|
|
注:生产厂为榆次油研液压公司。 |
|||||||||||||





