|
叠加式(单向)节流阀 |
||||
|
本元件装在电磁换向阀与电液换向阀之间,以控制电液换向阀的换向速度,减小冲击 型号意义:
技术规格 |
||||
|
型号 |
公称流量/L·min-1 |
最高使用压力/MPa |
质量/kg |
|
|
TC1G-01-40 |
30 |
25 |
0.6 |
|
|
TC2G-01-40 |
30 |
25 |
0.65 |
|
|
TC1G-03-※-40 |
80 |
25 |
1.6 |
|
|
TC2G-03-※-40 |
80 |
25 |
1.8 |
|
|
图1 TC1G-01型外形尺寸 |
图2 TC2G-01型外形尺寸 |
|||
|
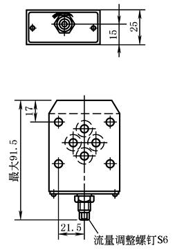
图3 TC1G-03 TC1G-03-C型外形尺寸 注:其他尺寸请参照TC2G-03 |
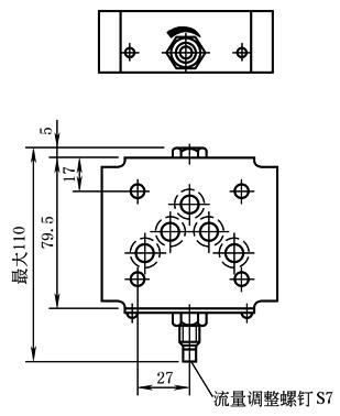
图4 TC2G-03 TC2G-03-A型外形尺寸 注:2个回油口“T”中,标准底 板用左侧口,但也可以用任意一个口 |
|||





