|
SR/SRC型节流阀 |
||||
|
SR/SRC型节流阀用于工作压力基本稳定或允许流量随压力变化的液压系统,以控制执行元件的速度。本元件是平衡式的,可以较轻松地进行调整 型号意义:
表1 技术规格 |
||||
|
通径代号 |
03 |
06 |
10 |
|
|
通径/mm |
10 |
20 |
30 |
|
|
额定流量/L·min-1 |
30 |
85 |
230 |
|
|
最小稳定流量/L·min-1 |
3 |
8.5 |
23 |
|
|
质量/kg |
管式 |
1.5 |
3.8 |
9.1 |
|
板式 |
2.5 |
3.9 |
7.5 |
|
|
最高工作压力/MPa |
25 |
|||
|
介质 |
矿物液压油、高水基液、磷酸酯油液 |
|||
|
介质黏度/m2·s-1 |
(15~400)×10-6 |
|||
|
介质温度/℃ |
-15~70 |
|||
|
注:生产厂为榆次油研液压公司。
图 开度-流量特性(使用油黏度:30mm2/s) Δp—控制油液进口-出口压差 |
||||
|
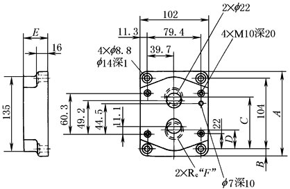
表2 外形尺寸 |
||||||||||||||||
|
SR(C)T-03,06,10型 |
SR(C)G-03,06型 |
|||||||||||||||
|
|
|
|||||||||||||||
|
型号 |
A |
B |
C |
D |
E |
|
型号 |
A |
B |
C |
D |
E |
安装面与ISO 5781-AG-06-2-A、ISO 5781-AH-08-2-A一致 |
|||
|
SR(C)T-03 |
72 |
36 |
44 |
150.5 |
53.5 |
SR(C)G-03 |
90 |
66.7 |
33.3 |
11.7 |
150.5 |
|||||
|
SR(C)T-06 |
100 |
50 |
58 |
180 |
66.5 |
|
|
|
|
|
|
|||||
|
SR(C)T-10 |
138 |
69 |
80 |
227 |
86 |
SR(C)G-06 |
102 |
79.4 |
39.7 |
11.3 |
180 |
|||||
|
型号 |
F |
G |
H |
J |
型号 |
F |
G |
H |
J |
K |
||||||
|
SR(C)T-03 |
f 38 |
46 |
22 |
3/8 |
SR(C)G-03 |
42.9 |
32 |
64 |
31 |
31 |
||||||
|
SR(C)T-06 |
□62 |
64 |
31 |
3/4 |
|
|
|
|
|
|
||||||
|
SR(C)T-10 |
□80 |
82 |
40 |
1¼ |
SR(C)G-06 |
60.3 |
36.5 |
79 |
36 |
37 |
||||||
|
SR(C)G-10 |
||||||||||||||||
|
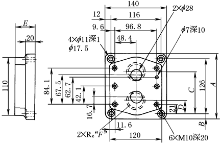
表3 安装底板 |
||||||||||
|
型号 |
底板型号 |
连接口Rc |
质量/kg |
CRGM-03,03X
|
||||||
|
SRCG-03 |
CRGM-03-50 CRGM-03X-50 |
3/8 1/2 |
1.6 1.6 |
|||||||
|
SRCG-06 |
CRGM-06-50 CRGM-06X-50 |
3/4 1 |
2.4 3.0 |
|||||||
|
SRCG-10 |
CRGM-10-50 CRGM-10X-50 |
1¼ 1½ |
4.8 5.7 |
|||||||
|
备注:在使用底板时,请按上表订货 |
||||||||||
|
CRGM-06,06X
|
CRGM-10,10X
|
||||||||||||
|
底板型号 |
A |
B |
C |
D |
E |
F |
底板型号 |
A |
B |
C |
D |
E |
F |
|
CRGM-06-50 |
124 |
10 |
77 |
27 |
36 |
3/4 |
CRGM-10-50 |
150 |
12 |
96 |
30 |
45 |
1¼ |
|
CRGM-06X-50 |
136 |
16 |
82.3 |
22 |
45 |
1 |
CRGM-10X-50 |
177 |
25.5 |
104 |
22 |
50 |
1½ |






