|
RB型平衡阀 |
||||||
|
型号意义:
图形符号
技术规格 |
||||||
|
通径代号 |
通径 /mm |
最大工作压力 /MPa |
压力调节范围 /MPa |
最大流量 /L·min-1 |
溢流流量 /L·min-1 |
质量 /kg |
|
03 |
10(3/8") |
14 |
0.6~13.5 |
50 |
50 |
4.2 |
|
注:生产厂为榆次油研液压公司。
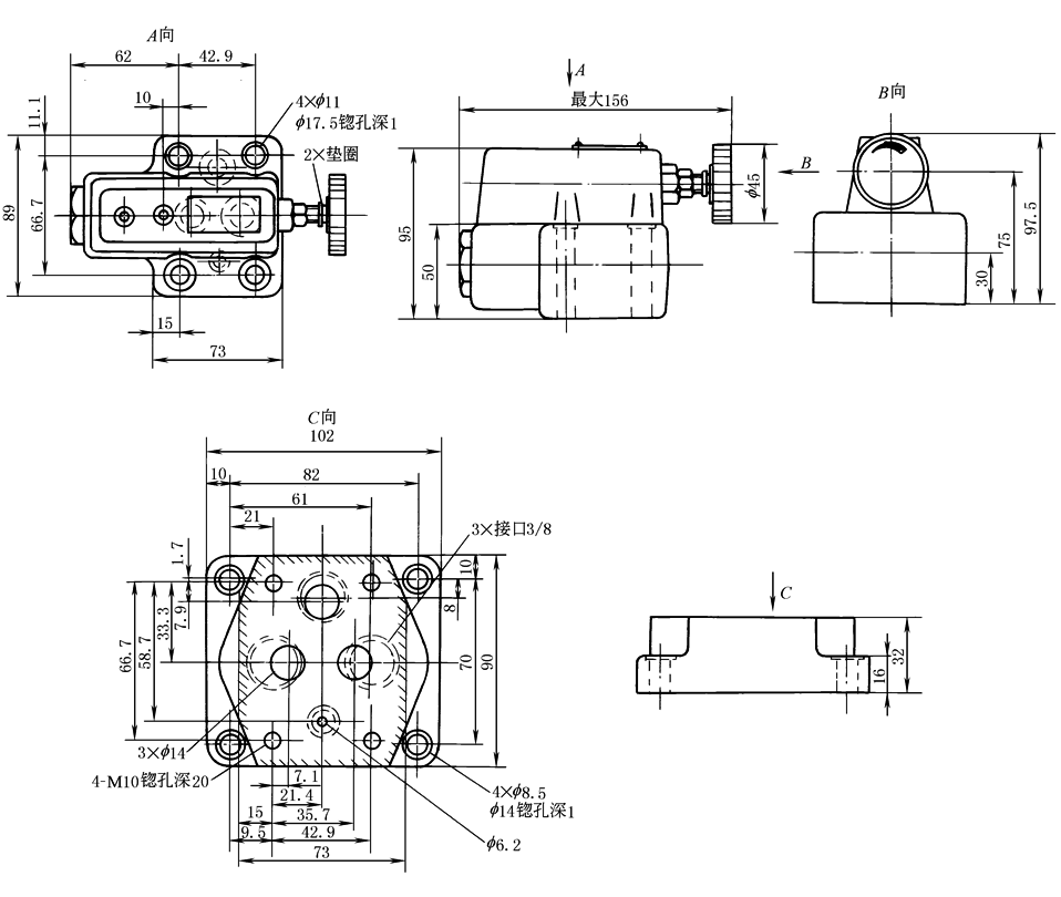
图 平衡阀外形及连接尺寸 |
||||||



