|
BUC型卸荷溢流阀 |
|||||
|
该阀用于带蓄能器的液压系统,使液压泵自动卸荷或加载,也可用于高低压复合的液压系统,使液压泵在最小载荷下工作 型号意义:
表1 技术规格 |
|||||
|
通径/mm |
25 |
30 |
介质黏度/m2·s-1 |
(15~400)×10-6 |
|
|
最大流量/L·min-1 |
125 |
250 |
介质温度/℃ |
-15~70 |
|
|
最大工作压力/MPa |
21 |
质量/kg |
12 |
21.5 |
|
|
介质 |
矿物液压油、高水基液压液、磷酸酯液压液 |
||||
|
注:生产厂为榆次油研液压公司。 |
|||||
|
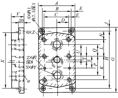
图1 BUC型卸荷溢流阀特性曲线
图2 BUC型卸荷溢流阀外形尺寸 |
|||||
|
|
表2 安装底板型号 |
|||
|
型号 |
底板型号 |
连接口 |
质量/kg |
|
|
BUCG-06 |
BUCGM-06-20 |
Rc3/4 |
4.4 |
|
|
BUCG-10 |
BUCGM-10-20 |
Rc1¼ |
7.2 |
|
|
注:使用底板时,请按上述型号订货。 |
||||
|
表3 安装底板尺寸 mm |
||||||||||||||||||||||
|
型号 |
A |
B |
C |
D |
E |
F |
G |
H |
J |
K |
L |
N |
P |
Q |
S |
T |
U |
V |
X |
Y |
Z |
a |
|
BUCGM-06 |
102 |
78 |
70 |
35 |
12 |
4 |
192 |
168 |
12 |
66.7 |
46 |
27.5 |
55.5 |
33.5 |
33.3 |
11 |
11 |
40 |
145 |
23 |
M16 |
Rc3/4 |
|
BUCGM-10 |
120 |
92 |
82.5 |
41.3 |
14 |
4.7 |
232 |
204 |
14 |
88.9 |
51 |
32 |
76.2 |
38 |
44.5 |
19 |
12.7 |
45 |
190 |
28 |
M20 |
Rc1¼ |




