|
H型压力控制阀和HC型压力控制阀 |
|||||||
|
本元件是可以内控和外控的具有压力缓冲功能的直动型压力控制阀。通过不同组装,可作为低压溢流阀、顺序阀、卸荷阀、单向顺序阀、平衡阀使用 型号意义:
注:带辅助先导口是需用低于调定压力的外控先导压力使阀动作时用。 表1 技术规格 |
|||||||
|
通径代号 |
通径 /mm |
最大工作压力 /MPa |
最大流量 /L·min-1 |
质量/kg |
|||
|
HT |
HG |
HCT |
HCG |
||||
|
03 |
10 |
21 |
50 |
3.7 |
4.0 |
4.1 |
4.8 |
|
06 |
20 |
125 |
6.2 |
6.1 |
7.1 |
7.4 |
|
|
10 |
30 |
250 |
12.0 |
11.0 |
13.8 |
13.8 |
|
|
注:生产厂为榆次油研液压公司。 |
|||||||
|
图形符号 H(C)T型压力控制阀外形尺寸
表2 mm |
|||||||||||||
|
型号 |
A |
B |
C |
D |
E |
F |
G |
H |
J |
K |
L |
N |
Q |
|
H(C)T-03 |
41 |
82 |
60 |
74(96) |
191 |
57 |
106 |
43 |
70 |
0 |
28 |
28 |
3/8 |
|
H(C)T-06 |
48 |
96 |
73 |
87(116) |
221 |
64.5 |
123.5 |
50.5 |
80.5 |
9 |
33 |
42 |
3/4 |
|
H(C)T-10 |
66 |
132 |
86 |
112(152) |
272 |
84 |
149 |
66 |
98 |
12 |
40 |
52 |
1/4 |
|
注:表中带括号的尺寸为HC型阀的尺寸。 |
|||||||||||||
|
表3 H(C)G型顺序阀外形尺寸 mm |
|
|
H(C)G-03、063型(外部先导,外部泄油) |
H(C)G-103型(外部先导,外部泄油) |
|
安装面H(C)G-03与ISO5781-AG-06-2-A一致 安装面H(C)G-06与ISO5781-AH-08-2-A一致
|
安装面与ISO5781-AJ-10-2-A一致
|
|
型号 |
A |
B |
C |
D |
E |
F |
G |
H |
型号 |
A |
B |
|
H(C)G-03 |
60 |
67(90) |
35 |
39(59) |
89 |
191 |
163 |
49.6 |
HG-10 |
92 |
39 |
|
H(C)G-06 |
73 |
79(103) |
40 |
39(69) |
102 |
221 |
188 |
51 |
HCG-10 |
132 |
79 |
|
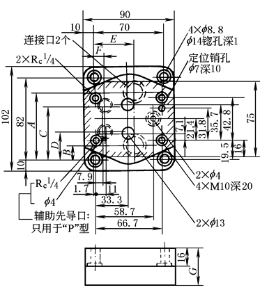
表4 安装底板型号 |
|||||||
|
型号 |
底板型号 |
连接口 |
质量/kg |
型号 |
底板型号 |
连接口 |
质量/kg |
|
H(C)G-03-※※-22 |
HGM-03-20 |
Rc3/8 |
1.6 |
H(C)G-06-※※-P-22 |
HGM-06-P-20 |
Rc3/4 |
2.4 |
|
HGM-03X-20 |
Rc3/2 |
HGM-06X-P-20 |
Rc1 |
3.0 |
|||
|
H(C)G-03-※※-22 |
HGM-03-P-20 |
Rc3/8 |
2.0 |
H(C)G-10-※※-22 |
HGM-10-20 |
Rc1¼ |
4.8 |
|
HGM-03X-P-20 |
Rc3/2 |
HGM-10X-20 |
Rc1½ |
5.7 |
|||
|
H(C)G-06-※※-22 |
HGM-06-20 |
Rc3/4 |
2.4 |
H(C)G-10-※※-P-22 |
HGM-10-P-20 |
Rc1¼ |
4.8 |
|
HGM-06X-20 |
Rc1 |
3.0 |
HGM-10X-P-20 |
Rc1½ |
5.7 |
||
|
注:使用底板时,请按表中型号订货。 |
|||||||
|
HGM-03型安装底板尺寸
表5 mm |
||||||||
|
底板型号 |
连接口 |
A |
B |
C |
D |
E |
F |
G |
|
HGM-03-20 |
Rc3/8 |
61 |
21 |
40.9 |
— |
35 |
9.6 |
32 |
|
HGM-03X-20 |
Rc3/2 |
|||||||
|
HGM-03-P-20 |
Rc3/8 |
69.5 |
12.5 |
53.5 |
28.5 |
35 |
11.5 |
36 |
|
HGM-03X-P-20 |
Rc3/2 |
67.5 |
14.5 |
41 |
||||
|
HGM-06、10型安装底板尺寸
表6 mm |
||||||||||||||||
|
底板型号 |
连接口 |
A |
B |
C |
D |
E |
F |
G |
H |
J |
||||||
|
HGM-06-20 |
Rc3/4 |
124 |
10 |
77 |
27 |
61.7 |
— |
73 |
6.4 |
36 |
||||||
|
HGM-06X-20 |
Rc1 |
136 |
16 |
82.3 |
22 |
61.7 |
— |
73 |
6.4 |
45 |
||||||
|
HGM-06-P-20 |
Rc3/4 |
124 |
10 |
77 |
27 |
64 |
39 |
73 |
3 |
36 |
||||||
|
HGM-06X-P-20 |
Rc1 |
136 |
16 |
82.3 |
22 |
64 |
39 |
75 |
3 |
45 |
||||||
|
底板型号 |
连接口 |
A |
B |
C |
D |
E |
F |
G |
||||||||
|
HGM-10-20 |
Rc1¼ |
155 |
12 |
96 |
30 |
— |
45 |
13.6 |
||||||||
|
HGM-10X-20 |
Rc1½ |
177 |
25.5 |
104 |
22 |
— |
50 |
13.6 |
||||||||
|
HGM-10-P-20 |
Rc1¼ |
150 |
12 |
96 |
30 |
43 |
45 |
9.6 |
||||||||
|
HGM-10X-P-20 |
Rc1½ |
177 |
25.5 |
104 |
22 |
43 |
50 |
9.6 |
||||||||







