|
低噪声电磁溢流阀 |
||||
|
低噪声电磁溢流阀由低噪声溢流阀和电磁换向阀组成。功能与表电磁溢流阀相同,可使系统保持调定压力或系统卸荷 型号意义:
表1 技术规格 |
||||
|
型号 |
最高使用压力 /MPa |
压力调整范围 /MPa |
最大流量 /L·min-1 |
质量/kg |
|
S-BSG-03,-51 |
25.0 |
0.5~25.0 |
100 |
6.3 |
|
S-BSG-06,51 |
200 |
7.2 |
||
|
S-BSG-10,-51 |
400 |
12.7 |
||
|
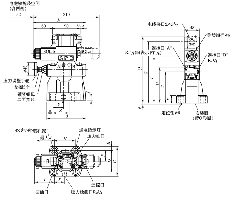
外形尺寸
安装面S-BSG-03与ISO6264-AR-06-2-A一致 安装面S-BSG-06与ISO6264-AS-08-2-A一致 安装面S-BSG-10与ISO6264-AT-10-2-A一致 表2 |
|||||||||||||
|
型号 |
C |
D |
E |
F |
H |
J |
K |
L |
N |
P |
Q |
||
|
S-BSG-03 |
76 |
53.8 |
11.1 |
26.9 |
53.8 |
73.6 |
26.9 |
78.1 |
13.5 |
21 |
218.3 |
||
|
S-BSG-06 |
98 |
70 |
14 |
35 |
66.7 |
58.8 |
33.7 |
63.3 |
17.5 |
26 |
218.3 |
||
|
S-BSG-10 |
120 |
82.6 |
18.7 |
41.3 |
88.9 |
46.1 |
44.9 |
50.1 |
21.5 |
32 |
253.3 |
||
|
型号 |
S |
T |
U |
V |
X |
Y |
Z |
d |
e |
f |
h |
||
|
S-BSG-03 |
200 |
153 |
117 |
103 |
21.5 |
17.1 |
36.6 |
106 |
26.1 |
13 |
168 |
||
|
S-BSG-06 |
200 |
153 |
117 |
103 |
26 |
31.9 |
51.4 |
122 |
19.3 |
13 |
168 |
||
|
S-BSG-10 |
235 |
188 |
149 |
135 |
33.5 |
45.1 |
64.6 |
155 |
21.1 |
18 |
168.8 |
||
|
|
|
||||||||||
|
表3 |
|||||||||||
|
型号 |
i |
j |
n |
r |
t |
||||||
|
S-BSG-03 |
127.4 |
168 |
183 |
230 |
248.3 |
||||||
|
S-BSG-06 |
142.2 |
168 |
183 |
230 |
248.3 |
||||||
|
S-BSG-10 |
— |
— |
218 |
265 |
283.3 |
||||||
|
|
|||||||||||
|
电线出口外径f 8~10接线 断面积1.5mm2以下 |
|
||||||||||
|
表4 |
|||||||||||
|
名称 |
线圈符号 |
y |
dd |
ee |
|||||||
|
交流电磁铁 |
A※ |
53 |
65 |
39 |
|||||||
|
直流电磁铁 |
D※ |
64 |
76 |
39 |
|||||||
|
交直变换型 电磁铁 |
R※ |
57.2 |
79 |
53 |
|||||||
|
注:其他尺寸参照上图。 |
|||||||||||
|
|||||||||||




