|
电磁溢流阀 |
||||||
|
电磁溢流阀由溢流阀和电磁换向阀组合而成。通过对电磁换向阀电气控制,可使液压泵及系统卸荷或保持调定压力。也可配用遥控溢流阀,可使系统得到双压或三压控制 型号意义:
表1 技术规格 |
||||||
|
型 号 |
最高使用压力 /MPa |
调压范围/MPa |
最大流量 /L·min-1 |
质量/kg |
||
|
管式连接 |
板式连接 |
BST型 |
BSG型 |
|||
|
BST-03-※-※-※-※-46 |
BSG-03-※-※-※-※-46 |
25 |
0.5~25 |
100 |
7.4 |
7.1 |
|
BST-06-※-※-※-※-46 |
BSG-06-※-※-※-※-46 |
200 |
7.4 |
8.0 |
||
|
BST-10-※-※-※-※-46 |
BSG-10-※-※-※-※-46 |
400 |
11.1 |
11.3 |
||
|
表2 排油型式 |
|||
|
排油型式 |
2B3A |
2B3B |
2B2B |
|
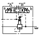
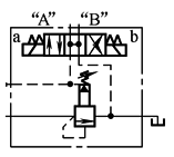
液压符号 |
|
|
|
|
排油型式 |
2B2 |
3C2 |
3C3 |
|
液压符号 |
|
|
|
|
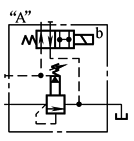
外形尺寸
表3 mm |
||||||||||||||||
|
型号 |
C |
D |
E |
F |
H |
J |
K |
L |
N |
P |
Q |
S |
T |
U |
V |
X |
|
BST-03 |
75 |
40 |
52 |
78 |
145 |
65 |
45 |
90 |
240.8 |
68.5 |
154 |
36 |
107 |
69 |
62 |
3/8 |
|
BST-06 |
3/4 |
|||||||||||||||
|
BST-10 |
85 |
50 |
80 |
96 |
151 |
80 |
60 |
120 |
273.3 |
89 |
166 |
49 |
119 |
81 |
74 |
1¼ |
|
注:电磁换向阀的详细尺寸请参照电磁换向阀DSG-01。 |
||||||||||||||||
|
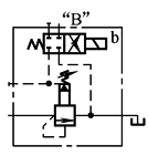
表4 |
||||||||||||||||||||||||||||||||||
|
带 缓 冲 阀 |
|
|||||||||||||||||||||||||||||||||
|
其他尺寸参照BST-03,06,10 |
其他尺寸参照BST-03,06,10 |
|||||||||||||||||||||||||||||||||
|
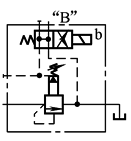
安装面BSG-03:与ISO6264-AR-06-2A一致 安装面BSG-06:与ISO6264-AS-08-2A一致 安装面BSG-10:与ISO6264-AT-10-2A一致 表5 mm |
||||||||||||||||||
|
型号 |
C |
D |
E |
F |
H |
J |
K |
L |
N |
P |
Q |
S |
T |
U |
V |
X |
Y |
Z |
|
BSG-03 |
75 |
40 |
57 |
78 |
78 |
145 |
14.1 |
41 |
82 |
225.8 |
77 |
130.5 |
22 |
83.5 |
47 |
40 |
13.5 |
21 |
|
BSG-06 |
75 |
40 |
40 |
60 |
78 |
145 |
17 |
52 |
104 |
249.8 |
83.5 |
148 |
4.5 |
101 |
64.5 |
57.5 |
17.5 |
26 |
|
BSG-10 |
85 |
45 |
47 |
67 |
84 |
146 |
20.7 |
62 |
124 |
283.8 |
110 |
155.5 |
6 |
108.5 |
72 |
65 |
21.5 |
32 |
|
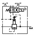
表6 |
||||||||
|
带缓冲阀 |
|
|||||||
|
|
|
|||||||
|
型号 |
d |
e |
f |
名称 |
线圈符号 |
h |
i |
j |
|
A-BSG-03 |
257.3 |
163 |
115 |
交流电磁铁 |
A※ |
53 |
65 |
39 |
|
A-BSG-06 |
281.3 |
180.5 |
132.5 |
直流电磁铁 |
D※ |
64 |
76 |
39 |
|
A-BSG-10 |
315.3 |
188 |
140 |
交直流变换型电磁铁 |
R※ |
57.2 |
79 |
53 |
|
注:其他尺寸参照BSG-03,06,10。 |
||||||||















