|
B型先导溢流阀 |
|||||
|
B型先导式溢流阀用于防止系统压力过载和保持系统压力恒定 型号意义:
表1 技术规格 |
|||||
|
名称 |
公称通径/in |
型号 |
调压范围/MPa |
最大流量/L·min-1 |
质量/kg |
|
先导式溢流阀 |
3/8 |
BT-03-※-32 BG-03-※-32 |
※~25.0 |
100 |
5.0 4.7 |
|
3/4 |
BT-06-※-32 BG-06-※-32 |
200 |
5.0 5.6 |
||
|
1¼ |
BT-10-※-32 BG-10-※-32 |
400 |
8.5 8.7 |
||
|
低噪声溢流阀 |
3/8 |
S-BG-03-※-※-40 |
※~25.0 |
100 |
4.1 |
|
3/4 |
S-BG-06-※-※-40 |
200 |
5.0 |
||
|
1¼ |
S-BG-10-※-40 |
400 |
10.5 |
||
|
注:生产厂为榆次油研液压公司。 |
|||||
|
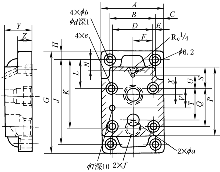
BT型先导溢流阀外形尺寸
表2 mm |
|||||||||||||
|
型号 |
A |
B |
C |
D |
E |
F |
G |
H |
J |
K |
L |
N |
Q |
|
BT-03 |
75 |
40 |
105 |
52 |
78 |
150.5 |
68.5 |
62 |
36 |
65 |
90 |
45 |
Rc3/8 |
|
BT-06 |
Rc3/4 |
||||||||||||
|
BT-10 |
85 |
50 |
101 |
80 |
96 |
183 |
89 |
74 |
49 |
80 |
120 |
60 |
Rc1¼ |
|
BG型先导溢流阀外形尺寸
表3 mm |
|||||||||||||||
|
型号 |
A |
B |
Cmax |
D |
E |
F |
G |
H |
J |
K |
L |
N |
P |
Q |
S |
|
BG-03 |
75 |
40 |
105 |
57 |
78 |
78 |
137 |
14.1 |
41 |
82 |
117 |
77 |
22 |
13.5 |
21 |
|
BG-06 |
75 |
40 |
105 |
40 |
60 |
78 |
161 |
17 |
52 |
104 |
141 |
83.5 |
4.5 |
17.5 |
26 |
|
BG-10 |
85 |
45 |
101 |
47 |
67 |
87.5 |
195 |
20.7 |
62 |
124 |
175 |
110 |
6 |
21.5 |
32 |
|
表4 BG型先导式溢流阀连接底板尺寸 mm |
||||
|
|
阀型号 |
底板型号 |
连接口 |
质量/kg |
|
BG-03 S-BG-03 |
BGM-03-20 BGM-03X-20 |
Rc3/8 Rc½ |
2.4 3.1 |
|
|
BG-06 S-BG-06 |
BGM-06-20 BGM-06X-20 |
Rc3/4 Rc1 |
4.7 5.7 |
|
|
BG-10 S-BG-10 |
BGM-10-20 BGM-10X-20 |
Rc1¼ Rc1½ |
8.4 10.3 |
|
|
BGM安装底板尺寸 |
|
|||
|
型号 |
A |
B |
C |
D |
E |
F |
G |
H |
J |
K |
L |
N |
P |
Q |
|
BGM-03 |
86 |
60 |
13 |
53.8 |
3.1 |
26.9 |
149 |
13 |
123 |
86 |
32 |
26 |
97 |
53.8 |
|
BGM-03X |
95 |
21 |
||||||||||||
|
BGM-06 |
108 |
78 |
15 |
70 |
4 |
35 |
180 |
15 |
150 |
106.5 |
51 |
27.2 |
121 |
66.7 |
|
BGM-06X |
119 |
18 |
||||||||||||
|
BGM-10 |
126 |
94 |
16 |
82.6 |
5.7 |
41.3 |
227 |
16 |
195 |
138.2 |
62 |
30.2 |
154 |
88.9 |
|
BGM-10X |
158 |
17 |
|
型号 |
S |
T |
U |
V |
X |
Y |
Z |
a |
b |
d |
e |
f |
|
BGM-03 |
19 |
47.4 |
0 |
22 |
22 |
32 |
20 |
14.5 |
11 |
17.5 |
M12深20 |
Rc3/8 |
|
BGM-03X |
40 |
Rc½ |
||||||||||
|
BGM-06 |
37 |
55.5 |
23.8 |
33.4 |
11 |
40 |
25 |
23 |
13.5 |
21 |
M16深25 |
Rc3/4 |
|
BGM-06X |
50 |
Rc1 |
||||||||||
|
BGM-10 |
42 |
76.2 |
31.8 |
44.5 |
12.7 |
50 |
32 |
28 |
17.5 |
26 |
M20深28 |
Rc1¼ |
|
BGM-10X |
63 |
Rc1½ |
|
表5 S-BG型溢流阀外形尺寸 mm |
||||||
|
|
型号 |
A |
B |
C |
D |
|
|
|
|
S-BG-03 |
76 |
53.8 |
11.1 |
26.9 |
|
S-BG-06 |
98 |
70 |
14 |
35 |
||
|
S-BG-10 |
120 |
82.6 |
18.7 |
41.3 |
||
|
型号 |
E |
F |
G |
H |
||
|
S-BG-03 |
53.8 |
73.6 |
26.9 |
163.5 |
||
|
S-BG-06 |
66.7 |
58.8 |
33.7 |
163.5 |
||
|
S-BG-10 |
88.9 |
46.1 |
44.9 |
180 |
||
|
型号 |
J |
K |
N |
P |
||
|
S-BG-03 |
13.5 |
21 |
50 |
130 |
||
|
S-BG-06 |
17.5 |
26 |
50 |
130 |
||
|
|
S-BG-10 |
21.5 |
32 |
65 |
167 |
|
|
型号 |
Q |
S |
T |
U |
||
|
手轮右向
|
S-BG-03 |
103 |
21.5 |
106 |
26.1 |
|
|
S-BG-06 |
103 |
26 |
122 |
19.3 |
||
|
其余尺寸请参照手轮左向图 |
S-BG-10 |
135 |
33.5 |
155 |
21.1 |
|
|
型号 |
V |
X |
|
|
||
|
S-BG-03 |
13 |
36.1 |
|
|
||
|
S-BG-06 |
13 |
21.3 |
|
|
||
|
S-BG-10 |
18 |
— |
|
|
||
|
安装面符合下面的ISO标准 S-BG-03:ISO6264-AR-06-2-A S-BG-06:ISO6264-AS-08-2-A S-BG-10:ISO6264-AT-10-2-A |
||||||








