|
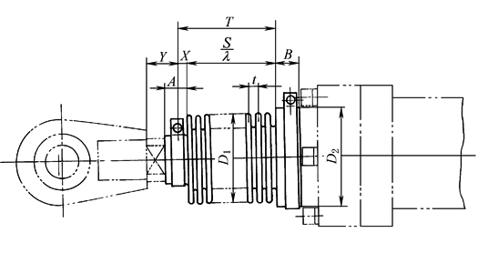
防护罩的结构尺寸 |
|||||||||||
|
mm |
|||||||||||
|
液压缸内径 D |
活塞杆直径 d |
D1 |
D2 |
A |
B |
X |
Y |
T |
λ |
固有质量 J/kg |
递增重量 △/kg·mm-1 |
|
40 |
22 28 |
50 60 |
50 50 |
12 |
20 |
10 |
17 |
3.6 |
4 |
0.05 0.05 |
0.0014 0.0017 |
|
50 |
28 36 |
60 70 |
64 64 |
20 |
0.06 0.06 |
0.0017 0.0020 |
|||||
|
63 |
36 45 |
70 80 |
75 75 |
0.07 0.07 |
0.0020 0.0023 |
||||||
|
80 |
45 56 |
80 100 |
95 95 |
0.08 0.09 |
0.0023 0.0029 |
||||||
|
100 |
56 70 |
100 120 |
115 115 |
15 |
30 |
15 |
30 |
4.4 |
5 |
0.17 0.17 |
0.0029 0.0035 |
|
125 |
70 90 |
120 140 |
135 135 |
0.20 0.20 |
0.0035 0.0042 |
||||||
|
140 |
90 100 |
140 150 |
155 155 |
0.23 0.23 |
0.0042 0.0046 |
||||||
|
160 |
100 110 |
150 170 |
180 180 |
35 |
0.26 0.28 |
0.0046 0.0051 |
|||||
|
180 |
110 125 |
170 185 |
200 200 |
20 |
40 |
20 |
35 |
5.6 |
6 |
0.47 0.48 |
0.0047 0.0051 |
|
200 |
125 140 |
185 200 |
215 215 |
40 |
0.50 0.51 |
0.0051 0.0055 |
|||||
|
220 |
140 160 |
200 220 |
245 245 |
0.56 0.59 |
0.0055 0.0061 |
||||||
|
250 |
160 180 |
220 250 |
280 280 |
0.66 0.69 |
0.0061 0.0088 |
||||||
|
280 |
180 200 |
250 270 |
305 305 |
7 |
0.79 0.79 |
0.0088 0.0095 |
|||||
|
320 |
200 220 |
270 290 |
350 350 |
0.89 0.90 |
0.0095 0.0102 |
||||||
|
360 |
220 250 |
290 320 |
400 400 |
1.03 1.03 |
0.0102 0.0114 |
||||||
|
400 |
250 280 |
320 360 |
450 450 |
1.17 1.17 |
0.0114 0.0129 |
||||||
|
注:1.用途是防尘、防水、防蒸气、防酸碱。 2.主体材质:氯丁橡胶,耐热130℃。 3.S— 液压缸行程,mm;Y— 无防护罩时杆端外露长度,mm;T— 杆端加长,mm,T=S/λ+X(圆整);t—防护罩全压缩时的节距,mm。 4.质量Q 的计算方法: Q=J+△S(kg) 5.型号标记示例:液压缸D/d=200/140,S=1000mm,需配用防护罩,则所选防护罩标记为 防护罩FZ 200/140-1000 这种防护罩是专为C25、D25系列高压重型液压缸设计的,也可用于其他场合,有特殊要求另行商议。 |
|||||||||||

