|
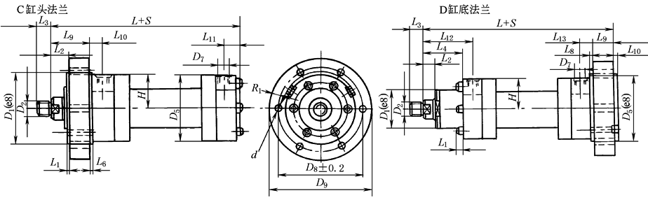
CD250C、CD250D差动重载液压缸 |
|
mm |
|
活塞直径 |
40 |
50 |
63 |
80 |
100 |
125 |
140 |
160 |
180 |
200 |
220 |
250 |
280 |
320 |
||
|
活塞杆直径 |
20/28 |
28/36 |
36/45 |
45/56 |
56/70 |
70/90 |
90/100 |
100/110 |
110/125 |
125/140 |
140/160 |
160/180 |
180/200 |
200/220 |
||
|
CD 250C、 CD 250D、 CG 250C |
D2 |
A |
M18 ×2 |
M24 ×2 |
M30 ×2 |
M39 ×3 |
M50 ×3 |
M64 ×3 |
M80 ×3 |
M90 ×3 |
M100 ×3 |
M110 ×4 |
M120 ×4 |
M120 ×4 |
M150 ×4 |
M160 ×4 |
|
G |
M16 ×1.5 |
M22 ×1.5 |
M28 ×1.5 |
M35 ×1.5 |
M45 ×1.5 |
M58 ×1.5 |
M65 ×1.5 |
M80 ×2 |
M100 ×2 |
M110 ×2 |
M120 ×3 |
M120 ×3 |
M130 ×3 |
— |
||
|
D7 |
01 |
1/2″ BSP |
1/2″ BSP |
3/4″ BSP |
3/4″ BSP |
1″ BSP |
1¼″ BSP |
1¼″ BSP |
1½″ BSP |
1½″ BSP |
1½″ BSP |
1½″ BSP |
1½″ BSP |
1½″ BSP |
1½″ BSP |
|
|
02 |
M22 ×1.5 |
M22 ×1.5 |
M27 ×2 |
M27 ×2 |
M33 ×2 |
M42 ×2 |
M42 ×2 |
M48 ×2 |
M48 ×2 |
M48 ×2 |
M48 ×2 |
M48 ×2 |
M48 ×2 |
M48 ×2 |
||
|
D8 |
108 |
130 |
155 |
170 |
205 |
245 |
265 |
325 |
360 |
375 |
430 |
485 |
520 |
600 |
||
|
D9 |
130 |
160 |
185 |
200 |
245 |
295 |
315 |
385 |
420 |
445 |
490 |
555 |
590 |
680 |
||
|
L3 |
A |
30 |
35 |
45 |
55 |
75 |
95 |
110 |
120 |
140 |
150 |
160 |
160 |
190 |
200 |
|
|
G |
16 |
22 |
28 |
35 |
45 |
58 |
65 |
80 |
100 |
110 |
120 |
120 |
130 |
— |
||
|
d |
9.5 |
11.5 |
14 |
14 |
18 |
22 |
22 |
28 |
30 |
33 |
33 |
39 |
39 |
45 |
||
|
R1(A10/B10) |
7/16 |
2/14 |
2/9 |
1.5/5 |
—/11.5 |
4/— |
— |
27.5/— |
18/— |
20/— |
— |
— |
— |
— |
||
|
H |
45 |
55 |
63 |
70 |
82.5 |
103 |
112.5 |
132.5 |
147.5 |
157.5 |
180 |
200 |
220 |
250 |
||
|
CG 250C、 CD 250C |
D1 |
90 |
110 |
130 |
145 |
175 |
210 |
230 |
275 |
300 |
320 |
370 |
415 |
450 |
510 |
|
|
D5 |
85 |
105 |
120 |
135 |
165 |
200 |
220 |
265 |
290 |
310 |
355 |
395 |
430 |
490 |
||
|
L |
268 |
278 |
324 |
325 |
405 |
474 |
520 |
585 |
635 |
665 |
780 |
814 |
905 |
1000 |
||
|
L1,L6 |
5 |
5 |
5 |
5 |
5 |
L15, L610 |
10 |
10 |
10 |
10 |
10 |
10 |
10 |
10 |
||
|
L2 |
19 |
23 |
27 |
25 |
35 |
37 |
45 |
50 |
50 |
50 |
60 |
70 |
65 |
65 |
||
|
L9 |
49 |
53 |
62 |
60 |
80 |
87 |
95 |
110 |
120 |
125 |
145 |
155 |
160 |
185 |
||
|
L10 |
27 |
27 |
27.5 |
26 |
32.5 |
45 |
50 |
50 |
55 |
55 |
80 |
80 |
110 |
110 |
||
|
L11 |
27 |
27 |
27.5 |
30 |
32.5 |
35 |
45 |
50 |
55 |
45 |
80 |
80 |
109 |
110 |
||
|
CD 250D |
D1 |
55 |
68 |
75 |
95 |
115 |
135 |
155 |
180 |
200 |
215 |
245 |
280 |
305 |
340 |
|
|
D5 |
90 |
110 |
130 |
145 |
175 |
210 |
230 |
275 |
300 |
320 |
370 |
415 |
450 |
510 |
||
|
L |
256 |
264 |
297 |
315 |
375 |
432 |
475 |
535 |
585 |
615 |
720 |
744 |
839 |
935 |
||
|
L1 |
8 |
10 |
12 |
12 |
16 |
— |
— |
— |
— |
— |
— |
— |
— |
— |
||
|
L2 |
17 |
21 |
25 |
15.5 |
33 |
32 |
37/33 |
40 |
40/37 |
40 |
25 |
25 |
35 |
40 |
||
|
L4 |
54 |
58 |
67 |
65 |
85 |
97 |
105 |
120 |
130 |
135 |
155 |
165 |
170 |
195 |
||
|
L8(L10) |
5 |
5 |
5 |
10 |
10 |
10 |
10 |
10 |
10 |
10 |
10 |
10 |
10 |
10 |
||
|
L9 |
30 |
30 |
35 |
35 |
45 |
50 |
50 |
60 |
70 |
75 |
85 |
85 |
95 |
120 |
||
|
L12 |
76 |
80 |
89.5 |
86 |
112.5 |
132 |
145 |
160 |
175 |
180 |
225 |
235 |
270 |
295 |
||
|
L13 |
27 |
27 |
27.5 |
35 |
37.5 |
40 |
50 |
50 |
55 |
50 |
80 |
80 |
109 |
110 |
||
|
CD 250C |
系数 X |
8 |
12 |
20 |
23 |
41 |
95 |
120 |
212 |
273 |
334 |
485 |
643 |
784 |
1096 |
|
|
CD 250D |
系数 X |
9 |
13 |
22 |
26 |
48 |
95 |
120 |
212 |
273 |
334 |
485 |
643 |
784 |
1263 |
|
|
CD 250C CD 250D |
系数 Y |
0.011/ 0.015 |
0.015/ 0.019 |
0.020/ 0.024 |
0.030/ 0.039 |
0.050/ 0.060 |
0.078/ 0.092 |
0.105/ 0.122 |
0.136/ 0.156 |
0.170/ 0.192 |
0.220/ 0.246 |
0.262/ 0.299 |
0.346/ 0.387 |
0.387/ 0.434 |
0.510/ 0.562 |
|
|
质量m/kg |
m=X+Y×行程 (mm) |
|||||||||||||||
|
注:见表CD250A、CD250B差动重载液压缸注。 |
||||||||||||||||

