|
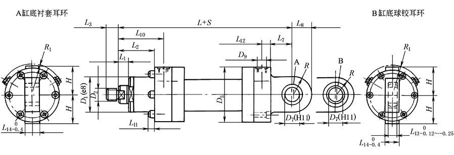
CD250A、CD250B差动重载液压缸 |
|||||||||||||||||
|
mm |
|||||||||||||||||
|
活塞直径 |
40 |
50 |
63 |
80 |
100 |
125 |
140 |
160 |
180 |
200 |
220 |
250 |
280 |
320 |
|||
|
活塞杆直径 |
20/28 |
28/36 |
36/45 |
45/56 |
56/70 |
70/90 |
90/100 |
100/110 |
110/125 |
125/140 |
140/160 |
160/180 |
180/200 |
200/220 |
|||
|
D1 |
55 |
68 |
75 |
95 |
115 |
135 |
155 |
180 |
200 |
215 |
245 |
280 |
305 |
340 |
|||
|
CD 250A
CD 250B |
D2 |
A |
M18 ×2 |
M24 ×2 |
M30 ×2 |
M39 ×3 |
M50 ×3 |
M64 ×3 |
M80 ×3 |
M90 ×3 |
M100 ×3 |
M110 ×4 |
M120 ×4 |
M120 ×4 |
M150 ×4 |
M160 ×4 |
|
|
G |
M16 ×1.5 |
M22 ×1.5 |
M28 ×1.5 |
M35 ×1.5 |
M45 ×1.5 |
M58 ×1.5 |
M65 ×1.5 |
M80 ×2 |
M100 ×2 |
M110 ×2 |
M120 ×3 |
M120 ×3 |
M130 ×3 |
— |
|||
|
D5 |
85 |
105 |
120 |
135 |
165 |
200 |
220 |
265 |
290 |
310 |
355 |
395 |
430 |
490 |
|||
|
D7 |
25 |
30 |
35 |
40 |
50 |
60 |
70 |
80 |
90 |
100 |
110 |
110 |
120 |
140 |
|||
|
D9 |
01 |
1/2″ BSP |
1/2″ BSP |
3/4″ BSP |
3/4″ BSP |
1″ BSP |
1¼″ BSP |
1¼″ BSP |
1½″ BSP |
1½″ BSP |
1½″ BSP |
1½″ BSP |
1½″ BSP |
1½″ BSP |
1½″ BSP |
||
|
02 |
M22 ×1.5 |
M22 ×1.5 |
M27 ×2 |
M27 ×2 |
M33 ×2 |
M42 ×2 |
M42 ×2 |
M48 ×2 |
M48 ×2 |
M48 ×2 |
M48 ×2 |
M48 ×2 |
M48 ×2 |
M48 ×2 |
|||
|
L |
252 |
265 |
302 |
330 |
385 |
447 |
490 |
550 |
610 |
645 |
750 |
789 |
884 |
980 |
|||
|
L1 |
17 |
21 |
25 |
15.5 |
33 |
32 |
37/33 |
40 |
40/37 |
40 |
25 |
25 |
35 |
40 |
|||
|
L2 |
54 |
58 |
67 |
65 |
85 |
97 |
105 |
120 |
130 |
135 |
155 |
165 |
170 |
195 |
|||
|
L3 |
A |
30 |
35 |
45 |
55 |
75 |
95 |
110 |
120 |
140 |
150 |
160 |
160 |
190 |
200 |
||
|
G |
16 |
22 |
28 |
35 |
45 |
58 |
65 |
80 |
100 |
110 |
120 |
120 |
130 |
— |
|||
|
L7(A10/ |
32.5 |
37.5 |
45 |
52.5 |
60 |
70 |
75 |
85 |
90 |
115 |
125 |
140 |
150 |
175 |
|||
|
B10) |
/— |
/— |
/— |
/50 |
/— |
/— |
/— |
/— |
/— |
/— |
/— |
/— |
/— |
/— |
|||
|
L8 |
27.5 |
32.5 |
40 |
50 |
62.5 |
70 |
82 |
95 |
113 |
125 |
142.5 |
160 |
180 |
200 |
|||
|
L10 |
76 |
80 |
89.5 |
86 |
112.5 |
132 |
145 |
160 |
175 |
180 |
225 |
235 |
270 |
295 |
|||
|
L11 |
8 |
10 |
12 |
12 |
16 |
— |
— |
— |
— |
— |
— |
— |
— |
— |
|||
|
L12 |
20.5 |
20.5 |
22.5 |
32.5 |
32.5 |
35 |
40 |
40 |
55 |
40 |
70 |
70 |
99 |
100 |
|||
|
L14 |
23 |
28 |
30 |
35 |
40 |
50 |
55 |
60 |
65 |
70 |
80 |
80 |
90 |
110 |
|||
|
H |
45 |
55 |
63 |
70 |
82.5 |
103 |
112.5 |
132.5 |
147.5 |
157.5 |
180 |
200 |
220 |
250 |
|||
|
R |
27.5 |
32.5 |
40 |
50 |
62.5 |
65 |
77 |
88 |
103 |
115 |
132.5 |
150 |
170 |
190 |
|||
|
R1(A10/ |
7/16 |
2/14 |
2/9 |
1.5/5 |
—/ 11.5 |
4/— |
— |
27.5/ |
18/— |
20/— |
— |
— |
— |
— |
|||
|
B10) |
— |
||||||||||||||||
|
CD 250B |
L13 |
20 |
22 |
25 |
28 |
35 |
44 |
49 |
55 |
60 |
70 |
70 |
70 |
85 |
90 |
||
|
CD 250A
CD 250B |
系数X |
5 |
7.5 |
13 |
18 |
34 |
76 |
99 |
163 |
229 |
275 |
417 |
571 |
712 |
1096 |
||
|
系数Y |
0.011/ 0.015 |
0.015/ 0.019 |
0.020/ 0.024 |
0.030/ 0.039 |
0.050/ 0.060 |
0.078/ 0.092 |
0.105/ 0.122 |
0.136/ 0.156 |
0.170/ 0.192 |
0.220/ 0.246 |
0.262/ 0.299 |
0.346/ 0.387 |
0.387/ 0.434 |
0.510/ 0.562 |
|||
|
质量 m/kg |
m=X+Y×行程 (mm) |
||||||||||||||||
|
注:1.A10型用螺纹连接缸底,适用于所有尺寸的缸径。 2.B10型用焊接缸底,仅用于小于或等于100mm的缸径。 3.缸头外侧采用密封盖,仅用于大于或等于125mm的缸径。 4.缸头外侧采用活塞杆导向套,仅用于小于或等于100mm的缸径。 5.缸头、缸底与缸筒螺纹连接时,若缸径小于或等于100mm,螺钉头均露在法兰外;若缸径大于100mm,螺钉头凹入缸底法兰内。 6.单向节流阀和排气阀与水平线夹角θ:对CD350系列,缸径小于或等于200mm,θ=30°;缸径大于或等于220mm,θ=45°;对CD250系列,除缸径为320mm,θ=45°外,其余均为30°。 7.S为行程。 |

